New Givetian Conodonts of the Genus Icriodus from the Kolyvan-Tom Folded Area (South of West Siberia)
- Authors: Izokh N.G.1
-
Affiliations:
- Trofimuk Institute of Petroleum Geology and Geophysics, Siberian Branch, Russian Academy of Science
- Issue: No 5 (2023)
- Pages: 76-81
- Section: Articles
- URL: https://ogarev-online.ru/0031-031X/article/view/137131
- DOI: https://doi.org/10.31857/S0031031X23050021
- EDN: https://elibrary.ru/XGGFXT
- ID: 137131
Cite item
Full Text
Abstract
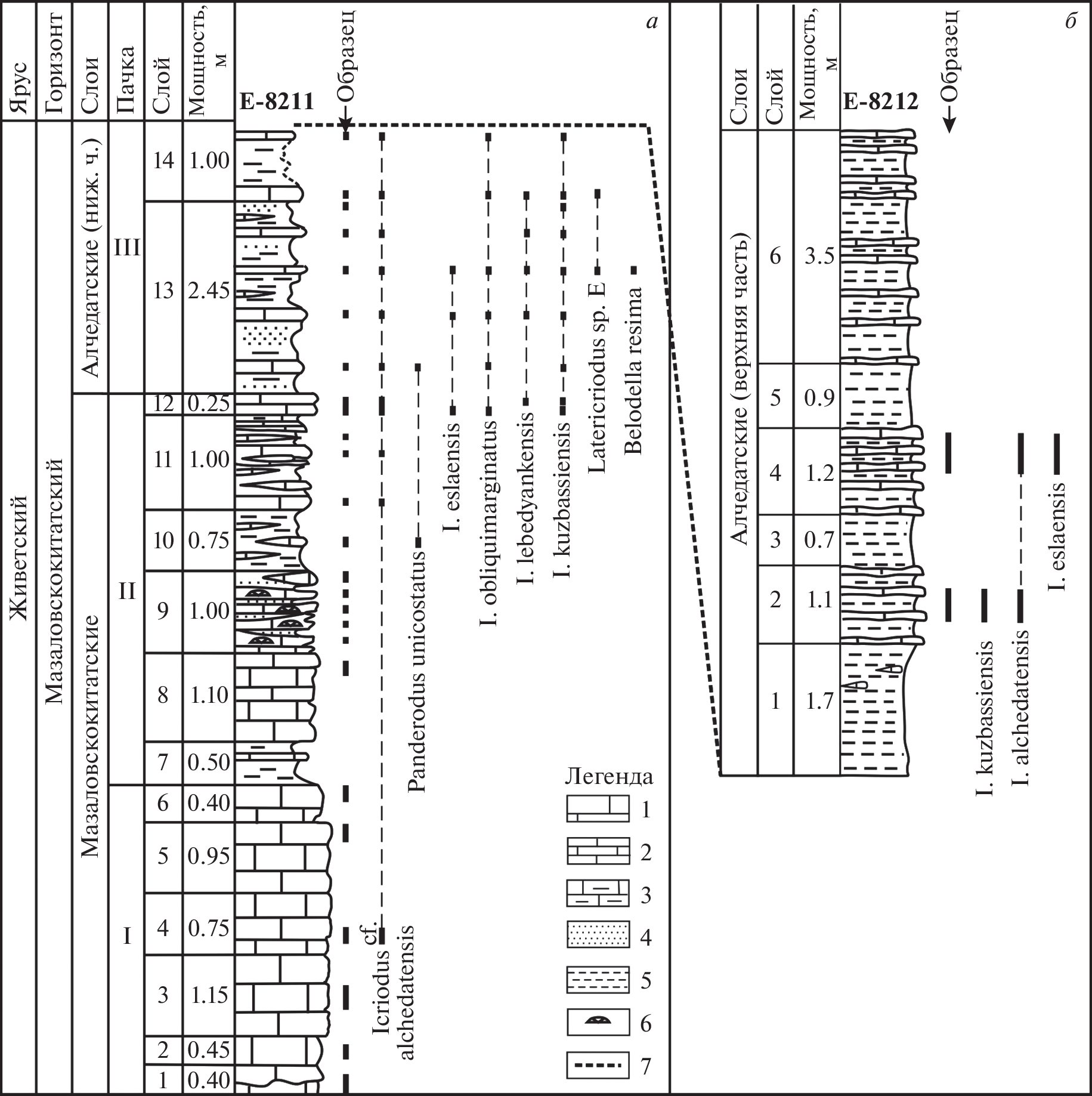
New species Icriodus alchedatensis sp. nov., I. kuzbassiensis sp. nov. I. lebedyankensis sp. nov. and Latericriodus sp. E are described from stratotype sections of the Mazalovy Kitatian regional Substage of the Middle Givetian from the Kolyvan-Tom folded area. The taxa of the genus Icriodus belong to two phylolines of the genus Icriodus: the I. struvei phylolines and the I. regularicrescens phylolines according to the concept of Weddige (1977).
About the authors
N. G. Izokh
Trofimuk Institute of Petroleum Geology and Geophysics, Siberian Branch, Russian Academy of Science
Email: izokhng@ipgg.sbras.ru
Russia, 630090, Novosibirsk
References
- Аксенова Л.М., Родыгин С.А., Халымбаджа В.Г. Конодонтовая характеристика средне-верхнедевонских отложений Северной окраины Кузбасса // Вопросы геологии Сибири / Ред. Подобина В.М., Родыгин С.А. Томск: ТГУ, 1994. С. 320–337.
- Елкин Е.А., Бахарев Н.К., Изох Н.Г. и др. Средний девон Колывань-Томской складчатой зоны (юг Западной Сибири) // Верхний палеозой России: стратиграфия и палеогеография. Матер. Всеросс. конф., 25–27 сентября 2007 г. Казань: Казанский гос. ун-т, 2007. С. 99–102.
- Иванова Е.А., Бельская Т.Н., Чудинова И.И. Условия обитания морской фауны силура и девона Кузнецкого, Минусинского и Тувинского бассейнов. М.: Наука, 1964. 226 с.
- Назарова В.М. Новые виды конодонтов рода Icriodus из эйфеля и франа Русской платформы // Палеонтол. журн. 1997. № 6. С. 71–74.
- Ржонсницкая М.А. Биостратиграфия девона окраин Кузнецкого бассейна. Том 1. Стратиграфия. Л.: Недра, 1968. 287 с.
- Типовые разрезы пограничных отложений среднего и верхнего девона, франского и фаменского ярусов окраин Кузнецкого бассейна (Матер. V выездной сессии комиссии МСК по девонской системе, Кузбасс, 16–29 июля 1991 г.). Новосибирск, 1992. 136 с.
- Язиков А.Ю. Брахиоподы и биостратиграфия среднего девона складчатого обрамления Кузнецкого бассейна. Автореф. дисс. … канд. геол.-мин. наук. Новосибирск, 2014. 19 с.
- Branson E.B., Mehl M.G. The conodont genus Icriodus and its stratigraphic distribution // J. Paleontol. 1938. V. 12. P. 156–166.
- Bultynck P. Pelagic and neritic conodont successions from the Givetian of pre-Sahara Morocco and the Ardennes // Bull. Inst. Roy. Sci. Natur. Belg. Sci. Terre. 1987. V. 57. P. 149–181.
- Bultynck P. Devonian Icriodontidae: biostratigraphy, classification and remarks on paleoecology and dispersal // Rev. Esp. Micropaleontol. 2003. V. 35. № 3. P. 295–314.
- Bultynck P., Gouwy S. Reference sections for the Middle Givetian substage // SDS Newsletter. 2008. № 23. P. 21–26.
- Clark D.L., Sweet W.C., Bergstrom S.M. et al. Treatise on Invertebrate Paleontology. Part W. Miscellanea, suppl. 2. Conodonta. Boulder, Lawrence: Geol. Soc. Amer.; Univ. Kansas Press, 1981. 202 p.
- Narkiewicz K., Bultynck P. Conodont biostratigraphy of shallow marine Givetian deposits from the Radom–Lublin area, SE Poland // Geol. Quart. 2007. V. 51. № 4. P. 419–442.
- Narkiewicz K., Bultynck P. The Upper Givetian (Middle Devonian) subterminus conodont Zone in North America, Europe and North Africa // J. Paleontol. 2010. V. 84. № 4. P. 588–625.
- Stauffer C.R. Conodonts of the Olentangy Shale // J. Paleontol. 1938. V. 12. № 5. P. 411–443.
- Weddige K. Die Conodonten der Eifel-Stufe im Typusgebieten und in benachbarten Faziesgebieten // Senckenb. Lethaea. 1977. Bd 58. № 4/5. S. 271–419.
- Weddige K., Ziegler W. Evolutionary patterns in Middle Devonian conodont genera Polygnathus and Icriodus // Geol. Palaeontol. 1979. № 13. P. 157–164.
- Yolkin E.A., Bakharev N.K., Izokh N.G. et al. Stratigraphic position of the Mazalovsky Kitat Horizon, northeastern Kuznetsk Basin (south of West Siberia) // Devonian terrestrial and marine environments: from continent to shelf (IGCP Project 499 / SDS Joint Field Meeting): Contrib. Intern. Conf. Novosibirsk, July 25 – August 9, 2005. Novosibirsk: Publ. House of SB RAS, “Geo” Branch, 2005. P. 142–143.
- Ziegler W., Klapper G., Johnson J.G. Redefinition and subdivision of the varcus-Zone (Conodonts, Middle–? Upper Devonian) in Europe and North America // Geol. Palaeontol. 1976. № 10. P. 109–140.
Supplementary files





