Studying the Feasibility of Creating Anisotropic Highly Hydrophobic Polymer Surfaces by Ion-Track Technology
- Authors: Kuvaytseva M.A.1, Apel P.Y.1
-
Affiliations:
- Объединенный институт ядерных исследований
- Issue: Vol 86, No 5 (2024)
- Pages: 608-624
- Section: Articles
- Submitted: 30.11.2024
- Accepted: 30.11.2024
- Published: 15.09.2024
- URL: https://ogarev-online.ru/0023-2912/article/view/271786
- DOI: https://doi.org/10.31857/S0023291224050088
- EDN: https://elibrary.ru/AARKQS
- ID: 271786
Cite item
Full Text
Abstract
In the last two decades, the creation and research of superhydrophobic nanomaterials based on the “lotus effect” have attracted great interest. The effect is caused by the heterogeneous wetting of rough surfaces, when the grooves of a rough surface are filled with air (vapour) and water only contacts the tops of the protrusions. The drop forms a sphere on the surface and, if slightly inclined, rolls down and picks up the dirt particles. A wide variety of methods have been developed to produce such materials, among which potential of the ion track technology (ITT) is being explored. The aim of this research was to investigate the wettability of surface microrelief using two materials with different initial hydrophobicity degrees. By modifying the surface of polycarbonate and polypropylene films using the ITT, the samples with water contact angles of 140 ± 5° and 151 ± 5° at maximum, respectively, were obtained. It is shown that such angles are characteristic of microrelief, where the fraction f of the surface that is in contact with the droplet is decreased to the range 0 < f < 0.3. In order to increase the probability of droplets rolling down the material surface in a certain direction, the materials with inclined microrelief were obtained. In this case, the wettability becomes anisotropic. The droplet loses its spherical shape, deforming in the direction of inclination of needle-like surface elements. It was found that the anisotropy of wettability is higher at an inclination angle of the relief elements of 45° than that at 30° (relative to the flat surface).
Full Text
ВВЕДЕНИЕ
Вода на супергидрофобном покрытии образует каплю с краевым углом больше 150° и быстро стекает, если поверхность слегка наклонить, захватывая при этом имеющиеся на поверхности частицы грязи и пыли. Разработки искусственных водо- и грязеотталкивающих материалов базируются на использовании этого механизма и рассматриваются как весьма перспективное и востребованное направление [1−3]. Такие практические приложения, как самоочищение [4], антиобледенение [5−7], антиобрастание [8], делают методы создания супергидрофобных поверхностей весьма популярными во всем мире.
Основными характеристиками гидрофобных поверхностей являются большой угол смачивания, его малый гистерезис (разница между углом натекания и оттекания) и низкая поверхностная энергия материала [9].
В настоящее время используют следующие основные методы создания поверхностных текстур, необходимых для достижения супергидрофобных свойств: полимеризация покрытия из растворов [10], химическое осаждение упорядоченных структур из паров [11], плазменное травление поверхности полимеров [12], нанесение пленок сублимирующихся материалов [13]. Также применяются: электронно-лучевое диспергирование в вакууме [14], электрохимическое осаждение наночастиц и пленок [15], наполнители с многомодальным распределением частиц по размерам [16], темплатные методы [17], фотолитография [18], травление поверхности материалов [19]. В случае некоторых из перечисленных методов проводится последующая обработка полученных материалов гидрофобными веществами.
Особый интерес представляют собой анизотропные гидрофобные поверхности, на которых капля скатывается в избранном направлении, обусловленном расположением элементов микрорельефа на поверхности материала. Такие поверхности можно получить с помощью литографии [20], механической обработки с последующим нанесением гидрофобных покрытий [21], золь-гель метода [22], газофазной полимеризации [23], а также ионно-трековой технологии.
Ионно-трековая технология (ИТТ) базируется на облучении ускоренными тяжелыми ионами, которые создают в материале протяженные дефекты (треки) [24, 25] с последующим химическим травлением, превращающим треки в пустотелые каналы. Преимущества метода ионных треков состоят в том, что он позволяет управлять числом элементов на поверхности материалов в очень широком диапазоне, а также варьировать углы наклона и глубину элементов рельефа. При использовании ИТТ доступны высокие аспектные отношения элементов рельефа. Техника же травления позволяет управлять формой элементов рельефа. В целом, все эти достоинства метода дают нам возможность управлять морфологией поверхности, что является одной из ключевых задач для достижения “эффекта лотоса”.
Об использовании пучков ускоренных ионов для получения несмачиваемых поверхностей сообщается в работах [26–28]. В статье [26] были получены гидрофобные поверхности ниобата лития с помощью облучения тяжелыми ионами, в результате чего образовывались случайно распределенные дефекты, похожие на шипы максимальной высотой ~ 14 нм. Образцы представляли собой вертикальные текстуры ионных треков с поверхностной плотностью от 1 × 109 до 6 × 1010 см–2. С целью гидрофобизации авторы прививали молекулы октадецилтрихлорсилана на поверхности полученных образцов. Наибольший угол натекания θнат был получен на образцах с плотностью дефектов 1 × 1010 см–2 и составил 113 ± 3°. Угол оттекания θотт составил 77 ± 3°, что указывает на очень большой гистерезис (Δθ) смачивания.
В статье [27] слои аморфного SiO2 облучали ионами свинца с энергией 0.63 МэВ/нуклон флюенсом 7 × 109 см–2. После этого облученные образцы травили в плавиковой кислоте (HF) и модифицировали перфторооктилтрихлорсиланом. В результате были получены “бугристые” шероховатые поверхности с θнат = 161 ± 3° и θотт = 157 ± 3°, Δθ = 4°.
Для настоящего исследования наиболее значимой работой является [28], в которой авторы получали поверхности с наклонной игольчатой асимметричной текстурой с помощью облучения материала тяжелыми ионами на ускорителе с последующей химической обработкой. В качестве исходной матрицы использовался поликарбонатный диск, который облучали ускоренными ионами под углом 30° флюенсами 5 × 107 и 1.2 × 107 см–2 и далее травили в 5M растворе NaOH с добавлением поверхностно-активного вещества. Полученные текстурированные поверхности гидрофобизировали плазменной обработкой в среде октафторциклобутана. Наклонная ориентация элементов микрорельефа поверхности приводила к тому, что углы натекания и оттекания зависели от направления распространения фронта жидкости. При значениях доли исходной поверхности f, лежащих в диапазоне от 0.64 до 0.1, исследователям удалось получить поверхности с довольно большими углами смачивания (порядка 170°), но с высокими значениями гистерезиса (около 30°). Только при достижении f ~ 0.02 гистерезис снизился до нескольких градусов. Анизотропия смачивания на полученных в работе образцах составила примерно 10°.
Целью настоящей работы было дальнейшее исследование возможностей ионно-трековой технологии для получения анизотропной гидрофобной поверхности полимера. В частности, была поставлена задача сравнить разные материалы матрицы и разные углы наклона рельефа.
Для исследований были выбраны два полимера – поликарбонат и полипропилен. Выбор поликарбоната позволит соотнести новые результаты с полученными ранее на этом же материале [28]. Выбор полипропилена обусловлен его изначальной гидрофобностью (угол смачивания водой >90°) и отличиями в геометрии травления трека [25], которые дают возможность изготовить текстурированную поверхность с иной, нежели на поликарбонате, морфологией.
МОДЕЛИ ФОРМИРОВАНИЯ ШЕРОХОВАТЫХ ПОВЕРХНОСТЕЙ ПРИ ТРАВЛЕНИИ МАССИВА ТРЕКОВ
В простейшем приближении процесс превращения трека в пору (пустотелый канал) описывается геометрической моделью, включающей только два параметра – скорость травления материала вдоль трека (VT) и скорость травления неповрежденного материала (VB). Соотношение V = VT/VB называют избирательностью травления треков. Скорость травления трека VT зависит от типа иона (удельных потерь энергии), сенсибилизации трека перед травлением, вида полимера, состава травителя и температуры. Скорость травления материала VB зависит от трех последних факторов [29]. Различные материалы, в том числе и полимеры, различаются по чувствительности к воздействию тяжелых ионизирующих частиц, что приводит к сильным различиям в абсолютных величинах избирательности травления. Помимо этого, избирательностью травления треков можно управлять, изменяя условия травления – состав раствора, концентрацию активного вещества в нем, а также температуру. В некоторых полимерах можно существенно увеличить скорость травления треков, сохраняя неизменной скорость травления неповрежденного материала при помощи так называемой сенсибилизации – определенной физико-химической обработки, проводимой перед операцией травления.
Форма образующихся фигур травления зависит от отношения VT/VB. Если VT/VB мало, трек в процессе травления превращается в конус, если же VT/VB велико (вплоть до 1000 и выше) – в цилиндр. Последнее характерно в случае бомбардирующих ионов большой массы с энергией порядка 1 МэВ/нуклон (т.к. чем выше потери энергии частицы, тем выше VT) и таких полимеров, как полиэтилентерефталат, поликарбонат и некоторые другие. Соответствующая иллюстрация приведена на рис. 1.
Рис. 1. Геометрия травления трека в однородном материале с высокой (а) и низкой (б) избирательностью [29]. Форма образующегося при травлении трека углубления определяется соотношением скоростей травления вдоль трека (VT) и травления неповрежденного материала (VB), а также длиной пробега частицы в материале. R – пробег иона в материале, φ – угол при вершине вытравливаемого конуса (определяется величиной избирательности травления φ = 2 arcsin V). В случае (а) угол φ принимается пренебрежимо малым
Другая важная характеристика, которую необходимо упомянуть в связи с задачей формирования заданного микрорельефа поверхности, – это длина пробега иона до полной остановки. Длина пробега зависит в первую очередь от энергии E ионов и составляет 15–20 мкм при E = 1 МэВ/нуклон [31]. Длина пробега R фактически определяет максимальную глубину рельефа Hr, которая может быть получена при использовании данного иона данной энергии. На рис. 1а трек протравлен на всю длину. Образовавшаяся фигура травления состоит из цилиндрической части, длина которой соответствует пробегу иона за вычетом толщины слоя, стравленного с поверхности, и полусферического “дна”. Последнее формируется в процессе изотропного травления материала из точки, где остановился ион. Радиус полусферы не может быть больше толщины стравленного слоя, VBt, где t – время травления. Таким образом, при высокой избирательности травления глубина рельефа определяется пробегом иона (Hr = R) и сохраняется почти неизменной в течение определенного интервала времени травления (t < t3), как показано на рис. 2б. При слиянии боковых поверхностей цилиндрических каналов поверхность материала разбивается на множество горизонтальных “островков” (t1, t2), суммарная площадь которых уменьшается по мере травления (f(t2) < f(t1)). Рельеф состоит из постепенно утончающихся вертикальных столбиков, которые лавинообразно исчезают при таком времени травления, когда величина VBt становится сравнимой со средним расстоянием между треками (t > t3). На рис. 2а показаны все последовательные фазы эволюции рельефа.
Рис. 2. Формирование шероховатых поверхностей и их постепенная эволюция при травлении перпендикулярного массива треков с высокой (а) и низкой (б) избирательностью травления. Обозначения поясняются в тексте
При низкой избирательности травления развитие рельефа происходит иначе. На первом этапе формируется массив конических углублений. При этом сохраняется часть плоской поверхности, параллельной исходной (рис. 2б). Глубина рельефа растет по мере травления в соответствии с соотношением
. (1)
Дальнейшее травление приводит к тому, что входные отверстия конических углублений сливаются. На этом втором этапе рельеф состоит из острых (пирамидообразных) столбиков и не содержит горизонтальных элементов. Эволюция рельефа сводится к движению фронта травления вглубь от исходной поверхности. Глубина и форма рельефа остаются неизменными на протяжении всего второго этапа. Используя простые геометрические построения, можно показать, что глубина рельефа на втором этапе травления определяется соотношением
, (2)
где n – число треков на единице площади поверхности. Глубина рельефа зависит от избирательности травления и поверхностной плотности треков и, таким образом, может задаваться варьированием этих двух параметров. Заметим, что формула (2) справедлива для регулярного распределения треков по поверхности. При случайном распределении, что имеет место на практике, формула существенно усложняется. Тем не менее соотношение (2) может быть использовано как полуколичественное приближение. В момент, когда травление достигнет конца пробега ионов (t = R/VT), наступает третья фаза эволюции рельефа. Она характеризуется тем, что движение дна рельефа резко замедляется до скорости VB, тогда как верхняя граница продолжает двигаться со скоростью VT. Этот процесс приводит к быстрому уменьшению высоты рельефа, согласно соотношению:
, (3)
которое преобразуется к виду:
. (4)
Соотношение (4) справедливо при времени травления
. (5)
В конечной фазе, то есть при времени t > , формируется неглубокий рельеф, образованный множеством сферических фрагментов, радиус которых увеличивается с увеличением времени травления. На этой стадии характер поверхности для случаев с высокой и низкой избирательностью травления треков одинаков. Очевидно, что относительная продолжительность выявленных фаз эволюции рельефа зависит от соотношения параметров n, VB, V и R. Так, с ростом n и R увеличивается продолжительность второй фазы, характеризующейся постоянной глубиной и геометрией рельефа.
При рассмотрении процессов смачиваемости важной характеристикой является доля площади поверхности f, принадлежащая горизонтальным островкам сформированного рельефа. В случае, когда рельеф образован массивом случайно расположенных круглых отверстий, частично сливающихся друг с другом, справедливо следующее соотношение [24, 28, 32]
, (6)
где r – радиус отверстий, рассчитываемый как . Очевидно, что при высокой избирательности травления треков формула (3) преобразуется к виду:
. (7)
Соответственно, доля поверхности F, где материал удален, определяется выражением:
. (8)
Метод травления треков позволяет создавать наклонный рельеф, если облучение материала производить не перпендикулярно, а под определенным углом к поверхности. Этот вариант иллюстрируется рис. 3. Геометрические модели развития рельефа могут быть легко модифицированы для массива наклонных треков. Так, выражения для долей оставшейся и удаленной поверхности запишутся в виде
. (9)
. (10)
Рис. 3. Формирование шероховатых поверхностей при травлении наклонного массива треков с высокой (а) и низкой (б) избирательностью травления
Проведенный нами анализ показывает, что использование метода травления треков в диэлектриках открывает широкие возможности для создания микро- или наноструктурированного рельефа с целью изменения смачиваемости материалов. Основные характеристики рельефа – глубина, среднее расстояние между выступами, форма выступов, доля смачиваемой поверхности – могут задаваться условиями облучения и химического травления. Для реализации этих возможностей мы выбрали два полимерных материала – поликарбонат (ПК) и полипропилен (ПП), травление треков в которых хорошо изучено. При травлении поликарбоната выполняется условие VT >>VB, и, следовательно, формируются цилиндрические треки [30]. К этому материалу могут быть отнесены все вышеприведенные рассуждения, касающиеся случая с высокой избирательностью травления. В работе [33] приведены подробные сведения о травлении треков тяжелых ионов в полипропилене и показано, что отношение VT/VB находится в диапазоне от 2 до 30 в зависимости от условий. Таким образом, полипропилен является материалом, к которому применимы соотношения, выведенные для случая низкой избирательности травления.
МАТЕРИАЛЫ И МЕТОДЫ
В качестве исходных матриц использовали пленки из поликарбоната (LOFO, Германия) плотностью 1.15 г/см3 и номинальной толщиной 100 мкм. Пленки облучали ускоренными на циклотроне У-400 Лаборатории ядерных реакций им. Г.Н. Флерова Объединенного института ядерных исследований ионами криптона с полной энергией ~250 МэВ под углами 90 и 45° к поверхности. Флюенс ионов составлял 1×108 см–2. Химическое травление облученной пленки для получения шероховатой поверхности проводили при температуре 60°С в водном растворе гидроксида натрия с концентрацией 6 моль/л по методике [34]. Характерной особенностью поликарбонатных пленок, изготавливаемых методом полива, является неодинаковость сторон. В связи с этим в настоящей работе все манипуляции и измерения проводили только с одной (глянцевой) стороны.
Второй материал, который использовался для исследований, – двухосноориентированная полипропиленовая пленка Torayfan (Toray Co., Япония) плотностью 0.92 г/см3 и толщиной 30 мкм. Пленку облучали ускоренными на циклотроне ИЦ100 ионами криптона с полной энергией ~100 МэВ под углами 45 и 30° к поверхности. Флюенс ионов составлял 1×107 см–2. Химическое травление облученной пленки проводили при температуре 80°C в растворе 40%-й серной кислоты с концентрацией оксида хрома (VI) 250 г/л по методике [33]. Пробеги ионов в материалах были вычислены с помощью программы SRIM [35]. Характеристики используемых пленок и условия их обработки для создания рельефа приведены в табл. 1.
Таблица 1. Виды пленок, их характеристики, параметры облучения и химического травления
Тип пленки | Поликарбонат (ПК) | Полипропилен (ПП) |
Коммерческое название | Pokalon (фирма LOFO) | Torayfan (фирма Toray) |
Страна-производитель | Германия | Япония |
Толщина (L), мкм | 100 | 30 |
Поверхностная плотность треков n, см–2 | 1×108 | 1×107 |
Углы облучения (α), ° | 90, 45 | 45, 30 |
Длина пробега иона (R), мкм | 47 | 25 |
Состав травящего раствора | 6 M NaOH | 250 г/л CrO3 в 40% H2SO4 |
Температура травления, °С | 60 ± 1 [34] | 80 ± 1 [33] |
Плотность полимера (ρ), г/см3 | 1.15 | 0.92 |
Травление образцов пленок размером 33 × 55 мм, закрепленных в тефлоновых держателях, проводили в термостатируемых стаканах. Держатели с образцами предварительно нагревали до температуры травильного раствора. После травления образцы промывали в деионизированной воде, сушили на воздухе и хранили на воздухе при комнатной температуре. Измерение углов смачивания проводили через 1–3 суток после травления.
Смачиваемость поверхности образцов характеризовали значениями равновесных краевых углов, измеренными с помощью установки “Easy Drop DSA100” (KRUSS, Germany) и программного обеспечения Drop Shape Analysis V.1.90.0.14. На каждый образец наносили 5 капель объемом 3 мкл, каждая из которых обрабатывалась программой 15 раз в секунду в течение 2 сек. Для измерений использовали особо чистую деионизированную воду с удельным сопротивлением 18.2 МОм × см.
На образцах с наклонным рельефом проекцию капли получали при помощи луча света, проходящего параллельно поверхности пленки в двух взаимно перпендикулярных направлениях. В первом случае луч был параллелен проекции на поверхность пленки траектории падения ионов на образец (иными словами, параллелен горизонтальной проекции направления рельефа образца, 1-й способ). Во втором случае луч света направляли перпендикулярно данной проекции (2-й способ) (рис. 4а). Наблюдали каплю асимметричной формы, у которой краевой угол (КУ) слева (θL) и краевой угол справа (θR) отличались друг от друга (рис. 4б). Измеряли оба угла. Для образцов, облученных перпендикулярно к поверхности, ориентация капли относительно луча не имела значения, поскольку капля была симметричной.
Рис. 4. а) способы измерения краевых углов, вид сверху (стрелкой указана горизонтальная проекция направления рельефа образца); б) измеряемые углы на анизотропной поверхности полимера при втором способе измерения: θL – КУ слева, θR – КУ справа
Исследование микроструктуры образцов проводили с помощью растровых электронных микроскопов JSM-840 (JEOL) и “HITACHI” SU-8020 (Japan). Образцы перед просмотром покрывали тонким (10–20 нм) слоем проводящих материалов (золото или платино-палладиевый сплав).
Значения величины f находили суммированием площадей, оставшихся от исходной поверхности “островков” на электронных микрофотографиях в программе Solid Works [36] и последующим отнесением полученной величины к общей площади изображения.
РЕЗУЛЬТАТЫ И ИХ ОБСУЖДЕНИЕ
Согласно литературным источникам, углы смачивания поликарбоната и полипропилена лежат в пределах от 72 до 83° [34] и от 95 до 98° [33, 37] соответственно. Широкий разброс данных может быть связан с тем, что в приведенных работах исследовали полимерные образцы различного происхождения. На наших исходных пленках ПК и ПП средние значения КУ составили 83 и 96°, то есть соответствовали известным из литературы диапазонам.
Исследование микроструктурированной поверхности на поликарбонатной пленке
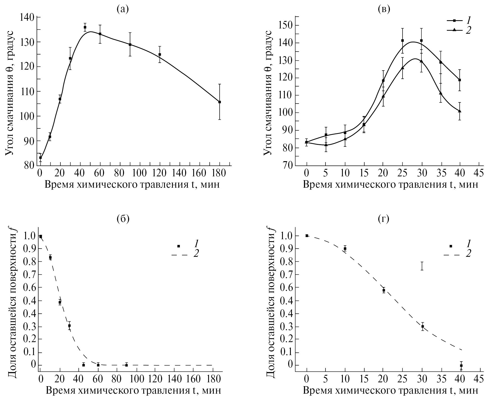
На рис. 5а приведены результаты измерения краевых углов смачивания поликарбонатной пленки с микрорельефом, элементы которого ориентированы перпендикулярно исходной поверхности. Образцы, облученные ионами под углом 90° к поверхности, не проявляли анизотропии смачивания.
Рис. 5. Характеристики рельефов, полученных при травлении поликарбоната, облученного под углом 90° (а, б) и 45° (в, г). а, в) зависимости краевых углов от времени травления (гладкие кривые проведены от руки); б, г) зависимости доли оставшейся поверхности от времени травления: 1 – экспериментальные данные, 2 – аппроксимирующие кривые, построенные при значениях VB = (2.15 ± 0.16) × 10–6 (б) и (1.79 ± 0.18) × 10–6 см/мин (г). Здесь и в подписи рис. 8 указаны два стандартных отклонения для величины VB. На графике (в) приведены значения КУ слева (1) и справа (2)
Максимальный краевой угол на облученном образце поликарбоната достигается спустя 45–60 мин травления и далее начинает быстро снижаться, что, скорее всего, свидетельствует о том, что вслед за быстрым развитием микрорельефа начинается его разрушение в соответствии с моделью (рис. 2а). Согласно рис. 2а, правая ветвь зависимости краевого угла от времени травления соответствует рельефу, глубина которого практически одинакова и примерно равна пробегу ионов в поликарбонате (~ 47 мкм). На начальной стадии травления угол смачивания растет по мере уменьшения доли оставшейся поверхности, как это следует из модели Касси–Бакстера для гладкой поверхности с глубокими порами [2]. Зависимость доли оставшейся поверхности от времени показана на рис. 5б и включает экспериментальные точки, полученные при обработке электронно-микроскопических изображений, а также аппроксимирующие кривые. Последние получали подгонкой к экспериментальным данным зависимости, описываемой формулой (7), в программном пакете Origin, используя VB как подгоночный параметр. При приближении доли оставшейся поверхности к нулю угол смачивания проходит через максимум и далее медленно уменьшается, оставаясь при этом заметно больше исходного, что связано, по-видимому, с наличием на поверхности острийных структур. Они имеются на поверхности даже на стадии t > t3, что может быть обусловлено стохастическим распределением треков. В отличие от идеализированной модели (рис. 2а), расстояния между треками неодинаковые, в результате чего среди острийных выступов встречаются достаточно высокие, на которых лежит капля. На этой стадии эволюции рельефа характер взаимодействия воды с поверхностью, по-видимому, изменяется и переходит в гетерогенный режим смачивания шероховатой поверхности с частичным заполнением пор.
Основываясь на электронных микрофотографиях поверхностей, необходимо сделать существенное замечание относительно эволюции топологии рельефа. При коротких временах травления рельеф представляет собой систему индивидуальных углублений с большим аспектным отношением, внутрь которых при смачивании захватывается воздух. Это важный фактор, от которого зависит краевой угол. При более длительном травлении углубления начинают сливаться. Рельеф превращается в массив “столбиков” или “ворсинок”; пустоты в промежутках соединены между собой. Воздух, находящийся между элементами рельефа, может перемещаться в боковом направлении, и поэтому пустоты должны легче заполняться водой. Иными словами, вытравливаемый объем вначале представляет собой несвязное пространство (левые ветви на графиках 5а и 5в), а впоследствии – связное пространство (правые ветви). Переход от первой конфигурации ко второй происходит раньше, чем f достигает нулевого значения.
Измерения краевых углов для образцов поликарбонатной пленки, облученной под углом 45°, сделанные вторым способом, представлены на рис. 5в. Характерно, что средние значения краевых углов θL и θR достоверно различаются практически на всех стадиях эволюции рельефа, хотя и характеризуются большим разбросом.
Как видно на рис. 6а, в случае образцов, облученных под углом, отверстия, образующиеся на поверхности материала в процессе травления, имеют эллиптическую форму. Из графика зависимостей краевых углов от времени химического травления (рис. 5в) видно, что максимальный угол смачивания достигается уже при 25–30 мин химического травления, когда доля оставшейся поверхности составляет f ~ 0.35 (рис. 5г). При временах травления ~ 40 мин поверхность ПК начинает заметно “лысеть”, что иллюстрирует микрофотография на рис. 6г. На этой стадии угол смачивания резко уменьшается, оставаясь, однако, заметно больше исходного. При измерениях краевых углов на образцах с наклонным рельефом было замечено, что капли самопроизвольно “ползут” по направлению наклона “ворсинок” или острий. Это объясняется явным различием левого и правого угла (рис. 4б и рис. 7), что приводит к возникновению скатывающей силы.
Рис. 6. Электронные фотографии микроструктурированных поверхностей, полученных при травлении поликарбоната, облученного ионами под углом 45° в течение: 10 (а), 20 (б), 30 (в) и 40 (г) мин. Размер масштабной черты 10 мкм (а–г)
Рис. 7. Фотография капли на анизотропной поверхности поликарбоната. В верхней части изображения виден конец иглы, относительно которого капля самопроизвольно сдвинулась влево
Исследование микроструктурированной поверхности на полипропиленовой пленке
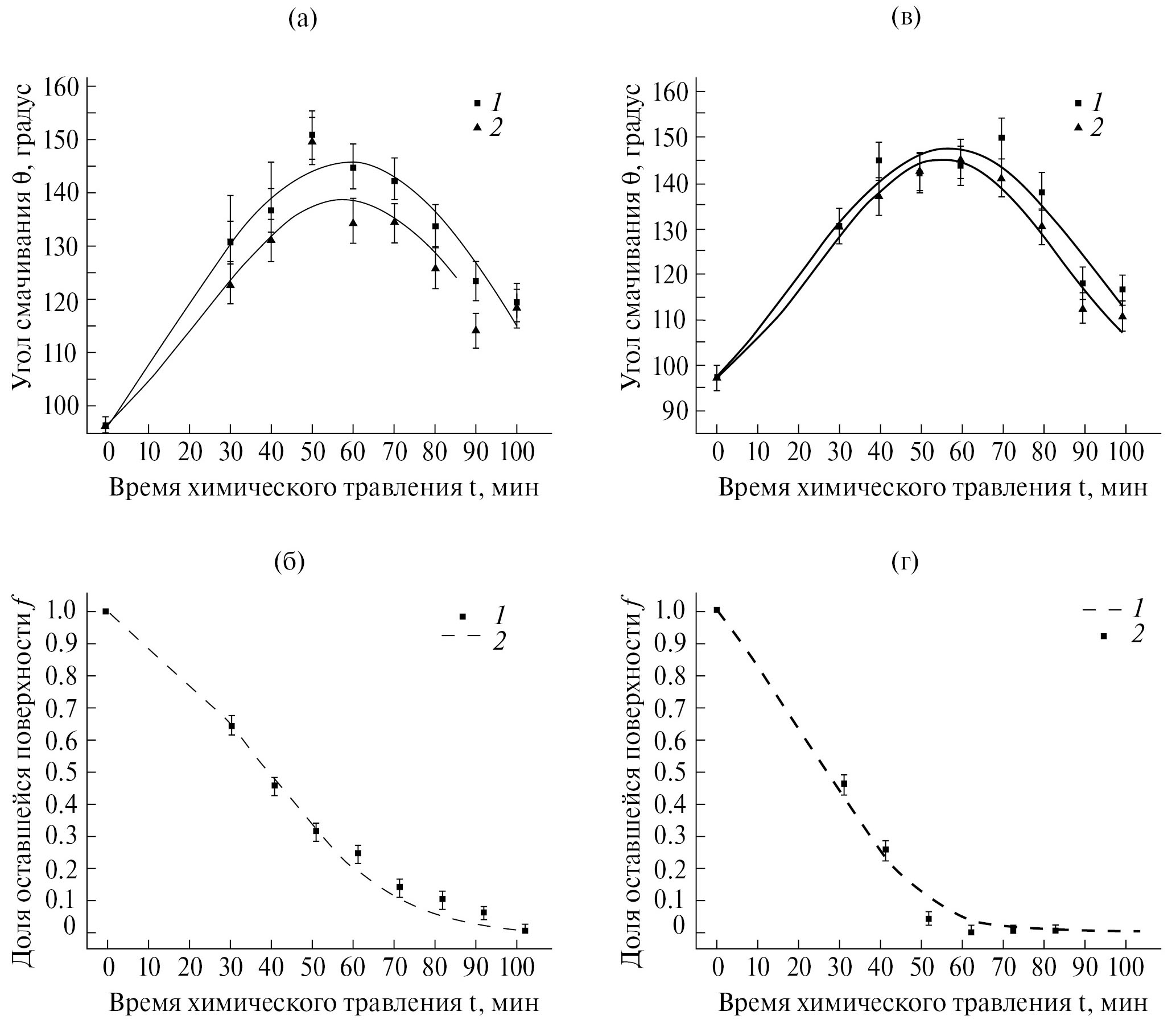
На рис. 8а и 8в приведены результаты измерения углов смачивания образцов, полученных в результате травления пленки ПП, облученной под косым углом.
Рис. 8. Характеристики рельефов, полученных при травлении полипропилена, облученного под углом 45° (а, б) и 30° (в, г). а, в) зависимости краевых углов от времени травления. Гладкие кривые проведены от руки. На графиках приведены значения КУ слева (1) и справа (2). б, г) зависимости доли оставшейся поверхности от времени травления: 1 – экспериментальные данные, 2 – аппроксимирующие кривые, построенные при значениях VB = (4.98 ± 0.22) × 10–6 (б) и (4.98 ± 0.28) × 10–6 см/мин (г)
Из сравнения результатов для двух разных полимеров (рис. 5а, 5в) и (рис. 8а, 8в) видно, что максимальный полученный угол смачивания на ПП больше, чем на ПК, примерно на 10°. Он приближается к 150° и наблюдается при доле, оставшейся поверхности около 0.2.
Из графика на рис. 8в видно, что для рельефа, наклоненного под косым углом к поверхности (30°), практически не наблюдается анизотропии смачивания. Характерно, что в диапазоне от 40 до 70 мин травления угол смачивания изменяется незначительно, в то время как доля оставшейся поверхности существенно уменьшается от 0.25 до 0 (рис. 8б). Вероятно, это связано с тем, что обращенные наружу боковые поверхности наклонных пирамидообразных выступов ориентированы под малым углом к исходной поверхности. Поэтому условия смачивания сохранившихся участков исходной поверхности и упомянутых боковых поверхностей различаются мало.
В отличие от рельефа на поликарбонате, глубина рельефа на полипропилене по мере травления плавно растет от нуля до величины, грубо определяемой формулой (2), а затем начинает снижаться, следуя схеме на рис. 2б. Две серии микрофотографий на рис. 9 демонстрируют эволюцию наклонного рельефа на полипропиленовой пленке. Максимальная глубина рельефа составляет примерно 10 мкм. При достаточно продолжительном травлении высота шероховатостей уменьшается до нескольких микрометров (рис. 9з).
Рис. 9. Электронные фотографии микроструктурированных поверхностей, полученных травлением полипропилена, облученного под углом 45° (а–г) и 30° (д–з). Время травления: 20 (а), 30 (д), 40 (б, е), 50 (ж), 60 (в), 75 (г) и 80 (з) мин. а–г) изображения сколов; д–з) фронтальные поверхности. Размер масштабной черты 20 мкм (а–г) и 10 мкм (д–з)
Для более полного понимания процесса смачивания рассматриваемых нами двух материалов необходимо также рассмотреть вопрос о рельефе поверхности в нанометровом диапазоне. Известно, что поликарбонат образует аморфные пленки, в то время как двухосноориентированные пленки из изотактического полипропилена характеризуются высокой степенью кристалличности. Химическое травление первых характеризуется гладким фронтом, в то время как травление вторых выявляет кристаллические и аморфные домены, типичный масштаб которых составляет 20–30 нм [38]. Микрофотографии на рис. 10 иллюстрируют упомянутые особенности ПК и ПП. Поверхность поликарбоната лишена каких-либо неровностей, детектируемых при данном увеличении (рис. 10а), в то время как на поверхности полипропилена вскрылась нанокристаллическая структура (рис. 10б). Таким образом, получаемый методом ИТТ рельеф поверхности полипропилена имеет бимодальную шероховатость – на микрометровом уровне за счет травления треков и на нанометровом уровне за счет морфологии самого материала. Тем самым в случае ПП мы имеем аналогию с некоторыми супергидрофобными поверхностями природного происхождения [3].
Рис. 10. Электронные микрофотографии подвергнутых химическому травлению в течение 20 мин необлученных поликарбоната (а) и полипропилена (б). Образцы наклонены под углом 45° к электронному пучку
Следует заметить, что в случае обоих полимеров химическое травление приводит к образованию на поверхности полярных групп, в основном карбоксильных [39, 40], что способствует противоположному эффекту – росту гидрофильности. Тем не менее эти же полярные группы могут быть использованы для химической прививки гидрофобного агента [41, 42].
Максимум на зависимостях краевого угла от времени травления более широкий в случае полипропилена, что и ожидалось вследствие различий в геометрии травления треков в ПК и ПП. Для практических применений поведение полипропилена предпочтительно, так как свойства получаемой поверхности не зависят критическим образом от длительности химической обработки.
Из модели Касси–Бакстера для плоской поверхности с глубокими порами следует, что угол смачивания должен принимать максимальное значение при стремлении величины f к нулю. В наших экспериментах наибольший угол смачивания, как правило, наблюдался на несколько более ранних стадиях эволюции микрорельефа, когда величина f еще не достигала 0. Вероятно, это связано с неоднородностью рельефа, обусловленной стохастическим распределением треков на поверхности, а также уже упомянутыми изменениями топологических свойств рельефа. Остается также открытым вопрос о возможной деформации элементов рельефа лежащей каплей [43].
Требует обсуждения вопрос о том, почему на поликарбонате с углом смачивания <90° вода не проникает в глубину между элементами рельефа в широком интервале значений f, причем это состояние оказывается достаточно стабильным (десятки мин). Нельзя полностью исключить некоторой гидрофобизации поверхности неконтролируемыми загрязнениями из окружающего воздуха. Другим важным фактором является специфическая особенность поликарбонатных пленок, которая заключается в неоднородности по глубине. В отличие от идеализированных схем на рис. 1а и 2а, каналы пор в поверхностном слое толщиной около 2 мкм расширяются по мере удаления от поверхности. Этот эффект известен для поликарбонатных пленок различного происхождения. Он обнаруживается для пор нанометрового [44], субмикронного [34, 39] и микрометрового [45] диапазонов. На рис. 11 приведено электронно-микроскопическое изображение среза поликарбонатной пленки с низкой плотностью пор, на котором хорошо видна конфигурация входных участков каналов пор. Похожая конфигурация описана в работе [46], где наблюдали гидрофобное поведение поверхности гидрофильного материала со сферическими впадинами. Проникновение воды внутрь впадины должно сопровождаться увеличением площади поверхности мениска, что механически невыгодно. Возможность формирования гидрофобных и даже супергидрофобных поверхностей на материалах с углом θ0 < π/2 и свойства рельефа, необходимые для достижения этих эффектов, были описаны ранее в работе [47]. Более подробные теоретические обоснования можно найти в оригинальных работах и обзорах [48–51]. Экспериментальные подтверждения получены в работах [52, 53]. Последний пример особенно интересен тем, что посвящен исследованию свойств лотоса: для гладкой поверхности вещества, покрывающего его листья, найдено значение θ0 = 74.0 ± 8.5°. Таким образом, формирование водоотталкивающих свойств изначально гидрофильной поверхности за счет специфического рельефа – явление известное, природа которого состоит в том, что эти свойства термодинамически неравновесны [47].
Рис. 11. Срез поликарбонатной пленки с параллельными “трековыми” каналами. Плотность треков 2 × 104 см–2
На стадии развития рельефа, когда он состоит из длинных тонких ворсинок (структуры на рис. 6б и 6в), возможен и механизм, описанный в [54]. Ворсинки из гидрофильного материала деформируются капиллярными силами, и их кончики, собираясь в пучки, удерживают смачивающую их воду на расстоянии от сплошной поверхности. Такое состояние соответствует локальному минимуму энергии. По-видимому, если стенки пор сохраняют свою гидрофильность, то в обоих обсуждаемых случаях наблюдаемые нами состояния метастабильны [2]. Несмачиваемость системы глубоких пор, расширяющихся ко дну и заполненных воздухом в течение длительного времени, является следствием высокого энергетического барьера для перехода от метастабильного состояния несмачивания к термодинамически устойчивому смачиванию.
Микрорельеф, состоящий из наклонных элементов, обеспечивал анизотропию смачиваемости на обоих исследованных материалах. Анизотропия ярко сказывается на форме анализируемой капли. Асимметричная капля на анизотропном рельефе находится в метастабильном состоянии и при малых возмущениях смещается вдоль поверхности. Увеличение угла наклона элементов рельефа (от 45 к 60° по отношению к нормали) на полипропилене не привело к увеличению анизотропии смачивания. Подробное исследование поверхностей, облученных ионами под разными углами, представляет интерес для дальнейшего исследования.
Природа анизотропии на поверхностях с наклонными элементами рельефа может быть качественно объяснена в рамках имеющихся представлений и изложенных, например, в [55]. На рис. 12 представлена схема формирования асимметричной капли, достаточно малой, чтобы пренебречь силами гравитации. Прохождение линии трехфазного контакта по наклонным элементам рельефа приводит к тому, что при одинаковых истинных углах смачивания на левой и правой гранях острий (θ0) кажущийся макроскопический угол смачивания относительно горизонтальной поверхности принимает разные значения (θL и θR на рисунке).
Рис. 12. Профиль левой и правой сторон нижней части капли на поверхности, имеющей игольчатые элементы шероховатости
Помимо различных углов наклона рельефа, остается не исследованным влияние другого фактора – расстояния между отдельными элементами рельефа. При стохастическом распределении треков на поверхности среднее расстояние между осями двух ближайших треков определяется формулой [32]:
, (11)
где n – число треков на единице площади поверхности. На стадиях травления, когда на поверхности сформировался массив отдельных “острий” (рис. 2а, стадии t > t2; рис. 2б стадии H2 и далее), для оценки среднего расстояния между ними можно также применить формулу (11). Учитывая, что ионно-трековая технология позволяет варьировать величину n в пределах примерно от 104 до 1011 см–2, доступный диапазон средних расстояний между элементами рельефа составит от 16 нм до 50 мкм. Функция распределения расстояния l до ближайшего соседа w(l) также известна [32], что позволит при необходимости построить математическое описание получаемого рельефа. Другой важный параметр – глубина рельефа – определяется длиной пробега ионов в данном материале, временем травления и углом входа ионов. Современные ускорители, применяемые для прикладных задач, дают пучки тяжелых ионов с удельной энергией 1–2 МэВ/нуклон [56], что соответствует длине пробега в полимерах 20–30 мкм. Создание рельефа такой глубины представляет собой рутинную задачу, а площади обрабатываемых поверхностей могут составлять тысячи квадратных метров.
ЗАКЛЮЧЕНИЕ
Настоящая работа посвящена исследованию возможностей ионно-трековой технологии для создания шероховатости и управления смачиваемостью полимерных поверхностей. На примере двух различающихся по химическому составу и строению полимеров – поликарбоната и полипропилена – показаны варианты рельефов, получаемых облучением ускоренными тяжелыми ионами и последующим химическим травлением образовавшихся треков. Рельефы характеризуются глубиной в 10–40 мкм, высоким аспектным отношением и возможностью регулировать угол наклона элементов рельефа относительно исходной поверхности. Предложены модели, описывающие эволюцию рельефов по мере распространения фронта травления. Эти модели, однако, применимы на практике с ограничениями, связанными с неоднородностью используемых полимерных материалов и стохастическим распределением треков по поверхности. Показано, что поверхности с наклонным рельефом проявляют анизотропию смачиваемости, при этом краевые углы с противоположных сторон капли могут различаться на 5–15°. По мере развития рельефа в процессе травления эффективный краевой угол вначале увеличивается (состояние Касси), затем проходит через максимум и далее уменьшается по мере уменьшения высоты выступов. На более гидрофобном материале (полипропилене) получены углы смачивания, достигающие 140–150°.
БЛАГОДАРНОСТИ
Авторы благодарят Н. Е. Лизунова и О. Л. Ореловича за проведение электронно-микроскопических исследований.
ФИНАНСИРОВАНИЕ РАБОТЫ
Данная работа финансировалась за счет средств бюджета ОИЯИ. Никаких дополнительных грантов на проведение или руководство данным конкретным исследованием получено не было.
СОБЛЮДЕНИЕ ЭТИЧЕСКИХ СТАНДАРТОВ
В данной работе отсутствуют исследования человека или животных.
КОНФЛИКТ ИНТЕРЕСОВ
Авторы заявляют, что у них нет конфликта интересов.
About the authors
M. A. Kuvaytseva
Объединенный институт ядерных исследований
Author for correspondence.
Email: kuvaytseva@jinr.ru
Russian Federation, Дубна
P. Yu. Apel
Объединенный институт ядерных исследований
Email: kuvaytseva@jinr.ru
Russian Federation, Дубна
References
- Blossey R. Self-cleaning surfaces – virtual realities // Nature Materials 2. 2003. P. 301−306. https://doi.org/10.1038/nmat856
- Бойнович Л.Б., Емельяненко А.М. Гидрофобные материалы и покрытия: принципы создания, свойства и применение // Успехи химии. 2008. Т. 77. № 7. С. 619–638.
- Yan Y.Y., Gao N., Barthlott W. Mimicking natural superhydrophobic surfaces and grasping the wetting process: A review on recent progress in preparing superhydrophobic surfaces // Adv. in Coll. and Int. Science. 2011. V. 169. № 2. P. 80–105. https://doi.org/10.1016/j.cis.2011.08.005
- Кийко П.И., Черных Т.Н., Ульрих Д.В., Криушин М.В. Механизмы создания самоочищающихся строительных материалов // Известия высших учебных заведений. Строительство. 2021. № 6. С. 61–69. https://doi.org/10.32683/0536-1052-2021-750-6-61-69
- Шилова О.А., Цветкова И. Н., Красильникова Л.Н., Ладилина Е.Ю., Любова Т.С., Кручинина И.Ю. Синтез и исследование супергидрофобных, антиобледенительных гибридных покрытий // Транспортные системы и технологии. 2015. Т. 1. № 1. С. 91–98.
- Бойнович Л.Б., Емельяненко А.М. Методы борьбы с обледенением ЛЭП: перспективы и преимущества новых супергидрофобных покрытий // Электро. 2011. № 6. С. 9–17.
- Красильникова Л.Н., Цветкова И.Н., Окованцев А.Н., Шилова О.А. Органосиликатные покрытия как современный способ противодействия обледенению // Физика и химия стекла. 2018. Т. 44. С. 97. https://doi.org/10.31857/S0132665120010114
- Уколов А.И., Попова Т.Н. Эффективность применения коммерческих супергидрофобных покрытий в приложениях морской индустрии // Коллоид. журн. 2022. Т. 84. № 4. С. 475–487. https://doi.org/10.31857/S0023291222600614
- Бойнович Л.Б. Супергидрофобные покрытия – новый класс полифункциональных материалов // Вестник РАН. 2013. Т. 83. № 1. С. 10–22. https://doi.org/10.7868/S0869587313010039
- Chiou N.R., Lu C., Guan J., Lee L.J., Epstein A.J. Growth and alignment of polyaniline nanofibres with superhydrophobic, superhydrophilic and other properties // Nat. Nanotechnol. 2007. V. 2. № 6. P. 354–357. https://doi.org/10.1038/nnano.2007.147
- Wang Z., Ci L., Chen L., Nayak S., Ajayan P. M., Koratkar N. Polarity-dependent electrochemically controlled transport of water through carbon nanotube membranes // Nano Lett. 2007. V. 7. № 3. P. 697–703. https://doi.org/10.1021/nl062853g
- Tsougeni K., Tserepi A., Boulousis G., Constantoudis V., Gogolides E. Tunable poly(dimethylsiloxane) topography in O2 or Ar plasmas for controlling surface wetting properties and their ageing // Jpn. J. Appl. Phys. Part 1. 2007. V. 46. № 2R. P. 744. https://doi.org/10.1143/JJAP.46.744
- Nakajima A., Hashimoto K., Watanabe T., Takai K., Yamauchi G., Fujishima A. Transparent superhydrophobic thin films with self-cleaning properties // Langmuir. 2000. V. 16. № 17. P. 7044–7047. https://doi.org/10.1021/la000155k
- Кравец Л.И., Ярмоленко М.А., Рогачев А.В., Гайнутдинов Р.В., Алтынов В.А., Лизунов Н.Е. Формирование на поверхности трековых мембран гидрофобных и супергидрофобных покрытий с целью создания композиционных мембран для опреснения воды // Коллоид. журн. 2022. Т. 84. № 4. С. 433–452. https://doi.org/10.31857/S0023291222040085
- Li M., Zhai J., Liu H., Song Y., Jiang Y., Zhu D. Electrochemical deposition of conductive superhydrophobic zinc oxide thin films // J. Phys. Chem. B. 2005. V. 107. № 37. P. 9954–9957. https://doi.org/10.1021/jp035562u
- Bravo J., Zhai L., Wu Z., Cohen R.E., Rubner M.F. Transparent superhydrophobic films based on silica nanoparticles // Langmuir. 2007. V. 23. № 13. P. 7293–7298. https://doi.org/10.1021/la070159q
- Li Y., Li C., Cho S.O., Duan G., Cai W. Silver hierarchical bowl-like array: Synthesis, superhydrophobicity, and optical properties // Langmuir. 2007. V. 23. № 19. P. 9802–9807. https://doi.org/10.1021/la700847c
- Oner D., McCarthy T.J. Ultrahydrophobic surfaces. Effects of topography length scale on wettability // Langmuir. 2000. V. 16. № 20. P. 7777–7782. https://doi.org/10.1021/LA000598O
- Wang M.F., Raghunathan N., Ziaie B. A nonlithographic top-down electrochemical approach for creating hierarchical (micro−nano) superhydrophobic silicon surfaces // Langmuir. 2007. V. 23. № 5. P. 2300–2303. https://doi.org/10.1021/la063230l
- He B., Patankar N., Lee J. Multiple equilibrium droplet shapes and design criterion for rough hydrophobic surfaces // Langmuir. 2003. V. 19. № 12. P. 4999–5003. https://doi.org/10.1021/la0268348
- Sheng X., Zhang J. Directional motion of water drop on ratchet-like superhydrophobic surfaces // Applied Surface Science. 2011. V. 257. № 15. P. 6811–6816. https://doi.org/10.1016/j.apsusc.2011.03.002
- Xu Q., Wang J., Smith I., Sanderson K. Directing the transportation of a water droplet on a patterned superhydrophobic surface // Applied Physics Letters. 2008. V. 93. P. 233112. https://doi.org/10.1063/1.3039874
- Malvadkar N., Hancock M., Sekeroglu K. et al. An engineered anisotropic nanofilm with unidirectional wetting properties // Nature Mater. 2010. V. 9. № 12. P. 1023–1028. https://doi.org/10.1038/nmat2864
- Spohr R. Ion tracks and microtechnology. Basic principles and applications. Wiesbaden, Germany: Vieweg, 1990.
- Apel P. Track etching technique in membrane technology // Radiat. Measurements. 2001. V. 34. № 1–6. P. 559–566. https://doi.org/10.1016/S1350-4487(01)00228-1
- Ramos S., Charlaix E., Benyagoub A., Toulemonde M. Wetting on nanorough surfaces // Physical Review E. 2003. V. 67. № 3. P. 31604. https://doi.org/10.1103/PhysRevE.67.031604
- Ramos S., Canut B., Benyagoub A. Nanodesign of superhydrophobic surfaces // Journal of Applied Physics. 2009. V. 106. P. 024305. https://doi.org/10.1063/1.3176484
- Spohr R., Sharma G., Forsberg P., Karlsson M, Hallen A., Westerberg L. Stroke asymmetry of tilted superhydrophobic ion track textures // Langmuir. 2010. V. 269. № 9. P. 6790–6796. https://doi.org/10.1021/la904137t.
- Apel P., Schulz A., Spohr R., Trautmann C., Vutsadakis V. Tracks of very heavy ions in polymers // Nuclear Inst. and Methods in Physics Research B. 1997. V. 131. № 1–4. P. 55–63. https://doi.org/10.1016/S0168-583X(97)00389-3
- Enge W., Grabisch K., Dallmeyer L., Bartholoma P., Beaujean R. Etching behaviour of the lexan polycarbonate plastic detector // Nuc. Instr. And Meth. 1975. № 127. P. 125–135. https://doi.org/10.1016/0029-554X(75)90312-2
- Fleischer R., Price P., Walker R. Nuclear tracks in solids. California Press, 1973.
- Митрофанов А.В. Кинетика травления трековых мембран с высокой пористостью // Препринт ФИАН им. П.Н. Лебедева. 2003. № 29. C. 1–48.
- Апель П.Ю. Температурные эффекты (влияние температуры травления и отжига после облучения) при регистрации тяжелых заряженных частиц в полипропилене // Приборы и техника эксперимента. 1994. № 6. С. 80–84.
- Apel P.Yu., Blonskaya I.V., Dmitriev S.N., Orelovitch O.L., Sartowska B. Structure of polycarbonate track-etch membranes: Origin of the “paradoxical” pore shape // J. Membr. Sci. 2006. № 282. № 1–2. P. 393–400. https://doi.org/10.1016/j.memsci.2006.05.045
- Ziegler О., Biersack J., Littmark U. The stopping and range of ions in solids. New York: Pergamon, 1985. https://www.solidworks.com/
- Кравец Л.И., Дмитриев С.Н., Апель П.Ю. Получение и свойства полипропиленовых трековых мембран // Химия высоких энергий. 1997. Т. 31. № 2. С. 108–113.
- Blonskaya I. V., Kristavchuk O.V., Nechaev A. N., Orelovich O.L., Polezhaeva O.A., Apel P.Y. Observation of latent ion tracks in semicrystalline polymers by scanning electron microscopy // J. Appl. Polym. Sci. 2021. V. 138. № 8. P. 49869. https://doi.org/10.1002/app.49869
- Apel P.Y. Track-etching. In encyclopedia of membrane science and technology; Hoek E.M.V., Tarabara V.V., Eds. Hoboken, NJ, USA: John Wiley & Sons. 2013. P. 332–355. https://doi.org/10.1002/9781118522318.emst040
- Briggs D., Brewis D.M., Konieczo M.B. X-ray photoelectron spectroscopy studies of polymer surfaces. Part 1 Chromic acid etching of polyolefins // J. Mater. Sci. 1976. V. 11. P. 1270–1277. https://doi.org/10.1007/BF00545146
- Li J., Maekawa Y., Yamaki T., Yoshida M. Chemical modification of a poly(ethylene terephthalate) surface by the selective alkylation of acid salts // Macromol. Chem. Phys. 2002. V. 203. № 17. P. 2470–2474. https://doi.org/10.1002/macp.200290023
- Korolkov I., Yeszhanov A.B., Gorin Y.G. et al. Hydrophobization of PET track-etched membranes for direct contact membrane distillation // Mater. Res. Express. 2018. V. 5. № 6. P. 065317. https://doi.org/10.1088/2053-1591/aacc39
- Русанов А.И. К теории смачивания упругодеформируемых тел // Коллоидный журнал. 1977. Т. XXXIX. № 4. С. 704–717.
- Dutt S., Apel P., Lizunov N., Notthoff C., Wen Q., Trautmann C., Mota-Santiago P., Kirby N., Kluth P. Shape of nanopores in track-etched polycarbonate membranes // Journal of Membrane Science. 2021. V. 638. P. 119681. https://doi.org/10.1016/j.memsci.2021.119681
- Hernandez A., Martinez-villa F., Ibañez, J.A., Arribas J.I., Tejerina A.F. An experimentally fitted and simple model for the pores in nuclepore membranes // Separation Science and Technology. 1986. V. 21. № 6–7. P. 665–677. https://doi.org/10.1080/01496398608056142
- Abdelsalam M., Barlett P., Kelf T., Baumberg J. Wetting of regularly structured gold surfaces // Langmuir. 2005. V. 21. № 5. P. 1753-1757. https://doi.org/10.1021/la047468q
- Herminghaus S. Roughness-induced non-wetting // Europhys. Lett. 2000. V. 52. № 2. P. 165–170. https://doi.org/10.1209/epl/i2000-00418-8
- Marmur A. From hygrophylic to superhygrophobic: Theoretical conditions for making high-contact-angle surfaces from low-contact-angle materials // Langmuir. 2008. V. 24. № 14. P. 7573–7579. https://doi.org/10.1021/la800304r
- Whyman G., Bormashenko E. How to make the Cassie wetting state stable? // Langmuir. 2011. V. 27. № 13. P. 8171–8176. https://doi.org/10.1021/la2011869
- Ou J., Fang G., Li W., Amirfazli A. Wetting transition on textured surfaces: A thermodynamic approach // J. Phys. Chem. C. 2019. V. 123. № 39. P. 23976–23986. https://doi.org/10.1021/acs.jpcc.9b05477
- Ерофеев Д.А., Машляковский Л.Н. Получение и применение гидрофобных полиуретановых кремнийсодержащих покрытий. Часть 1: Основы явления гидрофобности (обзор) // Изв. СПбГТИ(ТУ). 2022. Т. 62. С. 58–65. https://doi.org/10.36807/1998-9849-2022-62-88-58-65
- Li S., Li H., Wang X., Song Y., Liu Y., Jiang L., Zhu D. Super-hydrophobicity of large-area honeycomb-like aligned carbon nanotubes // J. Phys. Chem. B. 2002. V. 106. № 36. P. 9274–9276. https://doi.org/10.1021/jp0209401
- Cheng Y.-T., Rodak D. E. Is the lotus leaf superhydrophobic? // Appl. Phys. Lett. 2005. V. 86. P. 144101. https://doi.org/10.1063/1.1895487
- Otten A., Herminghaus S. How plants keep dry: A physicist’s point of view // Langmuir. 2004. V. 20. № 6. P. 2405–2408. https://doi.org/10.1021/la034961d
- Extrand C.W. Model for contact angles hysteresis on rough and ultraphobic surfaces // Langmuir. 2002. № 18. P. 7991–7999. https://doi.org/10.1021/la025769z
- Иваненко И. А., Гульбекян Г. Г., Казаринов Н. Ю., Калагин И. В., Франко Й. Создание магнитной системы нового изохронного циклотрона ДЦ-140 на основе электромагнита ДЦ-72 // Письма в ЭЧАЯ. Физика и техника ускорителей. 2020. Т. 17. № 4 (229). С. 463–467.
Supplementary files














