Экспериментальные данные по образованию нанофазного железа в лунном грунте
- Авторы: Сорокин Е.М.1, Герасимов М.В.2, Зайцев М.А.2, Щербаков В.Д.3, Рязанцев К.М.1, Крашенинников С.П.1, Яковлев О.И.1, Слюта Е.Н.1
-
Учреждения:
- Институт геохимии и аналитической химии им. В.И. Вернадского РАН
- Институт космических исследований РАН
- Московский государственный университет имени М.В. Ломоносова
- Выпуск: Том 70, № 2 (2025)
- Страницы: 107-125
- Раздел: Статьи
- URL: https://ogarev-online.ru/0016-7525/article/view/294761
- DOI: https://doi.org/10.31857/S0016752525020013
- EDN: https://elibrary.ru/GPXKGA
- ID: 294761
Цитировать
Полный текст
Аннотация
Образование нанофазного металлического железа (npFe0) в лунном реголите, которое наблюдается в конденсатных пленках на поверхности минеральных зерен и в агглютинатных стеклах, является одним из признаков «космического выветривания» на Луне, вызванного солнечным ветром и микрометеоритной бомбардировкой. В статье приводятся результаты лазерных экспериментов, имитирующих «удар» микрометеорита по базальтовым, оливиновым, пироксеновым и некоторым другим типам мишеней. В расплавленных продуктах «удара» были обнаружены многочисленные железные наносферулы, часто структурированные в цепочки и россыпи. Эксперименты показали, что npFe0 может формироваться без участия в качестве восстановителя имплантированных ионов солнечного ветра (ионов водорода), а также без процесса конденсации железа из ударно-образованного пара. Подобные россыпи нанофазового металлического железа и цепочечные структуры наблюдаются в ударных стеклах реголита Луны и частицах астероидов.
Полный текст
ВВЕДЕНИЕ
Космическое выветривание включает в себя несколько процессов, которые могут быть классифицированы как (1) бомбардировка микрометеоритами с образованием микрократеров диаметром от ~1 мкм до ~1 см (Hartung et al., 1972) и (2) воздействие частиц плазмы солнечного ветра, галактических лучей и электромагнитного излучения (Pieters, Noble, 2016). Время воздействия космического выветривания определяет степень зрелости реголита и влияет на его физико-химические характеристики. Три фактора определяют степень зрелости лунного грунта: (1) образование нанофазного нулевого железа (npFe0) в частицах реголита (Housley et al., 1973; Hapke et al., 1975; Morris, 1976, 1978, 1980); (2) уменьшение размера частиц реголита вследствие непрерывной бомбардировки микрометеоритами (McKay et al., 1991) и (3) образование так называемых агглютинатов – микробрекчий, сцементированных ударным стеклом (Adams, McCord, 1971). Существует обратная зависимость между средним размером частиц, толщиной реголита и его зрелостью – чем меньше размер частиц, тем больше толщина реголита и тем выше степень его зрелости (Slyuta, 2014). По мере увеличения зрелости реголита увеличивается количество агглютинатов, шлаков и стеклянных шариков. Количество агглютинатов в зрелом реголите в самом древнем материковом регионе Луны может достигать 50–60 % (McKay et al., 1974).
Предполагается, что наибольший вклад энергии среди микрометеоритов вносят удары частиц с массой от 10–6 до 10–2 г при скорости удара от 4 км/с до 70 км/с и средней скорости около 15–20 км/с (Hartung et al., 1972). Самые высокие скорости обычно имеют частицы из пылевых хвостов комет, длина которых может достигать нескольких миллионов километров. Такие облака пыли движутся по устойчивым эллиптическим орбитам и периодически пересекают систему Земля–Луна в одни и те же астрономические даты. На сегодняшний день зарегистрировано 40 ежегодных метеорных потоков, сталкивающихся с Землей и, соответственно, с Луной (Jopek, Kanuchova, 2017). Среди них выделяют около 20 основных метеорных потоков, которые связаны с известными кометами (Слюта, Воропаев, 1992). В доставленных образцах лунного реголита обнаружено присутствие металлических частиц железа с содержанием 0.5–1 мас. % Fe0, что в 5–10 раз превышает содержание металлического железа в изверженных породах Луны (Nagata et al., 1970; Runcorn et al., 1970; Tsay et al., 1971). Предполагалось, что источником ферромагнитного сигнала и, соответственно, металлического железа является стекло реголита, а размеры ферромагнитных частиц находившихся в этом стекле оценили примерно в 4–170 нм (Nagata et al., 1970; Runcorn et al., 1970; Housley et al., 1970, 1971, 1972; Tsay et al., 1971). При изучении спектров электронного парамагнитного резонанса было замечено, что с увеличением поверхностного возраста реголита (по степени накопления других продуктов космического воздействия, например следов от частиц после солнечных вспышек) увеличивается содержание металлических наносферул железа. Тогда был предложен простой метод определения экспозиционного возраста путем измерения интенсивности парамагнитного резонанса (EPR) по отношению к общему содержанию железа, то есть Is/FeO (Housley et al., 1975; Morris, 1976; Cisowski et al., 1974).
С образованием npFe0 исследователи связывают изменение спектра отражения от поверхности безатмосферных тел, а именно, уменьшение альбедо, смещение в область ближнего ИК-региона общего отражения и уменьшение характеристических полос поглощения (Hapke et al., 1975). Размеры, а также количество npFe0, также влияют на спектр отражения. Было замечено, что маленькие сферулы npFe0 приводят к «покраснению» спектра (то есть к смещению интенсивности спектра в длинноволновую область), в то время как большие сферулы из агглютинатов приводят к общему «затемнению» (Noble et al., 2007).
Было выдвинуто несколько гипотез, объясняющих происхождение npFe0. Первая гипотеза заключается в том, что npFe0 образуется в результате бомбардировки микрометеоритами верхнего слоя реголита, насыщенного газами солнечного ветра (Виноградов и др., 1972; Housley et al., 1973). При входе микрометеорита в такие частицы внедренный компонент высвобождается, и железо одновременно восстанавливается до металлического состояния в минералах и минеральных агрегатах по реакции FeO+2H→Fe0+H2O. В этом случае восстановленное железо может оставаться в виде изолированных атомов или в виде маленьких атомных кластеров. Последующие ударные события могут способствовать увеличению этих кластеров (слиянию) с образованием довольно крупных (до 100 нм) металлических железных сферул (Housley et al., 1973). В этой гипотезе основным недостатком является то, что вышеуказанная реакция не может происходить в реголите, поскольку водород в солнечном ветре присутствует в форме протона, а не в виде атомарного водорода. Другими словами, протоны солнечного ветра не могут действовать как восстанавливающие агенты для железа, поскольку они не несут электроны, необходимые для процесса восстановления. Вторая гипотеза об образовании npFe0 утверждает, что восстановление оксида железа происходит во время испарения и последующей конденсации вещества. Как показали эксперименты, во время испарения базальта в парах железо присутствует в атомарной, нульвалентной форме (Маркова и др., 1986). Ударногенерируемый пар конденсируется в виде пленок или кайм на минеральных зернах реголита (Keller, McKay et al., 1997). В этом случае восстановленные атомы железа образуют наносферулы. Возможно, последующий удар микрометеорита способствует слиянию зерен с пленками в агглютинаты, материал пленок попадает в стекло агглютината, а сферулы слипаются в более крупные разновидности путем коалесценции (Hapke et al., 1975, 2001; Pieters, Noble, 2000). Наносферулы железа, обнаруженные в каймах на поверхности зерен, имеют очень малые размеры 1–10 нм (Keller, Clemett, 2001), а в агглютинатах их размеры достигают сотен нанометров (Basu, 2005). Исследования состава кайм показали, что они отличаются от материнского минерала по химическому составу. В каймах четко просматривается обеднение тугоплавкими элементами (Al, Ca, Ti) и обогащение Si, Fe, S и щелочами, а также отмечается зонирование, которое может соответствовать нескольким эпизодам испарения и конденсации на зернах реголита (Keller, McKay, 1993, 1997; Keller, Clemett, 2001). Такие особенности состава пленок соответствуют ряду летучих элементов силикатного расплава, наблюдаемого в испарительных экспериментах: тугоплавкие – Al2O3, CaO, TiO2 и умеренно и легколетучие – SiO2, FeO, Na2O, K2O (Яковлев и др., 1972; Маркова и др., 1986; Sorokin et al., 2020), что указывает на их испарительно-конденсатное происхождение. Еще одна гипотеза, тесно примыкающая к предыдущей, об образовании npFe0 предполагает атомное рассеивание материала лунного реголита частицами солнечного ветра (так называемый процесс спаттеринга) (Hapke et al., 1975, 2001; Christoffersen, 2012). Авторы этой гипотезы считают, что солнечный ветер «выбивает» в окружающее пространство в основном те атомы, которые имеют слабые связи в структуре минерала, и здесь может образоваться нульвалентное железо. Следует сказать, что на данный момент нет химических критериев, позволяющих различить конденсаты, осажденные из ударнообразованного пара, и «конденсаты», образованные в результате процесса спаттеринга (Keller, McKay, 1995, 1997). Но можно определенно утверждать, что оба процесса принимали участие в формировании пленочных кайм, и при анализе конкретного образования конденсата следует искать совместное участие каждого из этих процессов (Christoffersen et al., 2012).
Таким образом, на данный момент изучения наносферул железа существуют две основные гипотезы его образования (гипотеза конденсации и спаттеринга объединены). Для уточнения конкретного механизма образования npFe0 исследователи проводили различные эксперименты с облучением различных минералов и горных пород высокоэнергетическими ионами H+ и He (Hapke, 2001; Hapke et al., 1973, 1975; Allen et al., 1993, 1995; Loeffler et al., 2009; Dukes et al., 1999; Lantz et al., 2017; Kuhlman et al., 2015). Для выяснения роли микрометеоритной бомбардировки в космическом выветривании широко используется имитация такого удара лазерным импульсом (Kissel, Kruger, 1987; Gerasimov et al., 1999; Sasaki et al., 2001; Moroz et al., 1996; Brunetto et al., 2006; Loeffler et al., 2008a, b; Loeffler et al., 2016; Kurahashi et al., 2002). В исследовании (Moroz et al., 1996) в качестве мишеней использовались порошки метеоритов и земных минералов, оливина и пироксена. Было показано, что при облучении лазером с длительностью импульса 0.5–1 мс и мощностью около 1.2 кВт общее альбедо уменьшается, характерные полосы поглощения подавляются и общая интенсивность спектра смещается в область ближнего ИК-региона. Сами авторы (Moroz et al., 1996) и другие исследователи (Sasaki et al., 2001; Pieters, 2016) предположили, что при длинном (0.5–1 миллисекундном) импульсе лазера эти изменения в спектре вызваны образованием стекла. Хотя в опытах с наносекундным лазером методами просвечивающей электронной микроскопией и электронного парамагнитного резонанса были обнаружены россыпи npFe0. Следует отметить еще одну особенность, присущую космическому выветриванию. Наличие нанопузырьков было обнаружено в недавно доставленных частицах грунта с астероида Итокава. Пузырьки развиты на поверхности минеральных зерен, что ясно видно на вторичных электронных изображениях (Secondary Electrons) на сканирующем электронном микроскопе (SEM). Их типичный размер составляет приблизительно 20–50 нм (Noguchi et al., 2014). На частицах лунного реголита такие нанопузырьки также отмечены, а в лунных брекчиях имеются пузырьки до сотен нанометров в аморфных каймах на поверхности зерен (Noble et al., 2005). Предполагается, что эти пузырьки образовались за счет сегрегации ионов солнечного ветра, внедренных в частицы реголита (Davoisne et al., 2008; Noguchi et al., 2014).
Изучение природы образования нанофазного железа не прекращается с момента доставки лунного грунта на Землю. Однако, несмотря на многочисленные публикации о нанофазном железе (npFe0), вопрос о его происхождении остается спорным. Исследование расплавленных продуктов в лазерных экспериментах, имитирующих удар микрометеорита по базальту, перидотиту, оливину и пироксеновым мишеням, показало, что после облучения миллисекундным лазерным импульсом в мишенях формируются цепочки и россыпи npFe0. Таким образом, вероятно, существует иной механизм термического восстановления и образования нанофазного железа в расплавах железосодержащих минералов и пород.
ЛАЗЕРНЫЙ ЭКСПЕРИМЕНТ: ОПИСАНИЕ И ПРОБОПОДГОТОВКА ОБРАЗЦОВ-МИШЕНЕЙ
Для имитации воздействия микрометеоритов использовался импульсный лазер на неодимовом стекле (Nd:YAG лазер) с плотностью излучения около 106–107 Вт/см2 и длительностью импульса 10–3 сек. Рассчитанная температура испарения в центральной области «удара» лазера составила примерно 4000–5000 К, что соответствует температуре, возникающей при скоростях удара порядка 10–15 км/с (Sorokin et al., 2020).
Мишень размером 1.5 × 1.5 см, закрепленная в латунном держателе, помещалась в герметичную камеру формы цилиндра объемом около 500 см3 с оптическим окном из кварцевого стекла (рис. 1). Камера продувалась потоком (около 300–400 мл/мин) высокочистого аргона (99.999 %) при атмосферном давлении в течение 15 минут. Затем поток аргона снижался до 2–3 мл/мин без полного прекращения, чтобы избежать попадания атмосферного воздуха в камеру (Zaitsev et al., 2016). Внутренняя поверхность камеры покрывалась медной фольгой и использовалась для сбора продуктов испарения.
Рис. 1. Схема экспериментальной установки для лазерного испарения.
Было использовано пять типов мишеней для лазерного испарения: кристаллический базальт мелкозернистый раскристаллизованный базальт (далее – базальт), базальтовое стекло, перидотит, оливины и пироксены. Выбор материала мишени был сделан с целью моделирования вещества, аналогичного свойствам лунного реголита.
Следует отметить, что лазерный эксперимент не в состоянии точно воспроизвести все характерные особенности процессов микрометеоритного воздействия. Например, в наших экспериментах энергия импульса лазера соответствовала энергии удара частиц размером от десятков до сотен микрон и скоростей до десяти км/с. В результате удара таких частиц формируется кратер размером от десятков до сотен микрон, тогда как лазерное «воздействие» оставляет кратер на порядок больше, в нашем случае примерно 6 мм в диаметре и 0.6 мм в глубину (рис. 2). Тем не менее, с учетом выбора параметров взаимодействия лазерного излучения с мишенью можно воспроизвести определенные аспекты микрометеоритного удара как в температурном факторе, так и частично в факторе давления (Kissel, Kruger, 1987; Gerasimov et al., 1999). Процесс испарения и конденсации вещества происходит при температурах и давлениях ниже критической точки, которая для силикатов находится в диапазоне температур около 5000 К и давлений около 103 бар (Gerasimov et al., 1999). Идея лазерного моделирования условий ударного испарения состоит в том, чтобы, минуя стадию сжатия в ударной волне, импульсным нагревом перевести вещество в состояние, соответствующее началу испарительного процесса, и обеспечить возможность адиабатического разлета продуктов испарения. Начальная температура разогрева вещества определяется плотностью мощности лазерного импульса, а давление соответствует давлению насыщенных паров при данной температуре. При расширении облака пара идет конденсация и, следовательно, давление и температура «идут» вдоль кривой кипения как и в случае испарительного процесса при высокоскоростном ударе. Высокая температура и плотность в испаренном облаке обеспечивают на начальном этапе быстрое установление термодинамического квазиравновесия (Gerasimov et al., 1999), что фактически обеспечивает одинаковый состав продуктов испарения независимо от того, пришло вещество в это состояние в результате сжатия в ударной волне или было нагрето мощным лазерным импульсом, и не зависит от масштаба события. При падении температуры и давления в процессе расширения облака скорость установления квазиравновесия падает и в некоторый момент времени становится меньше характерного времени расширения облака. Наступает так называемая «закалка», после которой химический состав облака не меняется при дальнейшем его расширении. Температура, при которой наступает «закалка», зависит от скорости изменения параметров облака при его расширении и тем выше, чем меньше масштаб облака. Как было показано (Gerasimov et al., 1999), условие расширения облака вдоль кривой кипения приводит к малой зависимости химического состава продуктов испарения от температуры и, следовательно, получаемые в модельном эксперименте результаты применимы, как минимум качественно, к любым ударным событиям, в которых формируется квазиравновесное облако пара.
Рис. 2. Профиль кратера диаметром около 6 мм и глубиной ~0.6 мм после лазерного “удара” по мишени из базальта. Поглощение высокоэнергетического излучения паром может привести к значительному перегреву паровой фазы. Такое поглощение становится эффективным при плотностях мощности лазера выше 108–109 Вт/см2 (Анисимов и др., 1970; Рэди, 1974). Мы использовали лазерные импульсы с плотностью мощности около 106 Вт/см2. Кроме того, мишень располагалась под углом (примерно 45 градусов) к оптической оси, что направляло испаренное облако в сторону от луча лазера.
Важным условием лазерного моделирования является обеспечение изэнтропического разлета испаренного вещества. Поглощение мощного излучения парами может привести к существенному перегреву паровой фазы. Такое поглощение становится эффективным при плотностях мощности лазерного излучения более 108–109 Вт/см2 (Анисимов и др., 1970; Рэди, 1974). Нами использовались лазерные импульсы с плотностями мощности ~106 Вт/см2, а мишень располагалась под углом к оптической оси, что уводило испаренное облако в сторону от излучения.
Для получения мишени из базальта природный мелкозернистый толеитовый базальт был измельчен до фрагментов примерно 1.5 × 1.5 см, эти фрагменты были залиты эпоксидной смолой. Таким образом получилась мишень пригодная для лазерного эксперимента, так и для анализа на сканирующем электронном микроскопе. Согласно рентгенофлюоресцентному анализу, средний химический состав базальта составлял (мас. %): SiО2 – 48.71, TiO2 – 1.05, Al2О3 – 14.01, MgО – 6.54, MnО – 0.20, FeO – 11.04, CaО – 11.54, Na2О – 2.03, K2О – 0.26, P2O5 – 0.12. Потери при прокаливании (ППП) – 2.12 мас. % (Axious Advanced PW 4400/04 рентгеновский спектрометр, ГЕОХИ РАН). Рентгенодифракционный анализ, выполненный на рентгеновском дифрактометре PanAnalitical X`Pert Pro с скоростью сканирования 1 градус в минуту, в конфигурации 2Θ, напряжение – 50 кВ, сила тока – 40 мА, показал следующие фазы в кристаллическом базальте: плагиоклаз (вероятно, лабрадор), пироксен, гематит, ильменит, кварц и некоторые слоистые алюмосиликаты (приблизительный модальный состав: Pl – 55 %, Px – 39 %, Qrz – 2 %, Hem – 2 %, другие – 1 %).
Для получения мишени из базальтового стекла порошок (истирали в агатовой ступки до менее 80 мкм) толеитового базальта плавили в печи Nabertherm RHTV 1700 (ГЕОХИ РАН) в кварцевом тигле при 1300 °C в течение 30 минут в атмосферных условиях. Полученное стекло закрепляли в эпоксидной смоле, затем шлифовали и полировали поверхность. Мишень из базальтового стекла была исследована на растровом электронном микроскопе TESCAN MIRA 3 с анализатором EDS X-MAX 80. Средний химический состав стекла соответствовал составу базальта с незначительными вариациями химического состава, то есть с относительно высокой степенью однородности мишени.
Мишень из перидотита представляла собой фрагмент примерно 1.5 × 1.5 см из материала мантийной интрузии (образец получен из ИГЕМ РАН). Состав перидотита изучался методом рентгенофлюоресцентного анализа на рентгеновском спектрометре Axious Advanced PW 4400/04. Средний химический состав был следующим (мас. %): SiО2 – 50.80, TiO2 – 0.22, Al2О3 – 3.12, MgО – 32.27, MnО – 0.17, FeO – 7.8, CaО – 2.05, Na2О – 0.21, K2О – 0.06, P2O5 – 0.03, ППП – 0.3.
В экспериментах использовались три мишени из оливина: оливин из железорудного месторождения Ковдор, хризолит из Пакистана и железистый оливин из алливалита Камчатки. Образцы были залиты в эпоксидную смолу и отполированы для дальнейшего исследования. Каждый из образцов был предварительно исследован на растровом электронном микроскопе для определения химического состава, однородности мишени и наличия включений. Учитывая неоднородности особенности образца, лазерный луч был сфокусирован на наиболее однородном участке оливина.
Оливин-хризолит из Ковдорского месторождения по составу относится к Fa13-14 (12.9 % FeO) и содержит микропримеси CaO – 0.71 мас. % MnO – 0.45 мас. %, NiO – 0.27 мас. %. В оливине также содержится большое количество включений в виде ориентированных вытянутых ламеллей силикатных минералов (вероятно, диопсид, Fe-монтичеллит) и включений магнетита.
Хризолит из Пакистана представлен прозрачным кристаллом светло-зеленого цвета с содержанием FeO до 9 мас. %. Наблюдаются небольшие участки с более низким содержанием FeO до 4.6–8 мас. %. Хризолит содержит микропримеси NiO – 0.46 мас. %, Mn – 0.4 мас. %. В образце наблюдаются небольшие количества вторичных минералов серпентина и магнетита.
Железистый оливин (~1.5 × 1.5 см) был выбран из алливалитового ксенолита в вулканической породе с Камчатки. Оливин имел состав Fa28 (26 мас. % FeO) и содержал микропримеси: MnO – 0.54 мас. %, CaO – 0.14 мас. %.
Использовались также два типа пироксенов: Сr-диопсид и ортопироксен.
После «удара» лазером в мишени образовывался кратер с диаметром около 6 мм и глубиной 0.6 мм (рис. 3), а продукты испарения из кратера (расплав и пар) оседали на медную фольгу, которая была извлечена из камеры через 20 минут после удара (для обеспечения полноты осаждения конденсата на подложке).
Рис. 3. Образцы минералов и горных пород после лазерного “удара”: (а) – железистый оливин, (б) – кристаллический базальт, (в) – клинопироксен (хромовый диопсид), (г) – ортопироксен.
Продукты испарения можно разделить на три типа: конденсационные хлопья (<1 микрон), стеклянные капли различной формы (гетерогенные образования, крупные формы выброса – десятки и сотни микрон) и стеклянные сферулы (однородные расплавные шарики до десятков микрон). Каждый тип продуктов кратера исследовался отдельно. Полученные образцы были залиты эпоксидной смолой для дальнейшего изучения с помощью микрозонда и растрового электронного микроскопа.
Изучение продуктов выброса из кратера (шарики расплава) и самого кратера проводилось с использованием растрового электронного микроскопа (SEM) на кафедре петрологии Московского государственного университета, Jeol JSM-6480LV (Япония) с энергодисперсионным анализатором Oxford X-MaxN и кристалло-дифракционным INCA Wave-500 (Oxford Instrument Ltd., Великобритания) с спектрометрами и камерой обратного рассеяния электронов Oxford Nordlys Max2, а также с растровым электронным микроскопом TESCAN MIRA 3 с энергодисперсионным спектрометром Oxford X-MaxN в ГЕОХИ РАН. Хлопья и покровы конденсата для данной статьи не исследовались.
РЕЗУЛЬТАТЫ ЭКСПЕРИМЕНТА
Мишени из кристаллического базальта и базальтового стекла
При исследовании кратера, полученного на образце кристаллического базальта, железные наносферулы не обнаружены (рис. 4). В исследовании npFe0 определялись по характерному цвету в BSE (обратно рассеянные электроны), если позволял размер – также по химическому составу с ЭДС, а также подтверждены методами дифракции на просвечивающем электронном микроскопе.
Рис. 4. Фрагмент сечения кратера c зоной плавления в базальтовом образце (SEM, BSE). Кратер имел размеры примерно 6 мм диаметром и 0.6 мм глубиной.
На краю кратера наблюдаются области с расплавом различного химического состава, и далее, вглубь образца, есть зона трещиноватости. Кроме того, в расплаве, ближе к зоне трещиноватости, наблюдается множество пузырьков, по-видимому, образованных во время кипения летучих соединений. Это смешивание расплавов, которое отражает скоротечность процесса нагрева и остывания вещества, породило стеклянные шарики различного химического состава, найденные в выбросах из кратера, собранных с медной фольги. Некоторые шарики расплава имели следы испарительной дифференциации (Sorokin et al., 2020).
При изучении поперечного сечения кратера, полученного в эксперименте с образцом базальтового стекла, на краю кратера были обнаружены светлые области в BSE (рис. 5 и 6). Анализ, проведенный с использованием энергодисперсионного анализатора, показал, что яркие области значительно отличаются по химическому составу от окружающего пространства: они заметно обогащены низколетучими оксидами (Al2O3, CaO, TiO2), обеднены высоколетучими оксидами (Na2O, K2O), и особенно умереннолетучим SiO2 (разница превышает 15 мас. %), что полностью соответствует ряду летучести основных петрогенных оксидов, за исключением FeO (Яковлев и др., 1972; Маркова и др., 1986). Таким образом, состав светлых областей стекла кратера можно объяснить испарением легко и умеренно летучих оксидов и соответствующим накоплением труднолетучих.
Рис. 5. Поперечное сечение ударного кратера в образце базальтового стекла (SEM). На поверхности кратера есть светлые области с цепочками и россыпями npFe0. Диаметр кратера примерно 6 мм, глубина 0.6 мм.
Рис. 6. Сечение кратера в базальтовом стекле с цепочками наножелеза (SEM): (а) – светлая зона, обедненная умеренно и легколетучими компонентами; (б) – зона нетронутого базальтового стекла.
В продуктах лазерного воздействия в кратерном стекле были найдены многочисленные глобулы наножелеза, размер которых варьирует от нескольких нанометров до микрометра, что соответствует размеру npFe0 в лунном реголите. Группы npFe0 можно разделить на два типа: в некоторых местах они упорядочены в тонкие, вытянутые цепочки, а в других представляют собой непрерывные россыпи.
Первый тип состоит из наночастиц, расположенных на кромке кратера, а также обрамляют светлые зоны, измененного химического состава. Предполагается, что образование крупных частиц размером сотни нанометров происходит в процессе коалесценции в жидкой фазе, когда большие частицы собираются за счет более мелких (Pieters, Nobel, 2016).
Цепочки железных наноглобул, находящихся внутри объема кратерного стекла, образуют арочные, выпуклые ко дну кратера структуры. Легко заметить определенную связь между железными цепочками и светлыми участками модифицированного стекла, расположенными параллельно (рис. 6). Следует отметить, что образование наножелеза происходило внутри расплавленного базальтового стекла, в котором, предположительно, не было восстановительных агентов, и расположение самих глобул свидетельствует о том, что их образование не произошло по механизму испарения-конденсации.
Ранее считалось, что образование npFe0 происходит либо в результате реакции с восстановительным агентом (Housley et al., 1973; Hapke, 2001; Pieters, Noble, 2016), либо во время осаждения ударнообразованного пара, содержащего восстановленное железо. В нашем случае образование металлического железа происходит, вероятно, из-за процесса термического восстановления, предсказанного и описанного в работах (Яковлев и др., 2003; Yakovlev et al., 2006; Gerasimov et al., 2004; Арискин и др., 2008). Аналогичные экспериментальные результаты были получены в работе (Li et al., 2016). В этих тезисах даны краткие результаты лазерного эксперимента проведенного только над одним составом (Huaxi H5 ordinary chondrite), где дается вывод, что металлическое железо может образовываться в расплаве. В работе не приводится детальный механизм образования npFe0 в расплаве.
Почему наблюдаются npFe0 во время лазерного «удара» по базальтовому стеклу, но не наблюдаются в эксперименте с кристаллическим базальтом, пока не ясно и требует дополнительных исследований. По нашему мнению, это может быть связано с резко неоднородной термофизической средой в базальте по сравнению с более однородным базальтовым стеклом и мономинеральными образцами (см. ниже). Эта структура приводит к повторному отражению и рассеянию тепловой энергии и предотвращает ее распространение глубоко в вещество и образование достаточных объемов гомогенизированной ударного расплава, так как различные минеральные фазы в базальте характеризуются различными термофизическими свойствами (теплопроводность, теплоемкость, коэффициент теплового расширения и температура плавления). По всей видимости, это обусловлено нехваткой подводимой энергии лазером при коротком импульсе. Значительная разница в объемах и толщине ударного расплава на поверхности кратеров в базальте и в базальтовом стекле явно видна на рис. 4 и 6.
Кроме цепочек npFe0 в толще стекла, многочисленные россыпи npFe0 сферул различных форм и текстур были найдены на поверхности кратера (вид сверху, не в разрезе) (рис. 7), которые также имеют «расплавное» происхождение. Размеры npFe0 находятся в диапазоне от десятков нанометров (то есть от предела разрешения SEM) до микрометров. Интересно отметить особые текстуры, которые формируют цепочки железных наносферул во многих областях кратера. Цепочки образуют шестиугольники, из вершин которых отходят другие цепочки сферул в стороны, заканчивающиеся крупными сферулами до 1 мкм в диаметре (рис. 7б). Еще одной особенностью зон накопления наносферул является образование пятен (областей), состоящих из железных сферул, создавших текстуры в виде патины. Следует также отметить наличие пор в местах накопления сферул наножелеза (рис. 8). Большое скопление газовых пузырьков иногда сопровождает наличие npFe0.
Рис. 7. Текстуры распределения npFe0 на поверхности кратера в базальтовом стекле в разных местах (a, б).
Рис. 8. (а) – сферулы металлического железа (яркие пятна) и газовые пузырьки (темные пятна) на поверхности кратера в базальтовом стекле. (б) – пузырьки на поверхности кратера в базальтовом стекле (текстура “блинчика”).
Железные наносферулы также были найдены в каплях затвердевшего расплава (приблизительно несколько микрометров в диаметре) в выбросах из кратера. Наносферулы, диаметр которых достигает сотен нанометров, расположены преимущественно в центре капли. Некоторые большие npFe0 имеют гетерогенную морфологию, они содержат поры, и их габитус имеет несферическую форму с признаками граней.
Перидотитовые мишени
При исследовании сечения кратера, полученных в образце перидотита, также были обнаружены россыпи и цепочки железных наноглобул, но в значительно меньшем количестве по сравнению с базальтовым стеклом. Некоторые из областей с железными сферулами расположены на границе между рекристаллизованным материалом и расплавом (рис. 9а). Как и в случае с базальтовым стеклом, скопления npFe0 также сопровождаются скоплениями газовых пузырьков, которые концентрируются в зоне со стороны аморфной фазы (рис. 9б). По сравнению с базальтовым стеклом железные сферулы в перидотитовом стекле, в среднем, меньшего размера.
Рис. 9. Нанофазовые глобулы железа (светлые включения) и пузырьки газа (черные точки) в перидотитах (SEM) на снимках с разным увеличением (a, б).
Эксперимент с оливиновыми мишенями
Ковдорский оливин. Размер кратера составлял примерно то же, что и в других случаях (около 6 мм в диаметре). Структура оливинового кратера существенно отличалась от остальных образцов – присутствовала высокая степень рекристаллизации, то есть доля кристаллического вещества в кратере была намного выше, чем в других экспериментах (рис. 10). При изучении продуктов выбросов кратера часто наблюдались рекристаллизованные капли с диаметром несколько микрометров, имеющие общий состав оливина. Это может указывать на высокую скорость кристаллизации оливина во время полета расплавленной капли.
Рис. 10. Зоны кратера оливина (вид в плане, сверху): (а) зона кратера оливина (хризолита) на вторичных электронах, светлые образования – это хлопья конденсата (SEM). Данные образования выделяются как по морфологии, так и по составу – во вторичных электронах они видны как светлые пятна, а на снимке в BSE как плохо различимые темные пятна; (б) металлические железные сферулы, расположенные вдоль граней оливиновых кристаллов (SEM), образовавшиеся из расплава; (в) большие (более 1 мкм) металлические образования и россыпи небольших npFe0 сферул на новообразованных кристаллах оливина на поверхности кратера (BSE, SEM); (г) npFe0 в шаровидной капле расплава на поверхности кратера в оливине (отраженные электроны, SEM).
Кратер плотно покрыт хлопьями конденсата (рис. 10а). Этот материал представлен плотно слипшимися частицами конденсированного материала размером в несколько десятков нанометров. На изображениях, полученных при наблюдении вторичными электронами, они выглядят как светлые образования, а на изображениях от обратно рассеянных электронов, наоборот, выглядят как плохо видимые темные пятна, что позволяет предполагать относительное обогащение этих хлопьев легкими элементами. Этот же критерий помогает отличать конденсат от npFe0, а также морфологические особенности.
В кратере наблюдаются обильные россыпи npFe0 сферул. В то же время здесь также обнаруживаются большие металлические образования диаметром несколько микрометров (рис. 10в). Следует отметить, что многие железные сферулы расположены в ровные ряды вдоль вытянутых граней оливиновых кристаллов, часто в два ряда, параллельно кристаллическим краям (рис. 10б). Другой особенностью образца является наличие «гнездовидных» образований в кратере (рис. 11а). В центре такого «гнезда» находится капля расплава (рис. 11а), от которой радиально распространяются дендритные образования (кристаллы?), и npFe0 накапливаются в этих дендритах. Центральные сферулы расплава имеют размер несколько микронов или меньше. Происхождение этих «гнездовидных» стяжений до сих пор неясно. Предполагается, что это могут быть вторичные кратеры, образованные при ударе капли расплава, выброшенной из другой части кратера, с образованием вторичных железных сферул в этих «гнездах» (рис. 11а). Кроме того, в других местах кратера были отмечены целые зоны «гнездовидных» дендритных образований (рис. 11б), которые характеризуются наличием центральной капли расплава. С точки зрения химического состава такая капля может быть как силикатной, так и железной. Значительное отличие этих зон заключается в сильном обогащении дендритных структур железом, вероятно, многие из них состоят из железа (рис. 11б). Отдельные ветви дендритов могут достигать длины до трех или четырех микрометров, при этом многие «гнезда», в которых обнаруживаются россыпи npFe0, не превышают одного или двух микрометров в диаметре.
Рис. 11. Гнездообразные образования железных наносферул с капельками расплава (луковицами) в центре на грани кристалла оливина в кратере (а) и дендритные кристаллы с центром из силикатной или железной сферулы (б) (обратно рассеянные электроны, РЭМ).
Хризолит из Пакистана. В результате лазерного «воздействия» произошла быстрая рекристаллизация и формирование микрокристаллов оливина с npFe0 (рис. 12). Следует отметить относительно низкое количество железных наносферул.
Рис. 12. Продукты лазерного воздействия на поверхности кратера хризолита: (а) – общий вид образца хризолита после эксперимента; красный круг показывает приблизительную границу кратера (вторичные электроны, SEM). (б) npFe0 сферулы в центре (или на вершине) расплавленных гор (кратеров) на гранях оливиновых кристаллов (вторичные электроны, SEM).
Железистый оливин. По сравнению с хризолитом и оливином из Ковдора, в результате лазерного воздействия наблюдается гораздо большее количество железных наносферул, плотные скопления которых покрывают практически все зоны кратера (рис. 13а, б, в). Слияние наносферул и субмикронных сферул приводит к формированию сферул больше 1 мкм, которые могут достигать 10 мкм (рис. 13 г). Здесь также четко выделяется гетерогенная структура сферул. Обильные россыпи железных сферул покрывают как кристаллы оливина, так и стеклянные поверхности, иногда образуя пленки, аналогичные «патине» (рис. 13б, в). Данные образования сформировались, по-видимому, при закалке расплава, когда несмесимость железа и силикатного расплава приводила к локальным флуктуациям концентрации атомов железа, с последующим формированием глобул железа и структур, описанных выше (см. раздел «Обсуждение» для более подробного объяснения механизма образования).
Рис. 13. Россыпи железных сферул различного размера в кратере железистого оливина (отраженные электроны, SEM). (а, б) – железные сферулы на оливиновых кристаллах; (в) – железные сферулы на стекле; (г) – крупные железные сферулы.
Также отмечаются вытянутые сферулы, которые, вероятно, формировались во время одновременного роста оливиновых кристаллитов и железных капель. Такие вытянутые включения металлического железа ориентированы перпендикулярно граням. Скорее всего, темные пятна-пустоты вокруг npFe0 сферул – это следы «усадки» в результате сжатия после затвердевания расплава, или это пузырьки летучих компонентов, возможно, кислорода (рис. 14).
Рис. 14. Кристалл железистого оливина с массовыми россыпями npFe0 сферул. Наблюдаются вытянутые железные зерна, вероятно образующиеся во время затвердевания расплава железа во время роста кристалла оливина (отраженные электроны, SEM).
Лазерное воздействие на образцы, изготовленные из пироксена
В экспериментах с пироксенами были получены относительно схожие результаты с экспериментами на образцах оливина. Следует отметить, что при одинаковых условиях лазерного облучения в различных минералах формируются разные количества npFe0 сферул. На поверхности кратеров от образцов пироксена также наблюдаются многочисленные цепи и россыпи наносферул, которые имеют, несомненно, «расплавное» происхождение. Особенно заметны цепочки npFe0, объединенные в неправильные шестиугольники (полигональные) или другие упорядоченные структуры в эксперименте с Cr-диопсидом (рис. 15).
Рис. 15. Текстуры цепочек и россыпи npFe0 на поверхности кратера в образце Cr-диопсида с различными увеличениями (а, б) (отраженные электроны, SEM).
В эксперименте с ортопироксеном наблюдаются дендритные структуры железа. Возможно, они формировались в условиях быстрого охлаждения расплава и несмесимости, когда новые атомы присоединяются к растущим кристаллам по линиям максимального градиента температуры и концентрации. Также здесь отмечены отдельные россыпи и цепочки npFe0 (рис. 16).
Рис. 16. Восстановленное железо в ортопироксене: (a) – цепочечные текстуры npFe0 на поверхности кратера (SEM); (б) – дендриты металлического железа на поверхности кратера (обратно рассеянные электроны, SEM).
ОБСУЖДЕНИЕ
Эксперименты с различными минеральными мишенями показали, что при одинаковых условиях лазерного облучения образуется разное количество сферул Fe0 в различных случаях, в зависимости от минерального и химического состава. Например, в базальтовом стекле легко образуются множество наносферул железа по сравнению с кристаллическим базальтом. Мишени с оливином и пироксеном также подвержены высокой степени образования и сегрегации железных наносферул, но в оливине образование npFe0 идет интенсивнее.
Для мишеней с оливином прямая корреляция наблюдается между содержанием FeO в исходном минерале и количеством образовавшихся npFe0 после эксперимента. Более того, в этих мишенях эффект образования npFe0 сферул сопровождается процессом быстрой кристаллизации силикатного расплава, в результате чего возникает интересное явление – формирование цепочек наносферул вдоль вытянутых граней кристалла. Рост кристаллов оливина, вероятно, происходит с одновременным затвердеванием железного расплава, что наблюдается в виде вытянутых железных кристаллов с шаровидной головкой, выходящих на поверхность грани (рис. 15). Такие образования часто встречаются вместе с полостями – порами. Происхождение пор пока не ясно, однако можно предположить, что полость вокруг вытянутой железной наносферулы образуется из-за термического сжатия, когда кристаллический материал занимает меньший объем, чем расплав. Второй вариант – это пузыри, которые образуются из-за выделения кислорода во время термического восстановления железа. Стоит отметить, что в образцах оливинов содержание других летучих крайне низко. Следует отметить наличие пузырей в различных частях кратера. Пузыри часто встречаются вместе с россыпями npFe0 наносферул (рис. 8). В некоторых областях кратеров по базальтовому стеклу эти пузыри имеют диаметр более микрона и могут быть связаны с выделением летучих компонентов, присутствующих в мишенях при плавлении. С другой стороны, пузыри в областях, богатых железными наносферулами, часто имеют размеры, сравнимые с размерами наносферул. Здесь стоит отметить, что как в частицах реголита Луны, так и в доставленных с астероида Итокава частицах были обнаружены нанопоры рядом с наночастицами железа и сульфида железа. Исследователи связали их появление с процессом восстановления железа при участии водорода солнечного ветра (Noguchi et al., 2014). В нашем эксперименте подобные агенты восстановления отсутствуют.
Как показали эксперименты с базальтовым стеклом, оливинами и пироксенами, npFe0 формировались в расплаве, где не было продуктов осаждения пара, которые, по мнению (Hapke et al., 1975; Pieters et al., 2000), являются одним из главных факторов образования таких сферул. В нашем эксперименте примесь конденсатного материала крайне мала и четко выделяется на поверхности кратера во вторичных электронах. Кроме того, вероятно, не было веществ, действующих как восстановители, такие как водород, в составе мишени и расплаве, что обычно используется для объяснения восстановления железа до объединения восстановленных атомов в домены или наносферулы (Housley et al., 1973; Hapke 2001).
Основываясь на полученных экспериментальных данных, мы предполагаем, что образование наносферулы восстановленного железа может происходить также за счет термического восстановления (диссоциации) в расплаве. Подобные соображения высказывались ранее при оценке влияния температуры на степень восстановления железа в обычных хондритах (Яковлев и др., 1987; Арискин и др., 2008). Образование металла по механизму термовосстановления не зависит от окислительно-восстановительных условий. Фактором восстановления является повышение температуры, что приводит к снижению растворимости металла в расплаве и выделения его в виде сферул. В работе Арискин и др., 2008 в модельных составах плавление проводилось выше температуры плавления оливина (1550–2100 оС) при постоянной фугитивности кислорода. В этом случае наблюдалось накопление металлической фазы и истощение FeO в силикатном расплаве, сопровождающееся увеличением содержания магния (Арискин и др., 2008; Yakovlev et al., 2009).
Косвенное подтверждение эффекта термического восстановления было получено в работе (Thompson et al., 2017). Частица лунного грунта (агглютинат) подвергалась термическому воздействию непосредственно в камере просвечивающего микроскопа. Было проведено две серии экспериментов – ступенчатое нагревание и непрерывное нагревание. Ступенчатое нагревание проводилось с шагом 25 градусов. Очень важно, что появление вновь образовавшихся наносферул и увеличение существующих начинались в диапазоне температур 550–575 ˚C, что значительно меньше точки плавления железа. Вероятно, здесь может быть вовлечен механизм термовосстановления и диффузии. Диффузия позволяет кислороду и атомам железа разойтись в структуре – атомы железа соединяются в домены и наносферулы, в то время как кислород мигрирует и сливается в пузырьки до размеров микрона. Гипотеза об эффекте диффузии в процессе восстановления оксида железа была выдвинута в работе (Рощин, Рощин, 2020), в которой было показано, что редукция может происходить в объеме оксида, окруженного металлом с кислородными анионами. Для продолжения процесса, вероятно, не требуется подача восстановительного агента в место отделения металлической фазы или удаление реакционных продуктов оттуда, то есть продукты распространяются по механизму диффузии (Рощин, Рощин, 2020).
Вопрос пространственной корреляции цепочек npFe0 с контурами светлых областей стекла и механизм выстраивания таких частиц в цепочки остается актуальным. Возможно, расположение цепочек частиц npFe0 указывает на прохождение фронта тепловых волн, конвективных потоков в расплаве или во время образования пузырей в расплаве, на краю которых накапливается металлический расплав. Кроме того, текстуры в виде нерегулярных полигонов, как в эксперименте с базальтовым стеклом (рис. 6), так и с пироксенами (рис. 15), могут свидетельствовать в пользу конвективного потока или выстраивания в цепочки во время коллапса пузырьков на поверхности расплава.
Механизм формирования наблюдаемых сферул можно объяснить на основе термической диссоциации оксида железа в расплаве и последующей закалки, приводящей к выделению глобул металлического железа и дендритных структур новообразований.
При локальном импульсном лазерном нагреве мишеней выше температуры плавления происходит термическая диссоциация оксида железа в силикатном расплаве по реакции:
2FeO = 2Fe + O2↑
(тепловой эффект реакции = 530 кДж/моль). Константа равновесия для этой реакции КFeO выражается через парциальное давление кислорода и активности компонентов:
КFeO = (PO2*a2F e)/a2F eO.
Направление реакции определяется соотношением равновесного парциального давления кислорода PравнO2 и фактического парциального давления кислорода PфактO2. Если PфактO2<PравнO2, то изменение свободной энергии ΔGoFeO отрицательно (ΔGoFeO < 0), что способствует диссоциации оксида железа. Этот процесс иллюстрируется на рис. 17, где закрашенной областью выделены значения PфактO2, характерные для Луны. Таким образом, при высоких температурах диссоциация оксида железа приводит к образованию глобул металлического железа и выделению кислорода в виде самостоятельной фазы (рис. 17).
Рис. 17. Диаграмма устойчивости оксидов металлов в зависимости от температуры и парциального давления кислорода.
Наблюдаемые текстуры (рис. 7б, рис. 11, рис. 15) могут быть результатом закалки. Об этом свидетельствует появление и закономерное распределение глобул железа в образце. В образце с низким содержанием SiO₂ (оливин) максимально деполимеризованный расплав успевал раскристаллизоваться, ввиду его малой вязкости и подвижности его компонентов. В то время как расплав с высоким содержанием кремнекислородных тетраэдров, которые менее подвижны в силу их полимеризации, при быстром охлаждении остается в аморфном состоянии (превращается в стекло). В образцах оливина и пироксена железо формирует дендритные микрокристаллиты, что также указывает на закалку расплава (рис. 11б, 16). Дендриты возникают в условиях быстрого охлаждения ввиду преимущественного развития реберных и вершинных форм кристаллов, находящихся в наиболее благоприятных условиях питания.
После плавления материала и диссоциации оксида железа, механизм формирования сферул npFe⁰ при закалке может быть следующим.
При достаточно быстром охлаждении атомы железа не успевают переместиться в области равновесного положения или равномерно распределиться по расплаву. Перед закалкой концентрации атомов могут иметь локальные флуктуации из-за тепловых движений и взаимодействия с другими компонентами расплава. Железо имеет малую растворимость в силикатном расплаве при понижении температуры, что вызывает его стремление к обособлению от расплава. Атомы железа начинают сегрегироваться в отдельные области. Когда температура падает ниже критической для стабильности железных фаз, начинается нуклеация мелких частиц – железных кластеров. Атомы железа, находящиеся вблизи зародышей, легко присоединяются к ним, стремясь к снижению общей энергии системы.
Даже при ограниченной диффузии в условиях быстрого охлаждения атомы железа могут мигрировать к зародышам глобул, увеличивая их размер. Это движение определяется градиентом химического потенциала, при котором атомы железа стремятся переходить в области с более низким потенциалом (зародыш глобулы). Таким образом, система стремится к минимизации свободной энергии, что стабилизирует глобулы и способствует их росту. При этом, если термодинамические и химические условия позволяют, кластеры железа могут переходить в упорядоченное состояние с металлической связью и ферромагнитными свойствами, формируя нанокристаллы альфа-Fe. Внутри таких глобул атомы железа взаимодействуют более эффективно, образуя более прочные и стабильные связи.
В нашем эксперименте глобулы оказались крупнее, чем в лунном веществе или в других экспериментах с наносекундными лазерами, вероятно, из-за более длительного лазерного импульса (в нашем случае – миллисекунды). Длительное отложение энергии способствует более продолжительному формированию сферул, что позволяет большему количеству атомов присоединиться к растущей сферуле. Размер сферул может также регулироваться механизмом переконденсации (Оствальдовское созревание), когда крупные сферулы растут за счет мелких.
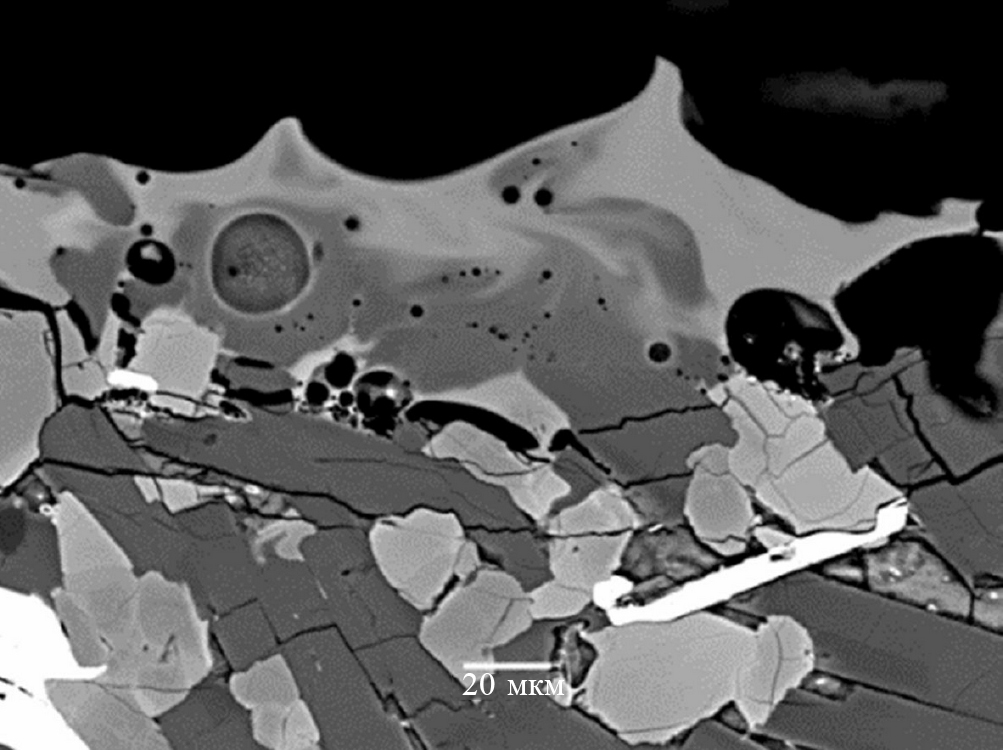
Следует отметить, что результаты были сопоставлены с СЭМ-изображений агглютината лунного грунта, доставленного космическим аппаратом «Луна-20» (рис. 18). В лунных агглютинатах наблюдаются как россыпи наносферул, так и их цепочки. Размеры сферул колеблются от нескольких десятков нанометров до почти 1 микрона. В этом случае цепочки npFe0 обозначают некоторые текстуры течения расплава и очерчивают зерна кристаллитов (которые отличаются по составу от стеклянной матрицы) на определенном расстоянии от нее (около 1 мкм). К сожалению, идентификация определенной систематики в текстурах распределения сферул затруднена, поскольку эта частица претерпела множество последовательных изменений на протяжении геологической истории.
Рис. 18. Зерно лунного агглютината с различными зонами, содержащими россыпи и цепочки npFe0. Образец лунного грунта, доставленный космическим аппаратом “Луна-20”. Образцы любезно предоставлены С.И. Демидовой из лаборатории метеоритики ГЕОХИ РАН.
ЗАКЛЮЧЕНИЕ
Данное исследование поможет расширить знания о механизмах формирования и характеристиках наносферул металлического железа (npFe0), повсеместно обнаруженных в реголите Луны, а также, в различных экспериментах по имитации микрометеоритной бомбардировки.
Эксперимент показал, что внутри расплава образуются наносферулы металлического железа, а эффективность образования npFe0 значительно варьирует в зависимости от типа мишени. Базальтовое стекло, оливин и пироксен обладают разной степенью генерации и сегрегации npFe0 при одинаковых условиях лазерного облучения. Базальтовое стекло склонно к образованию многочисленных россыпей и цепочек, наносферул железа по сравнению с кристаллическим базальтом, что указывает на чувствительность процесса образования к структуре мишени и минеральному составу, при одинаковом химическом составе.
В случае оливиновых образцов существует прямая корреляция между начальным содержанием FeO в минерале и количеством образовавшихся npFe0 после эксперимента. Это говорит о том, что химический состав также играет ключевую роль в степени формирования npFe0.
Данные эксперименты предполагают, что формирование npFe0 происходит внутри расплава, в отсутствие восстанавливающих агентов или продуктов осаждения ударнообразованного пара.
Предлагается термическое восстановление в расплаве в качестве потенциального механизма формирования npFe0, обусловленного повышением температуры, приводящим к уменьшению растворимости металла в расплаве. Этот механизм независим от окислительно-восстановительной обстановки (наличия восстанавливающих агентов). Формирование как глобул, цепочек и других структур металлического железа может быть обусловлено закалкой расплава, во время которой происходит укрупнение локальных флуктуаций повышенного содержания атомов железа.
Присутствие россыпей и цепочек npFe0 в лунных образцах указывает на аналогичные механизмы формирования данных образований в реголите Луны, включающие термовосстановление и процессы диффузии.
Понимание механизмов формирования npFe0 в экспериментальных условиях может пролить свет на аналогичные процессы, происходящие в лунном реголите. Присутствие npFe0 в лунных образцах может предоставить ценную информацию об истории поверхностных процессов на Луне, таких как ударные события, а также учесть оптические эффекты космического выветривания.
Авторы благодарны А. Ф. Шацкому и О. А. Луканину за конструктивную критику и ценные советы.
Работа выполнена в рамках госзаданий ГЕОХИ РАН.
Об авторах
Е. М. Сорокин
Институт геохимии и аналитической химии им. В.И. Вернадского РАН
Автор, ответственный за переписку.
Email: egorgeohim@ya.ru
Россия, 119991, Москва, ул. Косыгина, 19
М. В. Герасимов
Институт космических исследований РАН
Email: egorgeohim@ya.ru
Россия, 117485, Москва, ул. Профсоюзная, 84/32
М. А. Зайцев
Институт космических исследований РАН
Email: egorgeohim@ya.ru
Россия, 117485, Москва, ул. Профсоюзная, 84/32
В. Д. Щербаков
Московский государственный университет имени М.В. Ломоносова
Email: egorgeohim@ya.ru
Геологический факультет
Россия, 119991, Москва, Ленинские горы, 1К. М. Рязанцев
Институт геохимии и аналитической химии им. В.И. Вернадского РАН
Email: egorgeohim@ya.ru
Россия, 119991, Москва, ул. Косыгина, 19
С. П. Крашенинников
Институт геохимии и аналитической химии им. В.И. Вернадского РАН
Email: egorgeohim@ya.ru
Россия, 119991, Москва, ул. Косыгина, 19
О. И. Яковлев
Институт геохимии и аналитической химии им. В.И. Вернадского РАН
Email: egorgeohim@ya.ru
Россия, 119991, Москва, ул. Косыгина, 19
Е. Н. Слюта
Институт геохимии и аналитической химии им. В.И. Вернадского РАН
Email: egorgeohim@ya.ru
Россия, 119991, Москва, ул. Косыгина, 19
Список литературы
- Анисимов С.И., Имас Я.А., Романов Г.С., Ходыко Ю.В. (1970). Действие излучения большой мощности на металлы. М.: Наука, 272 с.
- Арискин А.А., Яковлев О.И., Бычков К.А. (2008) Импульсный нагрев конденсатов газово-пылевой небулы как механизм сопряженного образования силикатных хондр и металла. Проблемы зарождения и эволюции биосферы (под ред. Э.М. Галимова). — М.: Книжный дом «ЛИБРОКОМ», 345–364.
- Виноградов А.П., Нефедов В.И., Урусов В.С., Жаворонков Н.М. (1972) Рентгеноэлектронное исследование лунного реголита из морей Изобилия и Спокойствия. ДАН СССР. 2, 207.
- Маркова О.М., Яковлев О.И., Семенов Г.А., Белов А.Н. (1986). Некоторые общие результаты экспериментов по испарению природных расплавов в камере Кнудсена, Геохимия. (11), 1559–1569.
- Рощин В.Е., Рощин А.В. (2020) Общая электронная теориявосстановления (окисления) металлов. Известия высших учебных заведений. Черная металлургия. 63(3–4), 271–285.
- Рэди Дж. (1974) Действие мощного лазерного излучения. М.: Мир, 468 с.
- Слюта Е.Н., Воропаев С.А. (1992) Малые и планетные тела Солнечной системы. Критическая масса ледяных тел. ДАН. 325(4), 692–696.
- Яковлев О.И., Диков Ю.П., Герасимов М.В., Влотска Ф., Хут Й. (2003) Экспериментальное изучение факторов, определяющих состав стекол лунного реголита. Геохимия. 5, 467–481.
- Яковлев О.И., Косолапов А.И., Кузнецов А.И., Нусинов М.Д. (1972) Результаты исследования фракционного испарения базальтового расплава в вакууме. ДАН СССР. 206, 4, 970–973.
- Яковлев О.И., Маркова О.М., Семенов Г.А., Белов А.Н. (1987) Об образовании металлической формы железа при нагревании хондритов. Метеоритика. 46, 104–118.
- Adams J.B., McCord T.B. (1971) Alteration of lunar optical properties: age and composition effects. Science. 171(3971), 567–71.
- Allen С.C., Morris R.V., Lauer H.V., Jr. McKay D.S. (1993) Microscopic Iron Metal on Glass and Minerals— A Tool for Studying Regolith Maturity. Icarus. 104, 291–300.
- Allen C.C., Morris R.V., McKay D.S. (1995) Experimental space weathering of lunar soils. Meteoritics. 30, 479–607.
- Basu A. (2005) Nanophase Fe0 in lunar soils. J. Earth Syst. Sci. 114(3), 375–380.
- Brunetto R., Romano F., Blanco A., Fonti S., Martino M., Orofino V., Verrienti C. (2006) Space weathering of silicates simulated by nanosecond pulse UV excimer laser. Icarus. 180, 546–554.
- Christoffersen R., Rahman Z., Keller L.P. (2012) Solar ion sputter deposition in the lunar regolith: experimental simulation using focused-ion beam techniques. In: Proceedings of the 43rd Lunar and Planetary Science Conference, 2614.
- Cisowski C.S., Dunn J.R., Fuller M., Rose M.F., Wasilewski P.J. (1974) Impact processes and lunar magnetism. In: Proceedings of the Fifth Lunar Conference Suppl. 5, Geochim. Cosmochim. Acta. 3, 2841–2858.
- Davoisne C., Leroux H., Frère M., Gimblot J., Gengembre L., Djouadi Z., Ferreiro V., d’Hendecourt L., Jones A. (2008) Chemical and morphological evolution of a silicate surface under low-energy ion irradiation. A&A. 482(2), 541–548.
- Dukes C.A, Baragiola R.A. (1999) Surface modification of olivine by H+ and He+ bombardment. J. Geophys. Res. 104, 1865–1872.
- Gerasimov M.V, Ivanov B.A., Yakovlev O.I., Dikov Yu.P. (1999) Physics and Chemistry of Impacts. In: Ehrenfreund, K. Krafft, H. Kochan, V. Pirronello (eds.), Laboratory Astrophysics and Space Research. Astrophys. Space Sci. 236, 279–330
- Gerasimov M.V., Dikov Yu.P., Yakovlev O.I. (2004) Reduction of W, Mn, and Fe, during high-temperature vaporization. In: Proceedings of the 35th Lunar Planetary Sci. Conf., 1491.
- Hapke B. (1973) Darkening of silicate rock powders by solar wind sputtering. Moon, 7, 342.
- Hapke B. (2001) Space weathering from Mercury to the asteroid belt. J. Geophys. Res. 106, 10039–10073.
- Hapke B., Cassidy W., Wells E. (1975) Effects of vapor-phase deposition processes on the optical, chemical and magnetic properties of the lunar regolith. Earth, Moon, Planets, 13, 339–354.
- Hartung J.B., Horz F., Gault D.E. (1972) Lunar microcraters and interplanetary dust. In: Proc. of the 3rd Lunar Science Conf. Suppl. 3, Geochim. Cosmochim. Acta. 3, 2733–2753.
- Housley R.M., Grant R.W., Abdel-Gawad M. (1972) Study of excess Fe metal in the lunar fines by magnetic separation, Mossbauer spectroscopy, and microscopic examination. In: Proc. Third Lunar Sci. Conf, Geochim. Cosmochim. Acta, Suppl. 3, 1, 1065–1076.
- Housley R.M., Blander M., Abdel-Gawad M., Grant R.W., Muir A.H. Jr. (1970) Mossbauer spectroscopy of Apollo 11 samples. In: Proc. Apollo 11 Set Conf, Geochim. Cosmochim. Acta, Suppl. 1, 3, 2251–2268.
- Housley R.M., Cirlin E.H., Goldberg I.B., Crowe, H. (1975) Ferromagnetic resonance as a method of studying the micrometeorite bombardment history of the lunar surface. In: Proc. 6th Lunar Sci. Conf. 3173–3186.
- Housley R.M., Grant R.W., Muir A.H. Jr. Blander M., and Abdel-Gawad, M. (1971) Mossbauer studies of Apollo 12 Samples. In: Proc. Apollo 11 Lunar Set Conf, Geochim. Cosmochim Acta, Suppl. 1, 3, 2125–2136
- Housley R., Grant R., Paton N. (1973) Origin and characteristics of excess Fe metal in lunar glass welded aggregates. Geochim.Cosmochim. Acta. Suppl. 4, 2737–2749
- Jopek T.J., Kaňuchová Z. (2017) IAU Meteor Data Center—the shower database: A status report. Planetary and Space Science. 143, 3–6.
- Keller L.P., McKay D.S. (1995) The Origin of Amorphous Rims on Lunar Soil Grains – Revisited. Meteoritics. 30(5), 526.
- Keller L.P., McKay D.S. (1993) Discovery of vapor deposits in the lunar regolith. Science, 261, 1305–1307.
- Keller L.P., Clemett S.J. (2001) Formation of nanophase iron in the lunar regolith. In: Poc. 32nd Lunar and Planetary Science Conference. 2097.
- Keller L.P., McKay D.S. (1997) The nature and origin of rims on lunar soil grains. Geochim. Cosmochim. Acta. 61(11), 2331–2341.
- Kissel J., Kruger F.R. (1987). Ion Formation by Impact of Fast Dust Particles and Comparison with Related Techniques. Appl. Phys. A 42, 69–85.
- Kuhlman K.R., Sridharan K, Kvit A. (2015) Simulation of solar wind space weathering in orthopyroxene. Planet. Space Science. 115, 110–114.
- Kurahashi E., Yamanaka C., Nakamura K., Sasaki S. (2002) Laboratory simulation of space weathering: ESR measurements of nanophase metallic iron in laser-irradiated materials. Earth Planets Space. 54, e5–e7.
- Lantz C., Brunetto R., Barucci M., Fornasier S., Baklouti D., Bourcüois J., Godard M. (2017) Ion irradiation of carbonaceous chondrites: A new view of space weathering on primitive asteroids. Icarus. 285, 43–57.
- Li Y., Li S.J., Xie Z.D., Li X.Y. (2016) Laser irradiated impact experiments show that nanophase iron particles formed by shock-induced melting rather than vapor deposition. 79th Annual Meeting of the Meteoritical Society, 6338.
- Loeffler M.J., Dukes C.A., Christoffersen R., and Baragiola R.A. (2016). Space weathering of silicates simulated by successive laser irradiation: In situ reflectance measurements of Fo90, Fo99+, and SiO2. Meteorit. Planet. Science. 51, 2, 261–275 (2016)
- Loeffler M.J., Baragiola A., Murayama M. (2008a) Laboratory simulations of redeposition of impact ejecta on mineral surfaces. Icarus. 196, 285–292.
- Loeffler M.J., Dukes C.A., Baragiola R.A. (2009) Irradiation of olivine by 4 keV He+: Simulation of space weathering by the solar wind. J. Geophys. Res. 114, E03003.
- Loeffler M.J., Dukes C.A., Chang W.Y., McFadden L.A., Baragiola R.A. (2008b) Laboratory simulations of sulfur depletion at Eros. Icarus. 195, 622–629.
- McKay D.S., Fruland R.M., Heiken G.H. (1974) Grain size and the evolution of lunar soils. In: Proceedings of the Fifth Lunar Conference, Supplement 5, Geochim. Cosmochim. Acta. 1, 887–906.
- McKay D.S., Heiken G.H., Basu A., Blanford G., Simon S., Reedy R., French B. M., and Papike J. (1991) The lunar regolith. In: Heiken G. H., Vaniman D. T., French B. M. (eds), The lunar sourcebook. Cambridge University Press, New York, 284–356.
- Moroz L.V., Fisenko A.V., Semjonova L.F., Pieters C.M., Korotaeva N.N. (1996) Optical effects of regolith processes on S-asteroids as simulated by laser shots on ordinary chondrite and other mafic materials. Icarus. 122, 366–382.
- Morris R.V. (1976) Surface exposure indices of lunar soils: A comparative FMR study. In: Proc. 7th Lunar Planetary Sci. Conf. Pergamon, New York, 315–335.
- Morris R.V. (1978) The surface exposure (maturity) of lunar soils: Some concepts and Is/FeO compilation. In: Proc. 9th Lunar Planetary Sci. Conf. Pergamon, New York, 2287–2297.
- Morris R.V. (1980), Origins and size distribution of metallic iron particles in the lunar regolith. In: Proc. 11th Lunar Planet. Sci. Conf. 1697–1712.
- Nagata T., Ishikawa Y., Kinoshita H., Kono M., Syono Y., Fisher R.M. (1970) Magnetic properties and natural remanent magnetization of lunar materials. In: Proc. Apollo 11 Lunar Sci. Conf, Geochim. Cosmochim. Acta, Suppl. 1, 3, 2325–2340.
- Noble S.K., Pieters C.M., Keller L.P. (2005) Evidence of space weathering in regolith breccias I: Lunar regolith breccias. Meteoritics & Planetary Science. 40, 397–408.
- Noble S.K., Pieters C.M., Keller L.P. (2007) An experimental approach to understanding the optical effects of space weathering. Icarus. 192(2), 629–642.
- Noguchi T., Kimura M., Hashimoto T., Konno M., Nakamura T., Zolensky M.E., Okazaki R., Tanaka M., Tsuchiyama A., Nakato A., Ogami T., Ishida H., Sagae R., Tsujimoto S., Matsumoto T., Matsuno J., Fujimura A., Abe M., Yada T., Mukai T., Ueno M., Okada T., Shirai K., Ishibashi Y. (2014) Space weathered rims found on the surfaces of the Itokawa dust particles. Meteoritics & Planetary Science. 49(2), 188–214.
- Pieters C.M., Noble S.K. (2016) Space weathering on airless bodies. J. Geophys. Res. Planets. 121, 1865–1884.
- Pieters C.M., Taylor L.A., Noble S.K., Keller L.P., Hapke B., Morris R.V., Allen C.C., McKay D.S., Wentworth S. (2000) Space weathering on airless bodies: Resolving a mystery with lunar samples. Meteorit. Planet. Sci. 35(5), 1101–1107.
- Runcorn S.K., Collinson D.W., O’Reilly W., Battey M.H., Stephenson A., Jones J.M., Manson A.J., Readman P.W. (1970) Magnetic properties of Apollo 11 lunar samples. In: Proc. Apollo 11 Lunar Sci. Conf., Geochim. Cosmochim. Acta. Suppl. 1, 3, 2369–2387.
- Sasaki S., Nakamura K., Hamabe Y., Kurahashi E., Hiroi T. (2001) Production of iron nanoparticles by laser irradiation in a simulation of lunar-like space weathering. Nature. 410, 555–557.
- Slyuta E.N., Physical and mechanical properties of the lunar soil (a review), Sol. Syst. Res. 2014, 48(5), 330– 353.
- Sorokin E.M., Yakovlev O.I., Slyuta E.N., Gerasimov M.V., Zaitsev M.A., Shcherbakov V.D., Ryazantsev K.M., Krasheninnikov S.P. (2020) Experimental Modeling of a Micrometeorite Impact on the Moon. Geochem. Int. 58(2), 113–127.
- Thompson M.S., Zega T.J., Howe J.Y. (2017) In situ experimental formation and growth of Fe nanoparticles and vesicles in lunar soil. Meteoritics & Planetary Science. 52(3), 413–427.
- Tsay F.D., Chan S.I., Manatt S.L. (1971) Ferromagnetic resonance of lunar samples. Geochim. Cosmochim. Acta. 35, 865–875.
- Yakovlev O.I., Dikov Yu.P., Gerasimov M.V. (2006) Experimental data on the thermal reduction of phosphorus and iron and their significance for the interpretation of the impact change of matter on the Moon. Geochem. Int. 9, 915–923.
- Yakovlev O.I., Dikov Yu.P., Gerasimov M.V. (2009) Effect of the disproportionation reaction of ferrous iron in impact-evaporation processes. Geochem. Int. 47(2), 134–142.
- Zaitsev M.A., Gerasimov M.V., Safonova E.N., Vasiljeva A.S. (2016) Peculiarities in the formation of complex organic compounds in a nitrogen-methane atmosphere during hypervelocity impacts. Solar System Research. 50(2), 113–129.
Дополнительные файлы




















