Influence of negative temperatures on crystal structure, properties, and fracture of Cr–Mn–C–N steel
- Authors: Narkevich N.A.1, Mironov Y.P.1, Badulin N.V.2
-
Affiliations:
- Institute of Strength Physics and Materials Science SB RAS
- The National Research Tomsk Polytechnic University
- Issue: Vol 125, No 9 (2024)
- Pages: 1180-1188
- Section: СТРУКТУРА, ФАЗОВЫЕ ПРЕВРАЩЕНИЯ И ДИФФУЗИЯ
- URL: https://ogarev-online.ru/0015-3230/article/view/281264
- DOI: https://doi.org/10.31857/S0015323024090124
- EDN: https://elibrary.ru/KEHJMB
- ID: 281264
Cite item
Full Text
Abstract
The structure of casting austenitic Cr–Mn–C–N steel at low enviromental and cryogenic temperatures has been investigated by means of X-ray diffraction analysis and transmission electron microscopy. The results demonstrate that the parameters of the crystal structure undergo a change during cooling of the quenched steel. During the cooling process from 20 to –90°C, the austenite lattice parameter undergoes a decrease, whereas the concentration of stacking faults remains unaltered. At lower temperatures, the FCC lattice parameter exhibits a stabilizing effect, while the concentration of stacking faults increases sharply. It was observed that there are temperature-dependent displacements of atoms belonging to the FCC lattice from their equilibrium positions. In close-packed planes with the {111} orientation, the observed displacements are larger than in planes with the {200} orientation, along the entire temperature range. The alterations in the crystal structure parameters are indicative of the relaxation process of internal stresses. The steel exhibited a set of high strength properties within the temperature range from –105 to 20°C, with σ0.2 of 800 MPa and σu of 1100 MPa. Additionally, the steel demonstrated satisfactory ductility of 10% and a ductile nature of fracture. At a temperature of –96°C, steel fracture is alwaya of brittle character.
Full Text
ВВЕДЕНИЕ
Безникелевые аустенитные стали, легированные азотом, в сравнении с хромоникелевыми, обладают более высокой прочностью, не уступают в коррозионной стойкости и имеют низкую стоимость [1, 2]. Они нашли применение в энергетической промышленности [3, 4], кораблестроении, железнодорожном хозяйстве, химической промышленности [4], биомедицине [5]. Недостатками азотсодержащих сталей являются плохая обрабатываемость резанием, высокое сопротивление холодному деформированию, наличие вязкохрупкого перехода при отрицательных температурах.
Технологии аддитивного производства с использованием проволоки или порошковых смесей [6, 7], спекания порошков высокоазотистых сталей [8] частично решают проблему формоизменения, но для массового производства эти технологии не пригодны, поскольку низкая стоимость сталей перекрывается высокой стоимостью оборудования, необходимого для изготовления деталей сложного профиля при ограниченной производительности. Вместе с тем исследования [9, 10] показывают, что легированные азотом стали демонстрируют хорошие литейные свойства, а литые изделия обладают высокими эксплуатационными характеристиками.
Термообработка отливок включает гомогенизационный отжиг с последующей закалкой. От температуры закалки в значительной степени зависят структура и фазовый состав высокоазотистых сталей. С повышением температуры отжига от 1060°С [11] до 1240°С [10] устраняется дендритная структура, растворяются карбиды и нитриды, образовавшиеся при охлаждении отливок, формируется зеренная аустенитная структура [10]. Во избежание формирования двухфазной аустенитно-ферритной структуры в безникелевых сталях, содержащих 20–23% Сr, помимо Mn и N в состав целесообразно добавлять углерод. Литейные аустенитные хромомарганцевые стали с высоким содержанием элементов внедрения (С + N) обладают более высокими прочностными свойствами в сравнении с Cr–Mn–N-сталями [12]. Присутствие в составе углерода упрощает металлургический процесс плавки. При этом исключается необходимость продувки кислородом для образования СО2 и удаления углерода из расплавленной стали. Это, в свою очередь, уменьшает окисление марганца.
Представляет интерес исследование влияния низких температур на кристаллическую структуру литой стали такого класса, механические свойства и характер разрушения стали с целью обоснования ее применения в системах хранения и транспортировки сжиженного газа, а также в инфраструктуре Арктического региона.
МАТЕРИАЛ И МЕТОДИКИ ЭКСПЕРИМЕНТОВ
Химический состав исследованной Cr–Mn–С–N-стали показан в табл. 1. Сталь была выплавлена при атмосферном давлении в лабораторной 50-ти килограммовой индукционной печи с хромомагнезитовой футеровкой. Сначала сталь выливали в ковш, затем разливали в 5 земляных форм. При этом происходило двойное перемешивание жидкой стали. После удаления прибыльной части с усадочной раковиной и включениями шлака слиток разрезали на плиты, размерами 50×200 мм и толщиной 12 мм. Термическая обработка с учетом опыта работ [9, 10] включала гомогенизационный отжиг при 1000°С в течение 3 ч, дополнительный нагрев до 1150°С для растворения вторичных фаз с выдержкой 40 мин и закалку в воде.
Таблица 1. Химический состав исследованной стали
Состав | Cr | Mn | Si | Ni | C | N | P | S | Fe |
Вес. % | 24.4 | 16.4 | 1.1 | 0.18 | 0.57 | 0.7 | 0.002 | 0.017 | Ост. |
Структуру выявляли травлением раствором кислот HCl и HNO3 в глицерине в соотношении 2:1:3 и исследовали на сканирующем электронном микроскопе (СЭМ) Vega 3 SB (Tescan, Греция). На этом же приборе исследовали поверхности разрушения образцов после механических испытаний.
Фазовый состав и микродеформации в стали исследовали методами рентгеновской дифрактометрии на приборе ДРОН-8Н (Bourevestnik JSC, Россия) в фильтрованном CuKa-излучении. Прибор оснащен системой быстрой регистрации отраженной интенсивности в геометрии по Брэггу–Брентано. Дифрактометрические съемки пластины из исследуемой стали толщиной 0.15 мм и площадью 10 мм2 проводили в вакуумной камере при температурах 20, –30, –60, –90, –120 и –190°С. Предварительно поверхность пластины шлифовали и полировали алмазными пастами. Завершали подготовку электролитической полировкой в растворе H3PO4 (430 мл) + CrO3 (50 г).
Параметр решетки определяли интерполированием функции Нельсона–Райли [13], построенной по межплоскостным расстояниям для всех кристаллографических плоскостей, попадающих в угловой интервал съемки дифрактограммы. Концентрацию дефектов упаковки (ДУ) определяли по углам 2Θ, соответствующим положению дифракционных максимумов плоскостей (111) и (200) [14]. Смещения атомов из равновесных положений определяли для плоскостей (111) – (222) и (200) – (400), исходя из величин интегральных интенсивностей дифракционных максимумов [14, 15].
Тонкую структуру исследовали на электронном микроскопе JEM 2100 (JEOL, Япония). Фольги получали ионным утонением на установке JEDL Ion Slicer EM-09100 1S (JEOL, Япония).
Для механических испытаний вырезали плоские образцы электроискровым способом. Длина рабочей части образцов была 15 мм, а сечение 2.5×1 мм. Свойства определяли по результатам испытаний 3-х образцов на одну точку. Механические испытания при растяжении проводили на испытательной машине INSTRON 5582 (INSTRON, США) со скоростью деформирования 1.87×10−4 с−1 в интервале температур от –196 до 20°С. Относительную деформацию определяли как ε=100×∆l/l0, где ∆l – удлинение образца, l0 – исходная длина рабочей части образца.
РЕЗУЛЬТАТЫ ЭКСПЕРИМЕНТОВ И ИХ ОБСУЖДЕНИЕ
Структура стали
Закалка от 1150°С по данным [16] обеспечивала полное растворение вторичных фаз.
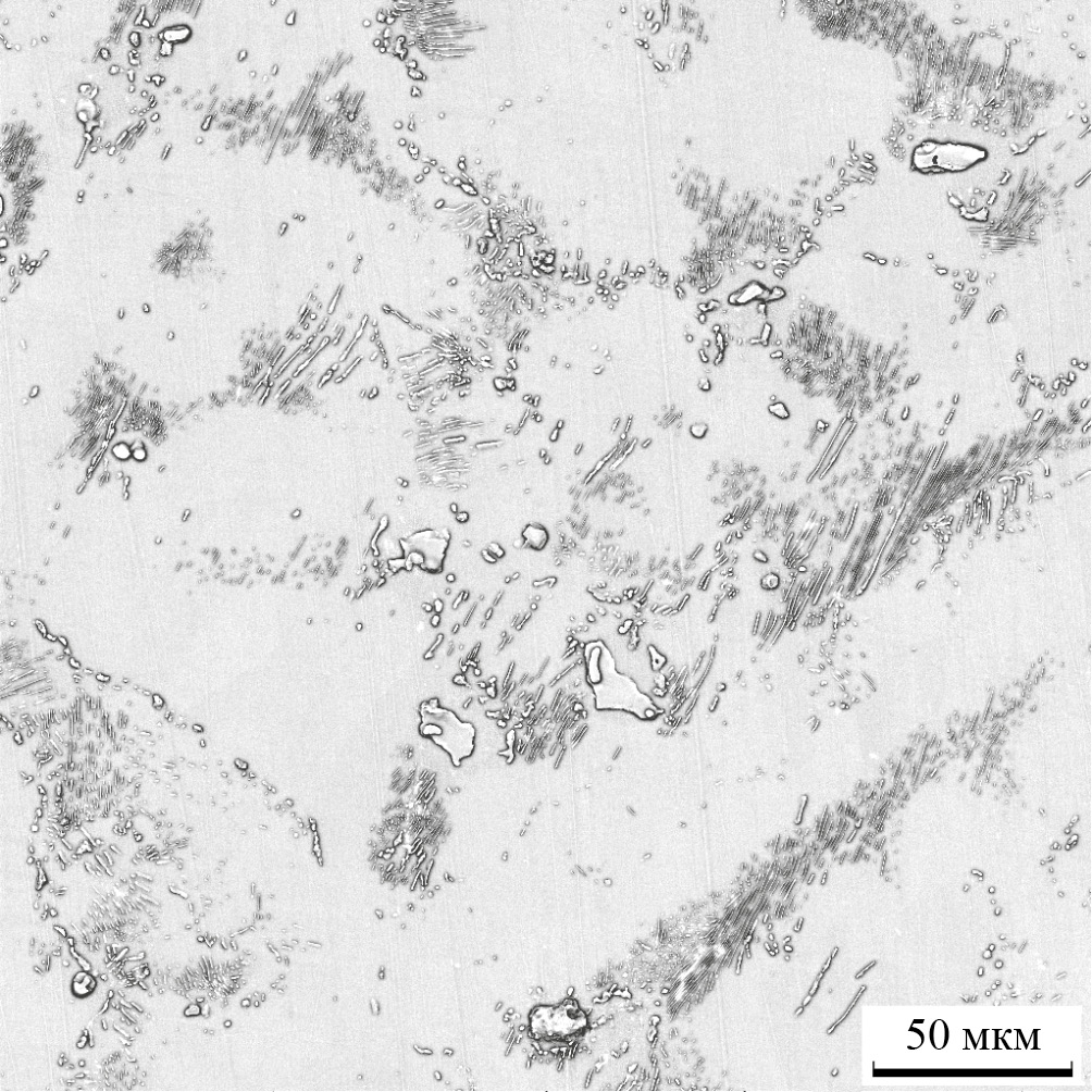
Но, как видно из рис. 1, в нашем случае этого не произошло из-за более высокого суммарного содержания (С+N)°=°1.27%. Структура такого типа обеспечивает исследованной стали более высокую износостойкостью по сравнению со сталью Гадфильда [17].
Рис. 1. Структура литой Cr–Mn–C–N-стали после отжига и закалки.
На дифрактограммах дисперсные фазы не разрешаются, рис. 2а. Основу структуры представляет аустенит. Изменение фазового состава при понижении температуры вплоть до −196°С не зарегистрировано.
Рис. 2. Дифрактограммы Cr–Mn–C–N-стали, исследованной in situ при 20 и –190°С (а); температурные зависимости параметра решетки а и концентрации ДУ a (б); экстраполяционные зависимости параметров решетки аустенита сплошные линии (в). (Штриховые линии соединяют точки, соответствующие величинам параметра решетки для плоскостей (200) и (400)).
Влияние низких температур на кристаллическую структуру стали заключается в уменьшении параметра ГЦК-решетки и, следовательно, ее объема вследствие термического сжатия, рис. 2б. Кроме того, на снижение температуры решетка отреагировала разнонаправленным смещением дифракционных максимумов (111) и (222), а также (200) и (400). На рис. 2в видно, что с понижением температуры увеличивается наклон штриховых линий, соединяющих величины параметра решетки, соответствующие плоскостям (200) и (400). Такие смещения характерны для сталей, содержащих дефекты упаковки (ДУ). Таким образом, уменьшение параметра решетки аустенита сопровождается увеличением концентрации ДУ. Известно [18], что ДУ возникают в результате расщепления полных дислокаций при релаксации внутренних напряжений, при мартенситных превращениях, либо как следствие воздействия внешних напряжений. Дислокационные реакции расщепления полных дислокаций в исследуемой стали активируются внутренними напряжениями, вызванными внедренными в ГЦК-решетку атомами азота и углерода. При снижении температуры объем решетки уменьшается, напряжения возрастают. Полученные экспериментальные данные согласуются с результатами [19, 20], где показано, что с понижением температуры энергия дефекта упаковки (ЭДУ) в сталях, легированных азотом, снижается. А ЭДУ и вероятность образования ДУ связаны обратно пропорциональной зависимостью [21]. Образование ДУ при криогенной обработке стали Гадфильда, имеющей низкую ЭДУ, рассматривается как микропластическая деформация [22].
Другие данные, суммированные в монографии [23], свидетельствуют о том, что подобные искажения ГЦК-решетки возникают вследствие магнитного упорядочения при охлаждении ниже температуры Нееля (ТN). Оценка величины TN, рассчитанной для исследуемой стали из соотношения: TN°[К]°=°90–1.25Сr–2.75Ni–5.5Mo–14.0Si+7.75Mn [24], дает TN°=°170.7К° (–102.3°С). С учетом различия между расчетными и экспериментальными результатами [25], а также того, что частично хром связан с углеродом в карбидах, TN не выше –60°С.
Таким образом, наблюдаемое на рис. 2в искажение ГЦК-решетки при температурах ниже −60°С может быть дополнительно усилено переходом аустенита из парамагнитного в антиферромагнитное состояние.
ДУ шириной до 300 нм наблюдаются в структуре стали после охлаждения в жидком азоте, рис. 3а, б. Дислокации распределены неравномерно, образуют сетки и дислокационные стенки, рис. 3в, г. Плотность дислокаций в областях их скопления составляет около 5×109 см−2. ДУ образуются также в местах локализации напряжений на межфазных границах, разделяющих карбиды и матрицу, рис. 3д, е. На электронограмме, рис. 3е, наряду с сетками рефлексов аустенита присутствует сетка рефлексов карбидов, идентифицированных как Cr3С2. Этот карбид имеет орторомбическую решетку. Межплоскостные расстояния, определенные по электронограмме: d=1.33 Å, d=1.26 Å и d=0.75 Å, совпадают с табличными данными ICDD файла (карта 3-935) [26] и соответствуют кристаллографическим плоскостям с индексами (212), (71) и (913). Совпадают также величины экспериментально измеренного и рассчитанного угла между направлениями [212] и [71], равного 60.7 градусов. Частицы нитридов Cr2N после закалки не наблюдались, что свидетельствует о переходе атомов азота в твердый раствор. Аналогичные результаты были получены при исследовании Cr–Mn-стали c еще более высоким (0.83%) содержанием азота [27].
Рис. 3. ТЭМ-изображение структуры после охлаждения до –196°С: ДУ (а) и соответствующая этому участку фольги электронограмма (б); сетка дислокаций (в) и соответствующая этому участку фольги электронограмма (г); карбиды Сr3C2 и ДУ (д): электронограмма (е) получена от участка, выделенного селекторной диафрагмой (обозначен кружком). Рефлексы аустенита принадлежат оси зоны z=[552]g и оси зоны z=[332]g, рефлексы карбида Сr3C2 принадлежат оси зоны z=[5 12 ]Cr3C2.
Для оценки величины и масштаба упругих микродеформаций, ответственных за формирование напряженного состояния, было проведено сравнение полуширин дифракционных максимумов стали при комнатной температуре и после последовательного охлаждения до –190°С. Оказалось, что на упругие внутризеренные микродеформации, ответственные за формирование напряжений II рода, снижение температуры не повлияло. Однако проявились упругие смещения атомов из своих равновесных положений, ответственные за формирование микронапряжений III рода, рис. 4.
Рис. 4. Температурные зависимости смещений атомов в ГЦК-решетке в плоскостях (111) и (222), а также (200) и (400).
Смещения в плоскостях {111} при комнатной температуре составляют 1.54% от параметра решетки и снижаются до 1.29% при –190°С.
Смещения атомов в плоскостях {200} во всем температурном интервале меньше, чем в плотноупакованных. По-видимому, это связано с преимущественным расположением атомов азота в тетраэдрических порах, как обладающего меньшим радиусом атома по сравнению с углеродом. Характер температурных зависимостей смещений атомов из равновесных положений в плоскостях {111} и {200} различен. В плотноупакованных плоскостях снижение температуры способствует уменьшению смещений, в то время как в плоскостях {200} смещения возрастают. Частичная релаксация внутренних напряжений в плоскостях {111} является следствием образования при температурах ниже –90°С ДУ. В плоскостях типа {200} такой механизм отсутствует. Релаксационный процесс при образовании ДУ в плоскостях {111} лишь стабилизирует положения атомов в плоскостях {100}. Температура, соответствующая началу уменьшения смещений атомов, –90°С коррелирует с температурой, при которой наблюдается скачок концентрации ДУ, рис. 2б.
Механические свойства
Результаты испытаний стали на растяжение показаны рис. 5. Угол наклона упругого участка диаграмм растяжения к оси абсцисс при снижении температуры испытаний увеличивается, рис. 5а, что свидетельствует об увеличении модуля упругости Е.
Рис. 5. Кривые σ–ε Cr–Mn–C–N-стали, испытанной на растяжение при разных температурах (а); температурные зависимости предела прочности σв и предела текучести σ0.2 (б) и относительной деформации ε (в).
Другой особенностью деформационного поведения является отсутствие локализованной пластичности. Вне зависимости от температуры испытаний все образцы разрушались без образования шейки. А в ходе испытаний при −196°С разрушение произошло без пластической деформации, при напряжении, практически равном пределу текучести, рис. 5а–в.
Характер разрушения
Поверхности изломов образцов, испытанных при растяжении в температурном интервале от 20°С до –105°С, состояли преимущественно из ямок, рис. 6а–в, в то время как образцы при –196°С разрушились хрупко, транскристаллитно, рис. 6г.
Рис. 6. Поверхности разрушения образцов после испытаний на растяжение при температурах 20°C (a), 90°C (б), 105°C (в) и 196°C (г).
Среди причин изменения характера разрушения при снижении температуры в литературе отмечают снижение подвижности дислокаций при низких температурах из-за взаимодействия скользящих дислокаций с растворенными атомами азота [28], образование с участием азота областей с ближним порядком [29], “cоскальзывание” (slipping-off [30]) по активным плоскостям скольжения с высокой плотностью дислокаций. Между тем установлено, что с увеличением концентрации внедренных атомов температура вязкохрупкого перехода повышается. В работе [31] нами было показано, что после интенсивной деформационной обработки, активировавшей деформационное старение, поверхностный слой высокоазотистой стали, содержащей 0.52% азота, при –196°С разрушается вязко. Выход атомов азота из позиций внедрения способствовал уменьшению внутренних напряжений. Мы полагаем, что искажения ГЦК-решетки с формированием в ней высоких внутренних напряжений являются основным фактором, способствующим блокированию пластической деформации и хрупкому разрушению.
ВЫВОДЫ
Выполненное исследование кристаллической структуры и механических свойств Сr–Mn–C–N-стали позволяет сделать следующие выводы:
- В стали с высоким содержанием элементов, образующих твердый раствор внедрения (С+N), при снижении температуры от комнатной до −190°С происходят самосогласованные и взаимосвязанные события, а именно немонотонное уменьшение параметра решетки аустенита и ее объема, увеличение концентрации ДУ.
- Для стали характерны большие смещения атомов из равновесных положений, при охлаждении имеющие тенденцию к снижению в плотноупакованных плоскостях {111}. Температура, соответствующая началу уменьшения смещений атомов −90°С коррелирует с температурой, при которой происходит резкое увеличение концентрации ДУ. Дефектная структура, сформированная при низких температурах, отражает процесс частичной релаксации внутренних напряжений.
- При температурах от 20 до −105°С сталь имеет удовлетворительную пластичность не ниже 10% и высокие прочностные свойства σ0.2=600–800 МПа и σв=1000–1100 МПа при вязком характере разрушения. При испытаниях на растяжение при −196°С сталь разрушается по окончании стадии упругой деформации хрупко с нулевой пластичностью.
Рентгенографические и электронно-микроскопические исследования выполнены с использованием оборудования ЦКП “Нанотех” ИФПМ СО РАН.
Работа выполнена в рамках государственного задания ИФПМ СО РАН, тема номер FWRW-2021-0009.
Авторы данной работы заявляют, что у них нет конфликта интересов.
About the authors
N. A. Narkevich
Institute of Strength Physics and Materials Science SB RAS
Author for correspondence.
Email: natnark@list.ru
Russian Federation, Tomsk, 634055
Yu. P. Mironov
Institute of Strength Physics and Materials Science SB RAS
Email: natnark@list.ru
Russian Federation, Tomsk, 634055
N. V. Badulin
The National Research Tomsk Polytechnic University
Email: natnark@list.ru
Russian Federation, Tomsk, 634050
References
- Berns H., Gavriljuk V., Riedner S., Tyshchenco A. High Strength Stainless Austenitic CrMnCN Steels – Part I: Alloy Design and Properties // Steel Res. Int. 2007. V. 78. P. 714–719.
- Lo K.H., Shek C.H., Lai J.K.L. Recent developments in stainless steels // Mater. Sci. Eng.: R. 2009. V. 65. P. 39–104.
- Simmons J.W. Overview: high-nitrogen alloying of stainless steels // Mater. Sci. Eng.: A. 1996. V. 207. P. 159–169.
- Банных И.О., Глезер А.М. Основные принципы легирования и обработки высокоазотистых аустенитных коррозионностойких сталей // Деформация и разрушение материалов. 2018. № 6. С. 2–6.
- Talha M., Behera C.K., Sinha O.P. Promising in vitro performances of nickel-free nitrogen containing stainless steels for orthopaedic applications // Bull. Mater. Sci. 2014. V. 37. P. 1321–1330.
- Astafurov S., Astafurova E., Reunova K., Melnikov E., Panchenko M., Moskvina V., Maier G., Rubtsov V., Kolubaev E. Electron-beam additive manufacturing of high-nitrogen steel: Microstructure and tensile properties // Mater. Sci. Eng.: A. 2021. V. 826. Р. 141951.
- Panin V.E., Narkevich N.A., Durakov V.G., Shulepov I.A. Control of the Structure and Wear Resistance of a Carbon-Nitrogen Austenitic Steel Coating Produced by Electron Beam Cladding // Phys. Mesomech. 2021. V. 24. P. 53–60.
- Shen H., Zou J., Li Y., Li D., Yu Y., Wang X. Effects of nitrogen on predominant sintering mechanism during the initial stage of high nitrogen nickel-free stainless steel powder // J. Alloys. Comp. 2023. V. 945. Р. 169230.
- Kostina M.V., Polomoshnov P. Yu., Blinov V.M., Muradyan S.O., Kostina V.S. Cold Resistance of New Casting Cr–Mn–Ni–Co Steel with 0.5% of N. Part One // Steel Transl. 2019. V. 49. P. 761–770.
- Kumar A., Sharma A., Goel S.K. Effect of heat treatment on microstructure, mechanical properties and erosion resistance of cast 23–8-N nitronic steel // Mater. Sci. Eng.: A. 2015. V. 637. P. 56–62.
- Kazakov A.A., Kolpishon E., Shakhmatov A., Badrak R. As-Cast Structure and Metallurgical Inheritance of High Nitrogen Austenitic Stainless Steel // Microsc. Microanal. 2015. V. 21. P. 1753–1754.
- Gürol U. Welding of High Manganese Austenitic Cast Steels Using Stainless Steel Covered Electrode // Int. J. Metalcast. 2023. V. 17. P. 1021–1033.
- Mittemeijer E.J., Scardi P. (Eds) Diffraction Analysis of the Microstructure of Materials. Berlin: Springer Verlag, 2004. P. 333–499.
- Горелик С.С., Скаков Ю.А., Расторгуев Л.Н. Рентгенографический и электронно-оптический анализ. М.: МИСиС, 2002. 357 с.
- Перевалова O.Б., Коновалова E.В., Конева Н.A., Козлов Э.В. Влияние атомного упорядочения на зернограничные ансамбли ГЦК-твердых растворов. Томск: НТЛ, 2014. 248 с.
- Qiao Y., Chen J., Zhou H., Wang Y., Song Q., Li H., Zheng Z. Effect of solution treatment on cavitation erosion behavior of high-nitrogen austenitic stainless steel // Wear. 2019. V. 424–425. P. 70–77.
- Tagiltseva D.N., Narkevich N.A., Moiseenko D.D., Shulepov I.A. Relaxation capacity and cracking resistance of nitrous coating produced by electron-beam facing of 0.6C-24Cr-0.7N-16Mn steel powder during wear by hard abrasive under heavy loads // J. Frict. Wear. 2014. V. 35. P. 104–110.
- Gottstein G. Physical Foundations of Material Science. Berlin: Springer, 2004. Р. 209–212.
- Dai Qi-X., Wang An-D., Cheng X.-N., Luo X.-M. Stacking fault energy of cryogenic austenitic steels // Chin. Phys. 2002. V. 11. № 6. P. 596–600.
- Gavriljuk V.G., Sozinov A.L., Foct J., Petrov Ju.N., Polushkin Yu.A. Effect of nitrogen on the temperature dependence of the yield strength of austenitic steels // Acta Mater. 1998. V. 46. № 4. P. 1157–1163.
- Lenel U.R., Knott B.R. Structure and properties of corrosion and wear resistant Cr–Mn–N steels // Metall. Trans. A. 1987. V. 18. P. 847–855.
- Altuntas G., Bostan B., Altuntas O. Evaluation of the effect of shallow cryogenic treatment on tribological properties and microstructure of high manganese steel // Inter. Metalcast. 2023. V. 18. P. 1523–1534.
- Сагарадзе В.В., Уваров А.И. Упрочнение и свойства аустенитных сталей. Екатеринбург: РИО УрО РАН, 2013. 720 с.
- Warnes A.A., King H.W. The low temperature magnetic properties of austenitic Fe-Cr-Ni alloys. The prediction of Neel temperatures and maximum susceptibilities // Cryogenics. 1976. V. 16. P. 659–667.
- Torres-Meji´a L.G., Paredes-Gil K., Parra Vargas C.A., Lentz J., Weber S., Mujica-Roncery L. Effect of Deformation on the Magnetic Properties of C + N Austenitic Steel // Metall. Mater. Trans. A. 2024. V. 55A. P. 150–160.
- International Centre for Diffraction Data (ICDD), USA. http://www.icdd.com/, 2020.
- Шабашов В.А., Ляшков К.А., Катаева Н.В., Коршунов Л.Г., Сагарадзе В.В., Заматовский А.Е. Инверсия перераспределения азота в аустенитной стали при сверхвысокой пластической деформации // ФММ. 2021. Т. 122. № 7. С. 705–712.
- Tanaka М., Onomoto Т., Tsuchiyama T., Higashida K. Brittle-to-ductile transition in nickel-free austenitic stainless steels with high nitrogen // ISIJ Int. 2012. V. 52. P. 915–921.
- Kim J-M., Kim S-J., Kang J-H. Effects of short-range ordering and stacking fault energy on tensile behavior of nitrogen-containing austenitic stainless steels // Mater. Sci. Eng.: A. 2022. V. 836. Р. 142730.
- Hwang B., Lee T.H., Park S.J., Oh C.S., Kim S.J. Ductile-to-Brittle Transition Behavior of High-Nitrogen 18Cr-10Mn-0.35N Austenitic Steels Containing Ni and Cu // Proceed. Mater. Sci. Forum. 2010. V. 654–656. Р. 158–161.
- Наркевич Н.А., Власов И.В., Гоморова Ю.Ф., Сыртанов М.С., Толмачев А.И., Волочаев М.Н. Характер разрушения нержавеющей Cr–Mn–N–стали с наноструктурированными поверхностными слоями при криогенной температуре // ЖТФ. 2024. Т. 94. № 1. С. 90–98.
Supplementary files







