Formation of Deformation Bands during Impact Indentation of an Al–6Mg Alloy
- Autores: Shibkov A.A.1, Zolotov A.E.1, Denisov A.A.1, Gasanov M.F.1
-
Afiliações:
- Derzhavin Tambov State University
- Edição: Volume 124, Nº 4 (2023)
- Páginas: 423-429
- Seção: ПРОЧНОСТЬ И ПЛАСТИЧНОСТЬ
- URL: https://ogarev-online.ru/0015-3230/article/view/139412
- DOI: https://doi.org/10.31857/S0015323022601982
- EDN: https://elibrary.ru/VIMYEG
- ID: 139412
Citar
Texto integral
Resumo
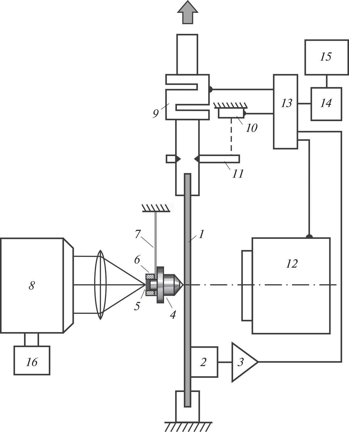
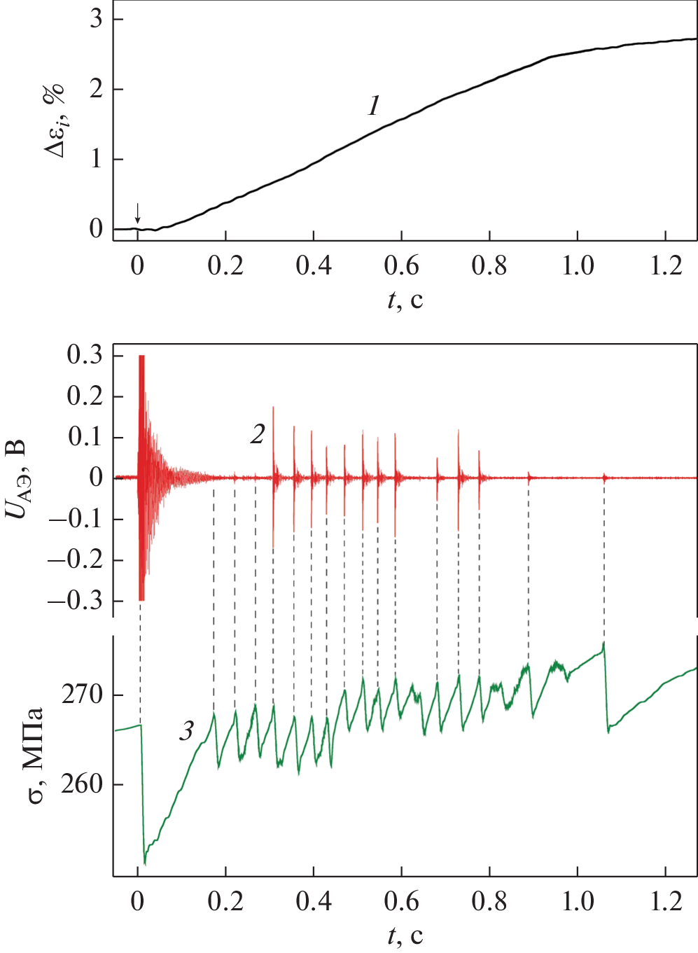
The nucleation and growth of macrolocalized deformation bands initiated by impact indentation in deformed aluminum-magnesium alloy samples have been investigated by acoustic emission and highspeed video recording with a time resolution to 50 μs. The indenter impact has been found to trigger the development
of a ~1–3% amplitude plastic deformation macroscopic jump due to the nucleation and propagation of about ten deformation bands on an alloy surface, thus demonstrating the Portevin–Le Chatelier effect. Macrolocalized deformation bands are shown to be a dangerous type of erosion damage that can cause the
sudden fracture of an alloy.
Palavras-chave
Sobre autores
A. Shibkov
Derzhavin Tambov State University
Email: shibkovaleks@mail.ru
Tambov, 392036 Russia
A. Zolotov
Derzhavin Tambov State University
Email: shibkovaleks@mail.ru
Tambov, 392036 Russia
A. Denisov
Derzhavin Tambov State University
Email: shibkovaleks@mail.ru
Tambov, 392036 Russia
M. Gasanov
Derzhavin Tambov State University
Autor responsável pela correspondência
Email: shibkovaleks@mail.ru
Tambov, 392036 Russia
Bibliografia
- Белл Дж.Ф. Экспериментальные основы механики деформируемых твердых тел. М.: Наука, 1984. Ч. 2. 432 с.
- Portevin A., Le Chatelier F. Sur un phenomene observe lors de l’essai de traction d’alliages en cours de transformation // C.R. Acad. Sci. Paris. 1923. V. 176. P. 507–510.
- Savart F. Recherches sur les vibrations longitudinales // Ann. Chim. Fhys. 1837. V. 65. P. 337–402.
- Andrade E.N. da C. On the viscous flow in metals and allied phenomena // Proc. Roy. Soc. A. 1910. V. 84. P. 1–12.
- Шибков А.А., Золотов А.Е., Гасанов М.Ф., Желтов М.А., Проскуряков К.А. Влияние импульсного лазерного ИК-излучения на динамику и морфологию деформационных полос в алюминий-магниевом сплаве // ФТТ. 2018. Т. 60. № 9. С. 1632–1640.
- Шибков А.А., Денисов А.А., Золотов А.Е., Кочегаров С.С. Влияние агрессивной среды на прерывистую деформацию алюминий-магниевого сплава АМг6 // ФТТ. 2017. Т. 59. № 1. С. 96–102.
- Шибков А.А., Мазилкин А.А., Протасова С.Г., Михлик Д.В., Золотов А.Е., Желтов М.А., Шуклинов А.В. Влияние выделений вторичной фазы на скачкообразную деформацию алюминиево-магниевого сплава АМг6 // Деформация и разрушения материалов. 2008. № 6. С. 12–17.
- Шибков А.А., Желтов М.А., Лебедкин М.А., Скворцов В.В., Кольцов P.Ю., Шуклинов А.В. Комплекс in situ методов исследования скачкообразной пластической деформации металлов// Заводская лаборатория. 2005. № 7. Т. 71. С. 20–27.
- Shibkov A.A., Zheltov M.A., Gasanov M.F., Zolotov A.E., Denisov A.A., Lebyodkin M.A. Dynamics of deformation band formation investigated by high-speed techniques during creep in an AlMg alloy // Mater. Sci. Eng. A. 2020. V. 772. P. 138777.
- Shibkov A.A., Gasanov M.F., Zheltov M.A., Zolotov A.E., Ivolgin V.I. Intermittent plasticity associated with the spatio-temporal dynamics of deformation bands during creep tests in an AlMg polycrystal // Int. J. Plast. 2016. V. 86. P. 37–55.
- Хилл Р. Математическая теория пластичности. М.: Гостехиздат, 1956. 369 с.
- Колесников Ю.В., Морозов Е.М. Механика контактного разрушения. М.: ЛКИ, 2012. 11 с.
- Деревягина Л.С., Панин В.Е., Гордиенко А.И. Самоорганизация пластических сдвигов в макрополосах локализованной деформации в шейки высокопрочных поликристаллов и ее роль в разрушении материала при одноосном растяжении // Физ. мезомех. 2007. Т. 10. № 4. С. 59–71.
- Батуев Г.С., Голубков Ю.В., Ефремов А.К., Малинин Н.И. Инженерные методы исследования ударных процессов. М.: Машиностроение, 1977. 240 с.
- Selyutina N., Borodin E.N., Petrov Y., Mayer A.E. The definition of characteristic times of plastic relaxation by dislocation slip and grain boundary sliding in copper and nickel // Int. J. Plast. 2016. V. 82. P. 97–111.
- Селютина Н.С., Петров Ю.В. Прогнозирование динамического предела текучести металлов с помощью двух структурно-временных параметров // ФТТ. 2018. Т. 60. № 2. С. 240–244.
- Евстифеев А.Д., Петров Ю.В., Казаринов Н.А., Валиев Р.Р. Исследование прочности титанового сплава Ti–6Al–4V в условиях ударных и импульсных воздействий // ФТТ. 2018. Т. 60. № 12. С. 2320–2324.
- Prata F., Rose B. Volcanic Ash Hazards to Aviation/ in The encyclopedia of volcanoes, 2nd ed. Academic Press, 2015. Ch. 52. 911 p.
Arquivos suplementares





