Методы синтеза PbIn1/2Ta1/2O3 со структурой перовскита
- Авторы: Гусев А.А.1, Раевский И.П.2
-
Учреждения:
- Институт химии твердого тела и механохимии СО Российской академии наук
- Научно-исследовательский институт физики и физический факультет Южного федерального университета
- Выпуск: Том 60, № 4 (2024)
- Страницы: 441-446
- Раздел: Статьи
- URL: https://ogarev-online.ru/0002-337X/article/view/274507
- DOI: https://doi.org/10.31857/S0002337X24040039
- EDN: https://elibrary.ru/NAQABO
- ID: 274507
Цитировать
Полный текст
Аннотация
Изучено влияние механической активации на синтез индия-танталата свинца и на формирование фаз перовскита и пирохлора как в процессе механохимического синтеза, так и при последующем обжиге. Для снижения электропроводности керамики в шихту вводился карбонат лития, который стабилизирует структуру перовскита. Синтез образцов PbIn1/2Ta1/2O3 проводился при добавках карбоната лития 1–3 мас.% (сверх стехиометрии) и временах обжига 30 мин–2 ч. Описаны условия получения монофазы перовскита при использовании добавок карбоната лития и различных температурах обжига. Показано, что последовательность введения реагентов в шихту и их активация оказывают существенное влияние на синтез продукта и формирование фазы перовскита. Проведено сравнение различных способов такой подготовки, отличающихся режимами механической активации и условиями введения компонентов. Установлены оптимальные условия, позволяющие получить пьезокерамику с наибольшим количеством фазы перовскита и максимальной плотностью. По результатам исследований получен патент на изобретение.
Полный текст
ВВЕДЕНИЕ
В предыдущей нашей работе по данной тематике [1] были рассмотрены ранее описанные в литературе методы синтеза индия-танталата свинца [2-5]. Также были представлены наши результаты исследования влияния механохимической активации и последующего спекания на формирование структуры перовскита PbIn1/2Ta1/2O3. Особенности работы активатора и условия футеровки шаров для предотвращения намола описаны в работах [6, 7]. Были рассмотрены следующие способы синтеза: синтез PbIn1/2Ta1/2O3 из оксидов без стабилизирующих добавок; различное время обжига образцов; горячее прессование; синтез PbIn1/2Ta1/2O3 с использованием предварительно синтезированного прекурсора InTaO4; синтез стабилизированного оксидом бора PbIn1/2Ta1/2O3.
Целью данного исследования является получение однофазного PbIn1/2Ta1/2O3 со структурой перовскита с использованием Li2CO3 в качестве стабилизирующей добавки механохимическим синтезом с последующим спеканием.
ЭКСПЕРИМЕНТАЛЬНАЯ ЧАСТЬ
Исходными реагентами для синтеза указанного материала служили порошки In2O3, Ta2О5, PbO и Li2CO3 качества не хуже «х.ч.» Условия активации, спекания порошков и методы анализа подробно описаны в работе [1].
РЕЗУЛЬТАТЫ И ОБСУЖДЕНИЕ
1 мас.% Li2CO3 сверх стехиометрии, время обжига 2 ч. Данный синтез проводился двумя различными способами.
В способе 1 карбонат лития добавлялся в смесь оксидов индия и тантала, состав тщательно усреднялся в ступке, а затем проводилась активация в течение 10 мин. После этого в полученную смесь добавлялся оксид свинца и активация проводилась еще 10 мин.
В способе 2 оксиды индия и тантала активировались 10 мин. Карбонат лития добавлялся в оксид свинца, все тщательно усреднялось в ступке, а затем их смесь добавлялась в уже активированные оксиды индия и тантала и активация проводилась еще 10 мин.
В результате обжига образцов при температуре 950°С в обоих случаях получились образцы с максимальной плотностью и наибольшим содержанием фазы перовскита. В способе 1 содержание фазы перовскита составляет 79%, а в способе 2 – 93% (см. рис. 1 и 2). Это максимальное количество фазы перовскита, полученного в данных исследованиях. Поэтому в дальнейших исследованиях использовался для подготовки шихты способ 2.
Рис. 1. Дифрактограммы образцов, приготовленных по способам 1 и 2, после обжига при 950°С.
Рис. 2. Плотность образцов, приготовленных по способам 1 и 2, в зависимости от температуры обжига.
1 мас.% Li2CO3 сверх стехиометрии, время обжига 1 ч. При спекании образцов до 800°С формируется двухфазная система перовскит–пирохлор с преобладанием пирохлорной фазы. В случае обжига при 900°С, как следует из рис. 3, формируется преимущественно фаза перовскита с небольшим количеством фазы пирохлора. После шлифования образца появляется заметное количество фазы пирохлора. После обжига в интервале температур от 950 до 1050°С формируется только фаза перовскита, однако после шлифовки появляется фаза пирохлора, при этом чем при больших температурах обжигаются образцы, тем больше фазы пирохлора в них присутствует. При повышении температуры до 1100°С на нешлифованном образце появляется фаза пирохлора, а на шлифованном она преобладает. При обжиге при 1150°С наблюдается только фаза пирохлора с небольшим количеством оксида свинца Pb3O4 (фазы 2).
Рис. 3. Дифрактограммы нешлифованных и шлифованных образцов, содержащих 1 мас.% Li2CO3, после обжига в течение 1 ч при температурах 900, 950°С.
1 мас.% Li2CO3 сверх стехиометрии, время обжига 30 мин. Как следует из полученных результатов (рис. 4, табл. 1), фаза перовскита начинает формироваться с наружной поверхности образца. На поверхности образцов, спеченных в интервале температур от 950 до 1050°С, формируется только фаза перовскита, но на шлифованных образцах присутствует и фаза пирохлора. Вероятно, не хватает времени для формирования фазы перовскита по всей толщине образца. Однако чем при больших температурах обжигаются образцы, тем больше фазы перовскита в них остается. В табл. 1 представлено количество фазы перовскита в зависимости от температуры обжига и величины сошлифовки образца.
Рис. 4. Дифрактограммы нешлифованных и шлифованных образцов, содержащих 1 мас.% Li2CO3, после обжига в течение 30 мин при температурах 950, 1050°С.
Таблица 1. Количество фазы перовскита в зависимости от температуры обжига и величины сошлифовки образца
Температура обжига, °С | Кол-во фазы перовскита в нешлифованных образцах, % | Величина сошлифовки, мм | Кол-во фазы перовскита после шлифовки, % |
900 | 90 | 0.05 | 45 |
950 | 100 | 0.05 | 78 |
950 | 100 | 0.156 | 32 |
1000 | 100 | 0.05 | 90 |
1050 | 100 | 0.05 | 94 |
Обжиг образцов при температуре выше 1100°С приводит к сильному налипанию засыпки на поверхность образцов и началу их разрушения.
Как следует из данных, представленных на рис. 5, наиболее плотные образцы получены при спекании в течение 2 ч.
Рис. 5. Зависимости плотности от температуры обжига образцов, содержащих 1 мас.% Li2CO3, после обжига в течение 30 мин, 1 и 2 ч.
На рис. 6 показана поверхность образцов после обжига при 950 и 1000°С в течение 30 мин.
Рис. 6. Микрофотографии образцов после обжига при 950 (a) и 1000°С (б) в течение 30 мин, содержание Li2CO3 – 1 мас.%.
2 мас.% Li2CO3 сверх стехиометрии, время обжига 2 ч. На рис. 7 представлены дифрактограммы образцов после обжига в интервале температур от 900 до 1150°С. На дифрактограммах нешлифованных образцов присутствуют две фазы – перовскита и поверхностной фазы 1, рефлексы которой свидетельствуют о формировании тетрагональной структуры перовскита. Количество этой фазы с увеличением температуры обжига заметно снижается. После шлифовки данные образцы имеют только фазу кубического перовскита (на рисунках помечена звездочками). Нешлифованные образцы после обжига при 1150°С двухфазны, при этом содержание фазы перовскита 96%, остальное – фаза пирохлора.
Рис. 7. Дифрактограммы образцов, содержащих 2 мас.% Li2CO3, после обжига в течение 2 ч при 900°С – нешлифованный образец, 900, 1100, 1150°С – шлифованные образцы.
Шлифованные образцы после обжига при 1150°С также двухфазны, при этом содержание фазы перовскита 73%, остальное – фаза пирохлора. Беспримесная фаза перовскита наблюдается у шлифованных образцов в интервале температур от 900 до 1100°С. На рис. 8 показана поверхность образца после обжига при 950°С в течение 2 ч. Светлые кристаллы принадлежат тетрагональной фазе перовскита.
Рис. 8. Микрофотография образца после обжига при 950°С в течение 2 ч.
2 мас.% Li2CO3 сверх стехиометрии, время обжига 1 ч. В случае спекания образцов при температуре 800°С (рис. 9) образуются фазы перовскита, пирохлора и фаза 1. Ее количество с ростом температуры спекания снижается, а на шлифованных образцах она отсутствует (т.е. она формируется на поверхности). После обжига при 900°С фаза пирохлора отсутствует, но наблюдаются рефлексы фазы 1, а шлифованный образец имеет структуру кубического перовскита.
Рис. 9. Дифрактограммы нешлифованных и шлифованных образцов, содержащих 2 мас.% Li2CO3, после обжига в течение 1 ч при температурах 800, 900°С.
При спекании образцов выше температуры 950°С (на рис. 10 представлена фотография этого образца) фаза пирохлора уже не образуется, но фаза 1 присутствует, однако ее количество с ростом температуры спекания снижается, а количество кубического перовскита увеличивается (см. рис. 11). Во всех случаях после шлифовки образцов, начиная с температуры 900°С (этот нешлифованный образец содержит около 1.5% пирохлора), наблюдается только структура перовскита. В случае обжига при 1100°С даже нешлифованный образец имеет структуру перовскита без всяких посторонних фаз. В шлифованных образцах после обжига при 1150°С снова появляется структура пирохлора (около 4%).
Рис. 10. Микрофотография образца, содержащего 2 мас.% Li2CO3, после обжига при 950°С в течение 1 ч.
Рис. 11. Дифрактограммы образцов, содержащих 2 мас.% Li2CO3, после обжига в течение 1 ч при температурах 950°С, 1100°С – нешлифованные образцы, 950°С, 1150°С – шлифованные образцы.
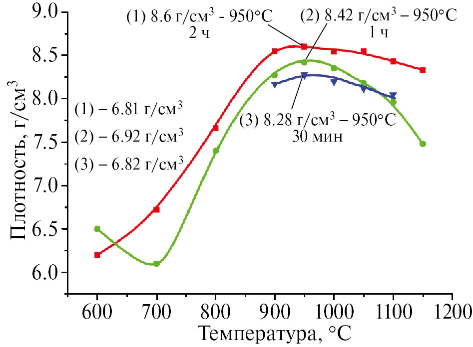
На рис. 12 показана поверхность образцов после обжига при 1000°С в течение 1 ч. Это классическая поверхность структуры перовскита. На рис. 13 показана зависимость плотности от температуры обжига образцов, содержащих 2 мас.% Li2CO3, в течение 1 и 2 ч.
Рис. 12. Поверхность образца, содержащего 2 мас.% Li2CO3, после обжига при 1000°С в течение 1 ч.
Рис. 13. Зависимости плотности от температуры обжига образцов, содержащих 2 мас.% Li2CO3, после обжига в течение 1 и 2 ч.
Видно, что наиболее плотные образцы получаются после обжига в течение 2 ч.
3 мас.% Li2CO3 сверх стехиометрии, время обжига 2 ч. Образцы обжигались в интервале температур от 600 до 1150°С. Максимальное количество фазы перовскита, около 60%, получено после обжига образцов при температуре 1000°С, содержание фазы пирохлора 36%, фазы 1 – 4%. После шлифовки образца соотношение фаз следующее: перовскита –6.5%, пирохлора –85.5%, фазы 1– 8%.
При данных содержании карбоната лития и временах обжига однофазные образцы со структурой перовскита получить не удалось.
3 мас.% Li2CO3 сверх стехиометрии, время обжига 1 ч. При данных условиях синтеза фаза перовскита образуется только после обжига образцов при температуре 600°С. Ее количество составляет около 35%. Затем, до 1000°С, она вообще не образуется, а при 1000°С ее количество составляет 41% на нешлифованных образцах и 15% на шлифованных.
Максимальное количество фазы перовскита содержится в нешлифованных образцах после обжига при 1050°С – 82%, а в шлифованных – 62%.
В образцах после обжига в течение 30 мин при 950°С фаза перовскита находится в самом зачаточном состоянии. Наиболее плотный образец получен при температуре обжига 950°С.
Как следует из полученных результатов, синтезировать монофазу перовскита при добавке 3% Li2CO3 сверх стехиометрии и времени спекания в интервале от 30 мин до 2 ч не удается.
ЗАКЛЮЧЕНИЕ
Показано, что для синтеза фазы перовскита большое значение имеет очередность активации реагентов. Сначала необходимо активировать оксиды индия и тантала. Карбонат лития следует добавлять в оксид свинца, а затем их смесь – в уже активированные оксиды индия и тантала, после чего продолжать активацию.
Монофазу перовскита (без примеси фазы пирохлора) удалось получить при обжиге образцов в течение 1 ч и добавке 2% Li2CO3. Во всех случаях после шлифовки образцов, начиная с температуры 900°С (этот нешлифованный образец содержит около 1.5% пирохлора), присутствует только структура перовскита. При температуре обжига 1100°С даже нешлифованный образец имеет структуру перовскита без всяких посторонних фаз.
При обжиге образцов в течение 2 ч и при добавке 2% Li2CO3 монофаза перовскита наблюдается у шлифованных образцов в интервале температур от 900 до 1100°С.
Во всех остальных описанных случаях получить монофазу перовскита не удалось.
По результатам исследований получен патент на изобретение [7].
ФИНАНСИРОВАНИЕ РАБОТЫ
Работа выполнена в рамках государственного задания ИХТТМ СО РАН (проект № 121032500062-4), а также при поддержке Госзадания Минобрнауки РФ, научный проект № FENW-2023-0015 (Грант № ГЗ0110/23-08-ИФ).
КОНФЛИКТ ИНТЕРЕСОВ
Авторы заявляют, что у них нет конфликта интересов.
Об авторах
А. А. Гусев
Институт химии твердого тела и механохимии СО Российской академии наук
Автор, ответственный за переписку.
Email: gusev@solid.nsc.ru
Россия, ул. Кутателадзе, 18, Новосибирск, 630090
И. П. Раевский
Научно-исследовательский институт физики и физический факультет Южного федерального университета
Email: gusev@solid.nsc.ru
Россия, пр. Стачки, 194, Ростов-на-Дону, 344090
Список литературы
- Гусев А. А., Раевский И. П. Методы синтеза PbIn1/2Ta1/2O3 индий танталата свинца // Неорган. материалы. 2024. Т. 60. № 3. С. 345–351. https://doi.org/10.31857/S0002337X24030111
- Groves P. Fabrication and Characterization of Ferroelectric Pеrovskite Lead Indium Niobate // Ferroelectrics. 1985. V. 65. P. 67-77. https://doi.org/10.1080/00150198508008960
- Kania A. Crystallographic and Dielectric Properties of Flux Grown РbB’1/2 B’’1/2O3 (B’B’’: InNb, InTa, YbNb, YbTa and MgW) Single Crystals. // J. Cryst. Growth. 2008. V. 310. P. 2767-2773. https://doi.org/10.1016/j.jcrysgro.2008.02.024
- Naohiko Yasuda, Susumu Imamura. Preparation and Characterization of Perovskite Lead Indium Tantalate // Ferroelectrics. 1992. V.126. № 1. P. 109-114. https://doi.org/10.1080/00150199208227044
- Naohiko Yasuda, Hiroshi Inagaki and Susumu Imamura. Dielectric Properties of Perovskite Lead Indium Niobate and Tantalite Prepared by Fast Firing Technique // Jpn. J. Appl. Phys. 1992. V. 31. Р.L574. https://doi.org/10.1143/JJAP.31.L574
- Аввакумов Е.Г., Поткин Ф.З., Самарин Р.И. Планетарная мельница. Пат. SU 975068. 1982.
- Зырянов В.В., Сысоев В.Ф., Болдырев В.В., Коростелева Т.В. Способ обработки диэлектрических материалов: Пат. SU 1375328. 1988.
- Гусев А.А., Исупов В.П., Раевский И.П., Раевская С.И. Способ получения монофазного PbIn0.5Ta0.5O3 индий танталата свинца со структурой перовскита: Пат. РФ 2736947. 2020.
Дополнительные файлы















