Parametrical synthesis of various radio devices with the set quantity of identical cascades of type «the nonlinear part – the mixed two-port network»
- Авторлар: Golovkov A.A.1
-
Мекемелер:
- Military Educational and Scientific Center of the Air Force «Air Force Academy»
- Шығарылым: Том 27, № 3 (2024)
- Беттер: 47-60
- Бөлім: Original Study Articles
- URL: https://ogarev-online.ru/1810-3189/article/view/269922
- DOI: https://doi.org/10.18469/1810-3189.2024.27.3.47-60
- ID: 269922
Дәйексөз келтіру
Толық мәтін
Аннотация
Background. Presence of possibility of analytical definition of a part of parametres of various radio devices, optimum by criterion of maintenance of preset values of modules and phases of transfer functions on necessary quantity of frequencies, considerably reduces time of numerical optimisation of other part of parametres by criterion of formation demanded frequency response and phase response in a strip of frequencies. Till now such problems dared concerning radio devices only with one cascade of type «a nonlinear part - the coordination the device» or «the coordination the device – a nonlinear part». In quality «the coordination devices were used the jet, resistive, complex or mixed two-port networks. The problem of multicascade radio devices with jet two-port networks is solved also. Change of basis for the coordination two-port networks and a place of inclusion of a nonlinear part leads to change of area of a physical realizability. Aim. Working out of algorithms of parametrical synthesis of radio devices with any quantity of identical and unequal cascades of type «a nonlinear part ‑the coordination the mixed two-port network» by criterion of maintenance of the set frequency characteristics. Nonlinear parts are presented in the form of a nonlinear element and parallel either consecutive on a current or pressure of a feedback. Methods. The theory of two-port networks, matrix algebra, a decomposition method, a method of synthesis of actuation microwave devices, numerical methods of optimisation. Results. In interests of achievement of the specified purpose systems of the algebraic equations are generated and solved. Models of optimum two-port networks in the form of mathematical expressions for definition of interrelations between elements of their classical matrix of transfer and for search of dependences of mixed of two-poles from frequency are received. It is shown, that at certain parities between quantity of cascades and values of resistance of a source of a signal and loading of the one-cascade radio device frequency characteristics of one-cascade and multicascade radio devices appear identical or similar. Such schemes are named by equivalent. Conclusion. The comparative analysis of theoretical results (frequency response and phase response radio devices, value of parametres), received by mathematical modelling in system MathCad, and the experimental results received by схемотехнического of modelling in systems OrCad and MicroCap, shows their satisfactory coincidence.
Толық мәтін
Введение
В работе [1] предложены алгоритмы параметрического синтеза плоско-слоистых сред (ПСС), содержащих заданное количество управляемых и неуправляемых слоев, по критерию обеспечения заданной амплитудно-фазовой модуляции рассеянного сигнала. Управляемые слои-это двумерно-периодические решетки проводящих стержней или полосок, в разрывы которых включены нелинейные элементы, управляемые низкочастотным сигналом. Неуправляемые слои (НС) – это однородные диэлектрические слои без потерь или двумерно-периодические решетки стержней или полосок. В общем случае ПСС функционирует в смешанном режиме-присутствует как отраженная, так и проходная волна. Если один из НС, расположенный последним по направлению падающей волны, выполнен в виде проводящего экрана, то ПСС является отражающей. В этом случае ПСС может быть использована в качестве основы для построения перспективной курсо-глиссадной системы [2]. Суть алгоритмов состоит в формировании систем алгебраических уравнений, отвечающих требованиям к системным операторам (коэффициентам отражения и передаточным функциям) в заданном количестве состояний, удовлетворяющих заданным уровням низкочастотного сигнала. Результатом решения этих уравнений является система взаимосвязей между элементами классической матрицы передачи некоторых НС, отнесенных к неуправляемой части. Оставшаяся часть НС отнесена к управляемой части ПСС. Система взаимосвязей – это исходная система уравнений для отыскания параметров НС.
Разработанные алгоритмы могут быть использованы практически в любом диапазоне радиочастот. Отличие состоит лишь в реализации элементов классической матрицы передачи НС. В соответствующих диапазонах частот это могут быть элементы либо с распределенными параметрами [1; 2], либо с сосредоточенными параметрами [3–7]. Для реализации геометрических размеров неуправляемых и управляемых решеток ПСС [1; 2] необходимо привлечение результатов решения задач дифракции электромагнитных волн на различных проводящих телах [8].
Наиболее полно метод решения задач параметрического синтеза различных радиоустройств (за исключением многокаскадных) с обоими типами элементов изложен в работе [9].
В данной работе предлагается рассмотреть особенности этих алгоритмов с учетом наличия каскадов типа «(нелинейная часть (НЧ) – смешанный четырехполюсник (СЧ))».
Рис. 1. Структурные схемы многокаскадных радиоустройств с параллельной по напряжению (а) и последовательной по току (б) ЦОС, включенными между источником сигнала и СЧ
Fig. 1. Structural diagrams of multi-stage radio devices with parallel voltage (a) and serial current (b) digital signal processing systems connected between the signal source and the midrange
Эти каскады включены между источником сигнала с сопротивлением и нагрузкой (рис. 1, 2). При этом учитывалось, что НЧ состоит из трехполюсного нелинейного элемента (НЭ) и охватывающей его цепи обратной связи (ЦОС ‑ параллельной или последовательной по току или напряжению).
Рис. 2. Структурные схемы многокаскадных радиоустройств с последовательной по напряжению (а) и параллельной по току (б) цепями обратной связи, включенными между источником сигнала и СЧ
Fig. 2. Structural diagrams of multi-stage radio devices with serial voltage (a) and parallel current (b) feedback circuits connected between the signal source and the midrange
Оптимизация параметров двухполюсников, не входящих в КЧ, осуществляется с помощью известных численных методов [10] по критерию обеспечения заданной рабочей полосы частот. Все обозначения неописанных величин в данной статье соответствуют принятым в [9].
Алгоритм синтеза многокаскадных радиоустройств с учетом наличия каскадов типа «РЧ – НЧ» приведен в работе [11].
Результаты параметрического синтеза
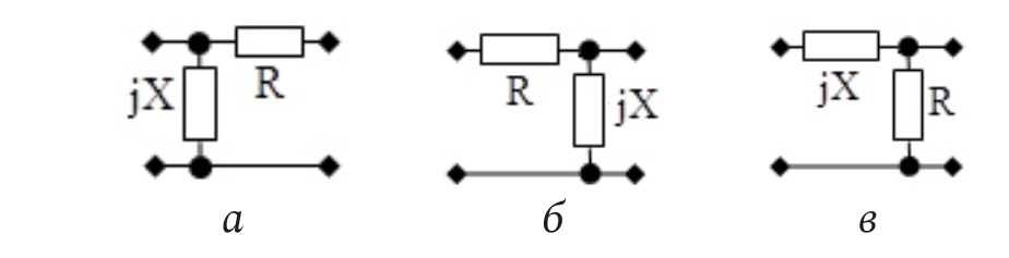
Здесь в качестве примера приводятся некоторые из решений, полученных для типовых схем СЧ при использовании параллельной по напряжению обратной связи (рис. 1, а). Если синтезируется радиоустройство с одинаковыми каскадами [11], а в качестве СЧ используется последовательное соединение сопротивлений и (рис. 3, а), то зависимости этих сопротивлений от частоты определяются следующим образом (аргументы опущены):
(1)
.
Два паралельно соединенных сопротивления R и X (рис. 3, б):
(2)
.
Г-образное соединение двух сопротивлений R и X (рис. 3, в):
(3)
где
Рис. 3. Синтезированные СЧ
Fig. 3. Synthesized mixed quadrupole
Г-образное соединение двух сопротивлений X и R (рис. 4, а):
(4)
где
Обратное Г-образное соединение двух сопротивлений R и X (рис. 4, б):
(5)
,
где
Обратное Г-образное соединение двух сопротивлений X и R (рис. 4, в):
(6)
где
Рис. 4. Синтезированные СЧ (продолжение)
Fig. 4. Synthesized mixed quadripoles (continued)
Т-образное соединение трех сопротивлений и (рис. 5, а):
(7)
,
где
(8)
где
(9)
где
Т-образное соединение трех сопротивлений и (рис. 5, б):
(10)
,
где
(11)
где
(12)
где
Рис. 5. Синтезированные СЧ (продолжение)
Fig. 5. Synthesized mixed quadripoles (continued)
Т-образное соединение трех сопротивлений и (рис. 5, в):
(13)
где
(14)
где
(15)
где
П-образное соединение трех сопротивлений и (рис. 6, а):
(16)
где
(17)
где
(18)
где
П-образное соединение трех сопротивлений и (рис. 6, б):
(19)
где
(20)
где
(21)
где
Рис. 6. Синтезированные СЧ (продолжение)
Fig. 6. Synthesized mixed quadripoles (continued)
П-образное соединение трех сопротивлений и (рис. 6, в):
(22)
где
(23)
где
(23)
где
Если синтезируется радиоустройство с неодинаковыми каскадами [11], а в качестве СЧ используется последовательное соединение сопротивлений R и X (рис. 3, а), то зависимости этих сопротивлений от частоты определяются следующим образом:
(25)
где
Два паралельно соединенных сопротивления R и X (рис. 3, б):
(26)
Г-образное соединение двух сопротивлений R и X (рис. 3, в):
(27)
где
Г-образное соединение двух сопротивлений X и R (рис. 4, а):
(28)
где
Обратное Г-образное соединение двух сопротивлений R и X (рис. 4, б):
(29)
где
Обратное Г-образное соединение двух сопротивлений X и R (рис. 4, в):
(30)
где
Т-образное соединение трех сопротивлений и (рис. 5, а):
(31)
где
(32)
где
(33)
где
Т-образное соединение трех сопротивлений и (рис. 5, б):
(34)
где
(35)
где
(36)
где
Т-образное соединение трех сопротивлений и (рис. 5, в):
(37)
где
где
(39)
где
П-образное соединение трех сопротивлений и (рис. 6, а):
(40)
где
(41)
где
(42)
где
П-образное соединение трех сопротивлений и (рис. 6, б):
(43)
где
(44)
где
(45)
где
П-образное соединение трех сопротивлений и (рис. 6, в):
(46)
где
(47)
где
(48)
где
Оптимизация параметров двухполюсников, свободных от ограничений типа (1)–(44) (то есть находящихся в правой части полученных в данной статье выражений), производится с помощью известных численных методов [10].
Математическое и схемотехническое моделирование
На рис. 7–13 для примера показаны принципиальные и эквивалентные схемы однокаскадного и двухкаскадного усилителей с одинаковыми и неодинаковыми каскадами, соответствующие исследуемой структурной схеме с параллельной по напряжению связью, представленной на рис. 1, а, а также их теоретические и экспериментальные характеристики. Использован транзистор типа (рис. 7, а, 8, 11). Схема НЧ выполнена в виде параллельно-соединенных транзистора и ЦОС (П-образного соединения трех элементов на однокаскадной схеме (рис. 7, а) и на двухкаскадной схеме (рис. 8). Нагрузка и сопротивление источника сигнала выполнены на элементах и соответственно. Схемы СЧ собраны в виде Г-образных четырехполюсников на элементах (рис. 7), (рис. 8), параметры которых определялись по формулам (3).
Рис. 7. Принципиальная схема однокаскадного усилителя (а), соответствующая структурной схеме (рис. 1, а), при напряжении U = 34,8 В, АЧХ и ФЧХ (б), исследуемые в системе MicroCap
Fig. 7. Schematic diagram of a single-stage amplifier (a), corresponding to the structural diagram (Fig. 1, a), at a voltage of U = 34,8 V, frequency response and phase response (b), studied in the MicroCap system
Эквивалентная схема нелинейного элемента выполнена в виде перекрытого Т-образного четырехполюсника на элементах (рис. 9). Параметры эквивалентной схемы НЭ выбраны из условия совпадения выходного сопротивления НЧ с выходным сопротивлением НЧ с использованием реального транзистора [4]. Схема НЧ реализована в виде параллельно-соединенных эквивалентной схемы нелинейного элемента и цепи обратной связи из П-образного соединения трех элементов Параметры ЦОС заданы произвольно. Схема СЧ собрана на основе Г-образного соединения двух элементов Частотные характеристики принципиальных схем, показанные на рис. 7, б (сопротивления источника сигнала и нагрузки равны 100 Ом) и 8 (сопротивления источника сигнала и нагрузки равны 50 Ом), идентичны. Это соответствует выводам, сделанным на основе анализа полученных ранее [3] выражений для передаточных функций исследуемых многокаскадных структурных схем (рис. 1, а).
Рис. 8. Принципиальная схема двухкаскадного усилителя с одинаковыми каскадами, соответствующая структурной схеме (рис. 1, а), частотные характеристики (рис. 7, б) которого идентичны соответствующим характеристикам (рис. 7, б) однокаскадного усилителя (рис. 5, а)
Fig. 8. Schematic diagram of a two-stage amplifier with identical stages, corresponding to the structural diagram (Fig. 1, a), the frequency characteristics (Fig. 7, b) of which are identical to the corresponding characteristics (Fig. 7, b) of a single-stage amplifier (Fig. 5, a)
Таким образом, при использовании СЧ также наблюдается новое явление, состоящее в том, что при определенных соотношениях между количеством каскадов и значениями сопротивлений источника сигнала и нагрузки однокаскадного радиоустройства частотные характеристики однокаскадного и многокаскадного радиоустройств оказываются идентичными или подобными [3]. Такие схемы названы эквивалентными.
Анализ также показывает, что экспериментальные (рис. 7, б) частотные характеристики принципиальной схемы усилителя (рис. 7, а, 8) удовлетворительно совпадают с характеристиками эквивалентной схемы (рис. 9) усилителя, полученными расчетным путем (рис. 10, а) и экспериментально (рис. 10, б).
Рис. 9. Эквивалентная схема однокаскадного усилителя (рис. 5, а), соответствующая структурной схеме (рис. 1, а), исследуемая в системе OrCad
Fig. 9. Equivalent circuit of a single-stage amplifier (Fig. 5, a), corresponding to the structural circuit (Fig. 1, a), studied in the OrCad system
Средняя частота эквивалентной схемы МГц (рис. 10, а и б) незначительно отличается от средней частоты принципиальной схемы МГц (рис. 7, б).
Рис. 10. Частотные характеристики (АЧХ и ФЧХ) эквивалентной схемы (рис. 9), полученные в системе MathCad (а) и OrCad (б)
Fig. 10. Frequency characteristics (frequency response and phase response) of the equivalent circuit (Fig. 9), obtained in the MathCad (a) and OrCad (b) systems
Значения модулей передаточной функции принципиальной и эквивалентной схем усилителя равны Сопротивления РЧ, ЦОС, нагрузки и источника сигнала принципиальных и эквивалентных схем АФМ полностью совпадают.
Рис. 11. Принципиальная схема двухкаскадного усилителя с неодинаковыми каскадами, соответствующая структурной схеме (рис. 1, а), частотные характеристики которого получены в системе MicroCap и изображены на рис. 13, а
Fig. 11. Schematic diagram of a two-stage amplifier with unequal stages, corresponding to the structural diagram (Fig. 1, a), the frequency characteristics of which were obtained in the MicroCap system and are shown in Fig. 13, a
При использовании неодинаковых каскадов возникает возможность значительно увеличить рабочую полосу частот. Например, для двухкаскадной схемы (рис. 11) произведение коэффициента усиления на полосу частот составляет примерно 2100 (рис. 12). Это почти в 7 раз больше, чем произведение коэффициента усиления на полосу частот однокаскадного усилителя или двухкаскадного усилителя с одинаковыми каскадами (рис. 7, б).
Основные показатели (средняя частота, полоса частот коэффициент усиления, форма АЧХ, значения параметров) принципиальной (рис. 11, 13, а) и эквивалентной (рис. 12, 13, б и в) схем усилителя с неодинаковыми каскадами совпадают удовлетворительно. Формы ФЧХ этих схем отличаются, что говорит о недостаточном совпадении эквивалентной и принципиальной схем. Характеристики эквивалентных схем, полученные теоретически (рис. 13, б) и экспериментально (рис. 13, в) совпадают полностью.
Рис. 12. Эквивалентная схема двухкаскадного усилителя с неодинаковыми каскадами (рис. 11), соответствующая структурной схеме (рис. 1, а), исследуемая в системе OrCad
Fig. 12. Equivalent circuit of a two-stage amplifier with unequal stages (Fig. 11), corresponding to the structural circuit (Fig. 1, a), studied in the OrCad system
Рис. 13. Частотные характеристики (АЧХ и ФЧХ) принципиальной схемы (рис. 11), полученные в системе MicroCap (а) и характеристики (АЧХ и ФЧХ) эквивалентной схемы (рис. 12), полученные в системе MathCad (б) и OrCad (в)
Fig. 13. Frequency characteristics (frequency response and phase response) of the basic circuit (Fig. 11), obtained in the MicroCap system (a) and characteristics (frequency response and phase response) of the equivalent circuit (Fig. 12), obtained in the MathCad system (b) and OrCad (c)
В работе [12] показано, что результаты схемотехнического моделирования удовлетворительно совпадают с результатами экспериментальных исследований физических макетов радиоустройств.
Заключение
Таким образом, полученные математические модели СЧ типа (1)–(24) могут быть использованы для технического проектирования усилителей с одинаковыми каскадами типа «НЧ – СЧ». Возможность изменения величины эквивалентного сопротивления источника сигнала и нагрузки путем включения произвольного количества каскадов типа «НЧ – СЧ» значительно упрощает решение многих задач радиоэлектроники [13], например, задач обеспечения однонаправленности распространения сигнала и независимости процессов, происходящих в предыдущем и последующем динамических звеньях систем автоматического регулирования. Использование математических моделей (25)–(48) для синтеза неодинаковых каскадов типа «НЧ – СЧ» совместно с известными численными методами [10] приводит к значительному увеличению (в десятки и сотни раз) скорости оптимизации радиоустройств по критерию обеспечения максимально-возможной рабочей полосы частот по сравнению с использованием для этой цели только численных методов. На практике использовать модели СЧ (1)–(48) надо совместно с результатами работы [9].
Авторлар туралы
Alexander Golovkov
Military Educational and Scientific Center of the Air Force «Air Force Academy»
Хат алмасуға жауапты Автор.
Email: valgol2595@gmail.com
ORCID iD: 0000-0001-8468-0055
Doctor of Technical Sciences, professor, honored inventor of the Russian Federation, professor of the Department of Aviation Systems and Complexes of Radio Navigation and Radio Communication
Ресей, 54a, Staryh Bolshevikov Street, Voronezh, 394064Әдебиет тізімі
- A. A. Golovkov and A. G. Volobuev, “Algorithms for the synthesis and analysis of active flat-layered media of reflective and mixed types,” Physics of Wave Processes and Radio Systems, vol. 6, no. 2, pp. 39–43, 2003. (In Russ.)
- A. A. Golovkov and V. A. Golovkov, “Principles of construction and basic characteristics of perspective noiseproof course-glide system,” Physics of Wave Processes and Radio Systems, vol. 25, no. 1, pp. 27–35, 2022, doi: https://doi.org/10.18469/1810-3189.2022.25.1.27-35. (In Russ.)
- A. A. Golovkov and A. V. Fomin, “Parametrical synthesis of radio devices with the set quantity of identical cascades for variants of inclusion of jet two-port networks between a source of a signal and a nonlinear part,” Physics of Wave Processes and Radio Systems, vol. 24, no. 3, pp. 46–55, 2021, doi: https://doi.org/10.18469/1810-3189.2021.24.3.46-55. (In Russ.)
- A. A. Golovkov, V. A. Golovkov, and A. V. Fomin, “Parametrical synthesis of radio devices with the set quantity of unequal cascades for variants of inclusion of jet two-port networks between a nonlinear part and loading,” Physics of Wave Processes and Radio Systems, vol. 24, no. 3, pp. 63–70, 2021, doi: https://doi.org/10.18469/1810-3189.2021.24.3.63-70. (In Russ.)
- A. A. Golovkov and V. A. Golovkov, “Algorithm for parametric synthesis of cascade-connected matching mixed quadripoles according to the criterion of ensuring stationary generation mode,” Physics of Wave Processes and Radio Systems, vol. 25, no. 1, pp. 45–54, 2022, doi: https://doi.org/10.18469/1810-3189.2022.25.1.45-54. (In Russ.)
- A. A. Golovkov and V. A. Golovkov, “Parametrical synthesis of dynamic links for variants of their inclusion between a nonlinear part and loading of automatic systems of radio management with the general feedback,” Physics of Wave Processes and Radio Systems, vol. 25, no. 2, pp. 40–50, 2022, doi: https://doi.org/10.18469/1810-3189.2022.25.2.40-50. (In Russ.)
- A. A. Golovkov and V. A. Golovkov, “Parametrical synthesis of the complex two-port networks for variants of their inclusion between a source of a signal and a nonlinear part by criterion of maintenance of the set characteristics amplifiers with the general feedback,” Physics of Wave Processes and Radio Systems, vol. 25, no. 2, pp. 51–59, 2022, doi: https://doi.org/10.18469/1810-3189.2022.25.2.51-59. (In Russ.)
- D. P. Tabakov, S. V. Morozov, and D. S. Klyuev, “Application of the thin-wire integral representation of the electromagnetic field to solving the problem of diffraction of electromagnetic waves on conducting bodies,” Physics of Wave Processes and Radio Systems, vol. 25, no. 2, pp. 7–14, 2022, doi: https://doi.org/10.18469/1810-3189.2022.25.2.7-14. (In Russ.)
- A. A. Golovkov and V. A. Golovkov, Parametric Synthesis of Radio Engineering Devices and Systems. Voronezh: VUNTs VVS «VVA», 2018. (In Russ.)
- E. Polak, Numerical Optimization Methods. Moscow: Mir, 1974. (In Russ.)
- A. A. Golovkov, “Parametrical synthesis of various radio devices with the set quantity of cascades of type «the nonlinear part – the complex two-port network»,” Physics of Wave Processes and Radio Systems, vol. 26, no. 3, pp. 40–51, 2023, doi: https://doi.org/10.18469/1810-3189.2023.26.3.40-51. (In Russ.)
- V. D. Razevig, Circuit Simulation with MicroCap-7. Moscow: Goryachaya liniya – Telekom, 2003. (In Russ.)
- A. A. Kulikovskij, Ed. Handbook of Radio Electronics; in 3 vols. Moscow: Energiya, 1970. (In Russ.)
Қосымша файлдар














