Equivalent circuit of an inductor on a nanocrystalline core with a high magnetic permeability
- Авторлар: Dmitrikov V.F.1, Shushpanov D.V.1, Fochenkov E.A.2
-
Мекемелер:
- The Bonch-Bruevich Saint Petersburg State University of Telecommunications
- PJSC «Mstator»
- Шығарылым: Том 25, № 4 (2022)
- Беттер: 100-121
- Бөлім: Articles
- URL: https://ogarev-online.ru/1810-3189/article/view/143707
- DOI: https://doi.org/10.18469/1810-3189.2022.25.4.100-121
- ID: 143707
Дәйексөз келтіру
Толық мәтін
Аннотация
Based on the measured impedance of the inductors based on a toroidal core wound from a thin (18 μm) nanocrystalline tape, with a different number of winding turns, an equivalent high frequency (0 Hz - 500 MHz) circuit model was built. The equivalent circuit model was built taking into account the physical processes occurring in the inductor: effect of wire resistance, effect of core material, mutual effect of wire and core material. The attempt explaining why the frequency characteristics (modulus and phase) of the inductor complex impedance have such a character in a wide frequency band (up to 500 MHz) was made. It was shown that for constructing an equivalent circuit model (structure and parameters), measuring only the inductor’s resistance modulus is not enough. It is also necessary to measure the phase of the inductor complex resistance, which is ignored in many works on the synthesis of an e inductor equivalent circuit. The fundamental difference between the operation of a nanocrystalline core and a ferrite core as applied to high-frequency filters is shown.
Негізгі сөздер
Толық мәтін
Введение
Любая современная радиоэлектронная аппаратура (РЭА) не обходится без реактивных элементов. Одними из важных и наиболее сложных (в расчете и производстве) реактивных элементов являются дроссели. Они служат частью сглаживающего фильтра и фильтра радиопомех (ФРП) в современных импульсных источниках электропитания. Поэтому при проектировании РЭА разработчикам необходимо знать частотные характеристики импедансов (комплексных сопротивлений) дросселей, а также их точные высокочастотные эквивалентные электрические структурно-параметрические схемы замещения (поведенческие модели) в широком диапазоне частот до 100 МГц и выше, хорошо адаптируемые к современным вычислительным программам схемотехнического моделирования.
Современное развитие измерительной техники позволило измерять комплексное сопротивление дросселя в широкой области частот (больше 10 МГц). Но данные измерения комплексного сопротивления дросселя стали производить сравнительно недавно [1; 2]. Измерение частотных характеристик комплексного сопротивления реального дросселя в широком диапазоне частот (до 500 МГц) [3–6] позволило увидеть, что реальный дроссель в широкой области частот представляет собой сложное устройство и использование «старых» НЧ-схем замещения не всегда корректно при проектировании РЭА.
В [7] была построена схема замещения дросселя с тороидальным ферритовым сердечником, т. к. именно этот материал наиболее часто используется в силовой электронике. Данная схема замещения была построена с учетом физических эффектов (влияние сопротивления провода, влияние материала сердечника, взаимное влияние провода и материала сердечника), т. е. была сделана попытка объяснить, почему частотные характеристики (модуль и фаза) комплексного сопротивления так ведут себя в широкой полосе частот (до 500 МГц). Она отличается от схемы замещения, предложенной в [1; 2], тем, что является более высокочастотной и при ее расчете рассматривалась фаза комплексного сопротивления дросселя; это позволило лучше объяснить физические процессы, протекающие в дросселе.
В данной статье рассматривается построение схемы замещения дросселя на основе тороидального сердечника, навитого из тонкой (18 мкм) нанокристаллической ленты. Подобные магнитные материалы имеют принципиальные отличия от традиционных ферритов, пермаллоев, магнитодиэлектриков.
Аморфные сплавы производятся по технологии сверхбыстрого охлаждения расплава со скоростью охлаждения более миллиона градусов Цельсия в секунду. За счет высокой скорости охлаждения в металле не успевает сформироваться кристаллическая решетка, и он застывает в виде ленты с аморфной внутренней структурой, свойственной стеклу и жидкостям. Аморфная структура сплава обеспечивает хорошую подвижность магнитных доменов, не связанных кристаллической решеткой, что определяет отличные магнитомягкие свойства.
Структура аморфных сплавов имеет ближний порядок, т. е. состоит из упорядоченных микрогруппировок атомов. Другим представителем нового класса метастабильных быстро охлажденных сплавов и активным соперником аморфных сплавов являются нанокристаллические сплавы. «Материнской» основой нанокристаллического сплава служит исходный аморфный сплав определенного состава (Fe-Cu-Nb-Si-B). Методом получения наноструктуры является прецизионный отжиг – регулируемая кристаллизация из исходного аморфного состояния. Структура нанокристаллического сплава представляет собой двухфазную систему, одной из фаз которой выступают нанокристаллы, а другой – остаточная аморфная матрица. Свойства наносплава зависят от состава, размера и количества нанокристаллов, а также их соотношения с аморфной фазой. По своим свойствам нанокристаллический сплав превосходит аморфный сплав на основе кобальта при меньшей цене. Имея высокую индукцию насыщения (1,2 Тл против 0,6 Тл), высокую температуру Кюри (560 °С против 235 °С), обеспечивая высокую рабочую температуру (180 °С против 100 °С), а также хорошую температурную стабильность в широком диапазоне рабочих температур от -60 °С до +155 °С (изменение проницаемости не более 15 %), новый нанокристаллический материал на основе железа представляет большой интерес для различных применений. Одним из самых массовых применений этих материалов являются синфазные дроссели, широко используемые в фильтрах радиопомех и импульсных источниках питания различного назначения. В данном применении высокая проницаемость материала позволяет резко сократить длину провода, собственные характеристики которого на высоких частотах имеют важное значение, что будет показано в данной статье.
В [1; 2] была предложена схема замещения для подобного нанокристаллического дросселя, но она, как и в случае с ферритовым сердечником, имеет те же недостатки: не является достаточно высокочастотной (до 100 МГц) и при ее расчете не рассматривалась фаза комплексного сопротивления дросселя. Кроме того, в схеме замещения дросселя, используемой в [1; 2], применяются длинная линия, параметры которой неясно, как выбирать, и предложенную схему замещения достаточно сложно модернизировать для создания схемы замещения для двух- или трехобмоточного дросселя или трансформатора – приходится с нуля создавать новую схему замещения [8].
В данной статье производится построение схемы замещения дросселя с учетом физических эффектов (влияние сопротивления провода, влияние материала сердечника, взаимное влияние провода и материала сердечника), т. е. делается попытка объяснить, почему частотные характеристики (модуль и фаза) комплексного сопротивления так ведут себя в широкой полосе частот (порядка 1 ГГц).
1. Комплексное сопротивление дросселя на феррите
В [7] были проведены измерения модуля и фазы полного (комплексного) сопротивления дросселей, использующего в качестве сердечника кольцевой сердечник из феррита N87. Измерения проводились на анализаторах импеданса Keysight E4982A (в диапазоне частот от 1 МГц до 3 ГГц) и Е7-28 (в диапазоне частот 1 кГц до 1 МГц). На рис. 1 (цифра 1) показаны измерения модуля и фазы комплексного сопротивления дросселя с одним витком. После этого совместно с сотрудниками НТЦ СЗЛ (г. Санкт-Петербург) были измерены модуль и фаза комплексных сопротивлений дросселей, намотанных на том же самом сердечнике, но другой партии, с большим количеством витков. На рис. 1 (цифры 2 и 3) показаны модуль и фаза комплексного сопротивления этих измеренных дросселей с одним и семью витками соответственно. Кольцевой сердечник имел размеры 50 × 28,6 × 20,3 мм. Провод был длиной 60 см и ∅ = 0,95 мм.
Как было описано в [7] и видно из рис. 1, изменение количества витков (с одного до семи) в дросселе на феррите приводит к изменению как модуля, так и фазы комплексного сопротивления дросселя. Это обуславливает построение схемы замещения данного дросселя со сложной зависимостью от количества витков. Как было описано в [7], это связано с тем, что сердечник дросселя после частот выше единиц МГц уже не представляет собой магнитный материал, поскольку комплексная магнитная проницаемость (вещественная и мнимая составляющие) резко уменьшается, а вещественная составляющая становится отрицательной. Кроме того, надо учитывать высокочастотный (сотни МГц) всплеск комплексного сопротивления дросселя (рис. 1), возникающий из-за того, что начинает проявляться эффект длинных линий, т. к. геометрические размеры провода становятся соизмеримы с длиной волны электромагнитного колебания на частотах в сотни МГц [7].
Рис. 1. Измеренные модуль (а) и фаза (б) комплексного сопротивления дросселя (сердечник N87) с различным количеством витков и длиной провода: 1) 1 виток (15 см), 2) 1 виток (60 см), 3) 7 витков (60 см)
Fig. 1. Measured magnitude (a) and phase (b) of inductor impedance (N87 core) for different numbers of turns and wire length: 1) 1 turn (15 cm), 2) 1 turn (60 cm), 3) 7 turns (60 cm)
2. Комплексное сопротивление дросселя на сердечнике из нанокристаллического сплава
В ПАО «Мстатор» (г. Боровичи) были проведены измерения модуля и фазы комплексного сопротивления дросселей (рис. 2), намотанных на нанокристаллическом кольцевом сердечнике MSFN-25S-TH с разным количеством витков и длиной провода (рис. 3). Измерения проводились на анализаторах импеданса Keysight E4982A (в диапазоне частот от 1 МГц до 3 ГГц) и Keysight E4980AL (в диапазоне частот 100 Гц до 1 МГц). Кольцевой сердечник, навитый из нанокристаллической ленты АМАГ 200С на основе железа, имел размеры 25 × 16 × 10 мм. Для защиты магнитного материала от давления провода и для изоляции использовался пластмассовый контейнер. Размеры в контейнере 27,7 × 13,8 × 12,5 мм. Провод был разной длины (6 см и 38 см) и ∅ = 1,5 мм.
Рис. 2. Измеренные модуль (а) и фаза (б) комплексного сопротивления дросселя (сердечник MSFN-25S-TH) с различным количеством витков и длиной провода: 1) 1 виток (6 см), 2) 1 виток (38 см), 3) 7 витков (38 см)
Fig. 2. Measured magnitude (a) and phase (b) of inductor impedance (MSFN-25S-TH core) for different numbers of turns and wire length: 1) 1 turn (6 cm), 2) 1 turn (38 cm), 3) 7 turns (38 cm)
Рис. 3. Дроссель (сердечник MSFN-25S-TH) с различным количеством витков и длиной провода: а – 1 виток (6 см); б – 1 виток (38 см); в – 7 витков (38 см)
Fig. 3. Inductor (MSFN-25S-TH core) with different numbers of turns and wire length: a – 1 turn (6 cm); b – 1 turn (38 cm); c – 7 turns (38 cm)
Измеренные частотные характеристики комплексного сопротивления дросселя (рис. 2) позволяют заключить, что изменение количества витков дросселя, использующего данный тип сердечника, приводит лишь к изменению модуля комплексного сопротивления дросселя, в отличие от дросселя, использующего ферритовый сердечник (рис. 1). Изменение фазы комплексного сопротивления дросселя связано с наличием емкости, зависящей лишь от длины провода (рис. 2). Это, скорее всего, связано с тем, что начинает проявляться эффект длинных линий, что далее более подробно будет рассмотрено в статье. Из вышесказанного следует, что достаточно сделать схему замещения для одновиткового дросселя, а далее ее будет легко масштабировать для любого количества витков и размеров сердечника. По аналогии с [7] для понимания методики составления схемы замещения реального дросселя частотные характеристики модуля и фазы его измеренного комплексного сопротивления были разбиты на шесть принципиально отличающихся характерных участков (рис. 4), в которых проявляются различные физические характеристики реального дросселя.
Рис. 4. Разбивка на области модуля и фазы комплексного сопротивления дросселя
Fig. 4. Magnitude and phase of inductor impedance (partition into areas)
Для данного сердечника (MSFN-25S-TH) по измеренному сопротивлению одновиткового дросселя (рис. 2, кривая 1) была определена комплексная проницаемость материала сердечника (рис. 5)
Рис. 5. ’(jw) и ”(jw) для сердечника MSFN 25S-TH (из измерения сопротивления дросселя)
Fig. 5. ’(jw) and ”(jw) of MSFN 25S-TH core (obtained from measured inductor impedance)
(1)
где ’, ” – вещественная и мнимая составляющие комплексной магнитной проницаемости материала, которые определяются как
(2)
(3)
где ZL – измеренное комплексное сопротивление дросселя; – коэффициент формы, введенный в [7], характеризующий геометрические размеры сердечника: h – высота тороидального сердечника, R – наружный радиус тороидального сердечника, r – внутренний радиус тороидального сердечника; KЗАП – коэффициент заполнения тора сердечника материалом (для этого материала по ТУ KЗАП = 0,72).
Низкочастотная область (участки 1 и 2 на рис. 4). Из измеренных частотных характеристик комплексного сопротивления дросселя можно сделать вывод, что реальный дроссель представляет собой идеальную катушку индуктивности лишь в достаточно узком интервале частот: от 150 Гц – 1,5 кГц (рис. 4). Это соответствует участку 2 на рис. 3, что хорошо видно по фазе комплексного сопротивления (когда фаза близка 90°). Это также соответствует области частот, в которой магнитная проницаемость материала практически постоянна, т. е. (рис. 5). В этом случае индуктивность дросселя с тороидальным сердечником определяется классической формулой [9] с учетом коэффициента заполнения KЗАП (особенность витых ленточных магнитопроводов):
(4)
где 0 = 4×10–7 Гн/м – магнитная постоянная, – относительная магнитная проницаемость сердечника, n – количество витков.
Для данного сердечника (25 × 16 × 10 мм) вычисляем KФ = 0,71×10–3. При магнитной проницаемости сердечника = 1,37×105 (рис. 5) и KЗАП = = 0,72 получаем расчетное значение индуктивности одновиткового дросселя L = 88 мкГн, практически близкое индуктивности L = 89,2 мкГн, полученной из частотных характеристик экспериментально измеренного комплексного сопротивления дросселя (рис. 4). Причина такого небольшого различия полученных значений индуктивностей будет рассмотрена в статье позже.
На частотах значительно ниже 150 Гц начинает сказываться сопротивление провода (для одновиткового дросселя), и реальный дроссель представляет собой последовательное сопротивление резистора RW (сопротивление провода) и идеальной катушки индуктивности L (рис. 6). Условие, когда реальный дроссель можно считать идеальной катушкой индуктивности, можно записать следующим образом [7]:
Рис. 6. Низкочастотная схема замещения дросселя
Fig. 6. Low-frequency inductor equivalent circuit
где (5)
Сопротивление провода RW было измерено: 3,2 мОм (для провода 38 см). Тогда, используя (5), получаем частоту fW порядка 300 Гц (для одновиткового дросселя с длиной провода 38 см). Так как частота fW определялась из условия отличия фазы от 90° на 1-2° [7], то во многих практических применениях ее можно разделить на 2, что и видно по рис. 4. Таким образом, получаем fW = 150 Гц.
Определение верхней частоты fC (рис. 4), когда дроссель можно считать еще идеальным, тоже следует вычислять по фазе комплексного сопротивления дросселя. Если рассчитывать эту частоту по графику модуля, то получим значение порядка 10–20 кГц. А на этих частотах фаза уже составляет порядка 75–60° (рис. 4). То есть дроссель представляет собой RL-контур на этих частотах. Таким образом, только фаза комплексного сопротивления позволяет корректно определить, когда реальный дроссель можно считать идеальной индуктивностью, и измерять индуктивность дросселя нужно только в этом диапазоне частот. Измерения на всех остальных частотах будут давать некорректный результат.
Комплексное сопротивление провода. Для используемого провода диаметром 1,5 мм, длиной 6 и 38 см (рис. 7) было измерено комплексное сопротивление (рис. 8), из которого видно, что провод на частотах выше единиц кГц уже нельзя считать резистором, а начиная с 1 МГц – это уже идеальная индуктивность. Из экспериментально измеренных модуля и фазы комплексного сопротивления дросселя (рис. 6) были определены параметры схемы замещения провода (рис. 7): LW = 0,27 мкГн, RW = 3,2 мОм, CR = 2,5 пФ, RR = 10 кОм (для провода длиной 38 см) и LW = 0,023 мкГн, RW = 0,4 мОм, CR = 0,8 пФ, RR = 10 кОм (для провода длиной 6 см). Измерения проводились для проводов в виде плоской петли (рис. 7).
Рис. 7. Провод разной длины: а – 6 см; б – 38 см
Fig. 7. Wire of different length: a – 6 cm; b – 38 cm
Рис. 8. Модуль (а) и фазы (б) комплексного сопротивления провода (∅ = 1,5 мм) разной длины (6 см и 38 см): измеренное значение в сравнении со схемой замещения
Fig. 8. Magnitude (a) and phase (b) of wire (∅ = 1,5 mm and different length: 6 cm and 38 cm) impedance: measured value versus different equivalent circuit data
Рис. 9. Схема замещения провода
Fig. 9. Wire equivalent circuit
Сопротивление провода можно рассчитать по известной формуле:
(6)
где – удельное сопротивления вещества провода (для меди оно равно 0,0175 Ом/(мм2×м)), l – длина провода в м, r – радиус поперечного сечения провода в мм.
Для провода диаметром 1,5 мм и длиной 38 см, используя (6), получаем сопротивление 3,76 мОм, что достаточно близко значению, определенному в схеме замещения (3,2 мОм) из условия близости частотных характеристик схемы замещения и экспериментально измеренных частотных характеристик провода (рис. 8). Аналогично для провода длиной 6 см получаем сопротивление 0,59 мОм. Но оно уже отличается от значения, определенного в схеме замещения (0,4 мОм). Из рис. 8 видно, что при малой длине (6 см) провода видим ошибку в определении ФЧХ, что говорит о погрешности измерения провода малой длины в этой области частот данным прибором (Keysight E4980AL), которая и дает ошибку в вычислении сопротивления провода порядка 30 %.
Индуктивность прямолинейного провода кругового сечения можно определить по следующей формуле [10]:
Гн, (7)
или мкГн,
где d – диаметр провода.
Для провода диаметром 1,5 мм и длиной 38 см, используя (7), получаем индуктивность 0,469 мкГн, что значительно расходится с индуктивностью, определенной в схеме замещения (0,27 мкГн). Для провода длиной 6 см, применяя (7), выводим индуктивность 0,043 мкГн, что также расходится с индуктивностью, определенной в схеме замещения (0,023 мкГн). Измерения индуктивности провода на приборе Е7-5 (измерительный мост) дали похожие результаты для проводов 38 см и 6 см: 0,27 мкГн и 0,02 мкГн.
Данные различия значений полученных индуктивностей с индуктивностями, рассчитанными по формуле (7), связаны с тем, что все измерения проводов осуществлялось для проводов в виде плоской петли (рис. 7), а формула (7) дана для прямолинейного провода. Измерить же прямолинейный провод указанных длин на известных приборах не представляется возможным.
Влияние материала сердечника дросселя (участок 3 на рис. 4). На частотах выше 1,5 кГц (рис. 4) характер комплексного сопротивления дросселя зависит от изменения магнитных свойств материала сердечника (рис. 5). Это связано с тем, что относительная магнитная проницаемость материала является не константой m, а частотно-зависимой комплексной величиной [11–13].
Снижение фазы комплексного сопротивления дросселя начинается с 1 кГц (рис. 4). Это связано с проявлением резистивных (тепловых) потерь в сердечнике – падением вещественной и увеличением мнимой составляющей комплексной магнитной проницаемости материала сердечника (рис. 5). На этом участке частот дроссель можно заменить параллельным RL-контуром (рис. 10, а). Тогда сопротивление дросселя будет определяться по формуле
Рис. 10. Схемы замещения дросселя, учитывающие влияния сердечника
Fig. 10. Core-behavior inductor equivalent circuits
(8)
где - постоянная времени.
В этом случае частотные характеристики сопротивления схемы замещения и измеренные имеют хорошее совпадение до 60 кГц (рис. 11, кривая 1). Параметры полученной модели (рис. 10, а): L = 89,2 мкГн, RC = 22 Ом. Чтобы получить хорошее совпадение на более высоких частотах (рис. 11, кривая 2), необходимо вместо постоянного сопротивления RС (рис. 10, а) использовать частотно-зависимое сопротивление, т. е. в схему замещения надо добавить RL-контур (рис. 10, б). Тогда сопротивление дросселя будет вычисляться по формуле
Рис. 11. Модуль (а) и фазы (б) комплексного сопротивления дросселя: измеренное значение в сравнении с различными схемами замещения: 1) рис. 10, а, 2) рис. 10, б, 3) рис. 10, в
Fig. 11. Magnitude (a) and phase (b) of inductor impedance: measured value versus different equivalent circuit data: 1) fig. 10, a, 2) fig. 10, b, 3) fig. 10, c
(9)
где - индуктивность дросселя;
- постоянные времени.
В этом случае частотные характеристики сопротивления схемы замещения и экспериментально измеренные имеют хорошее совпадение до 600 кГц (рис. 11, кривая 2). Параметры полученной модели (рис. 10, б): L1 = 89,2 мкГн, L2 = 14 мкГн, RC1 = 22 Ом, RC2 = 20 Ом. Для дальнейшего совпадения частотных характеристик необходимо еще несколько RL-контуров (рис. 10, в). В этом случае получаем достаточно хорошее совпадение частотных характеристик (измеренных и схемы замещения) до 10 МГц. Далее (выше 10 МГц) начинается следующий участок (№ 4) комплексного сопротивления дросселя (рис. 4). Параметры полученной модели (рис. 10, в): L1 = 89,2 мкГн, L2 = 14 мкГн, L3 = 4 мкГн, L4 = 0,5 мкГн, RC1 = 22 Ом, RC2 = 20 Ом, RC3 = RC4 = 30 Ом.
В [1; 2] данное поведение модуля и фазы комплексного сопротивления дросселя объяснялось действием скин-эффекта. Но это не может быть скин-эффектом, т. к. скин-эффект – это явление при протекании тока в проводнике, а данная характеристика комплексного сопротивления определяется только комплексной магнитной проницаемостью сердечника (причина такой комплексной магнитной проницаемости сердечника – это уже другой вопрос), и при скин-эффекте из-за переменного магнитного поля возникает переменное электрическое поле, выталкивающее электрические заряды из проводника, а на частотных характеристиках комплексного сопротивления дросселя в этой области частот (где фаза больше нуля) наблюдается превосходство действий магнитного поля над действием электрического поля.
Определим частоту fС (рис. 4), начиная с которой необходимо учитывать влияние изменения магнитных свойств материала сердечника. Для этого воспользуемся фазой комплексного сопротивления дросселя, т. е. arg(Z(jwC)) < 89°. Используя (8), получаем arctg wt > 1° или
(10)
Тогда частота, начиная с которой необходимо учитывать влияние изменения магнитных свойств материала сердечника, определяется как
где (11)
что аналогично формуле, полученной в [7] для ферритового сердечника. В нашем случае (L = 89,2 мкГн, RC = 22 Ом) получаем fC = 623 Гц. Так как частота fC определялась из условия отличия фазы от 90° на 1°, то во многих практических применениях ее можно увеличить в 2 раза, что и видно по рис. 4, 11. Таким образом, fC = 1,2 кГц.
Высокочастотная область (участки 4 и 5 на рис. 4). После 10 МГц происходит увеличение модуля и фазы комплексного сопротивления дросселя (рис. 4). Это равносильно тому, что в схеме замещения дросселя добавляется последовательно включенная индуктивность LW (рис. 12). Величина этой индуктивности равна индуктивности провода LW = 0,27 мкГн, то есть в этом диапазоне частот комплексное сопротивление, определяемое сердечником, уже будет соизмеримо с комплексным сопротивлением провода (влияние индуктивности провода). Чтобы суммарная индуктивность не изменилась, необходимо на эту величину уменьшить индуктивность L1 (рис. 12). В этом случае имеем хорошее совпадение измеренных модуля и фазы комплексного сопротивления дросселя с частотными характеристиками схемы замещения дросселя до 80–90 МГц (рис. 13, кривая 1).
Рис. 12. Схема замещения дросселя с учетом индуктивности провода
Fig. 12. Inductor equivalent circuit taking into account the wire inductance
При дальнейшем увеличении частоты наблюдается ВЧ-резонанс комплексного сопротивления дросселя на частоте 180 МГц (рис. 4, 13). Данная частота близка частоте ВЧ-резонанса (198 МГц) комплексного сопротивления провода (рис. 8). Из этого следует, что на комплексное сопротивление дросселя на частотах от 10 МГц до 80–90 МГц (участок 4 на рис. 4) начинает оказывать влияние индуктивность провода, а на частотах выше 80–90 МГц (участок 5 на рис. 4) начинают влиять параметры схемы замещения провода: CR = 2,5 пФ, RR = 10 кОм. В этом случае схема замещения дросселя (рис. 14) дает частотные характеристики, достаточно близкие измеренным частотным характеристикам комплексного сопротивления дросселя до 400–500 МГц (рис. 13, кривая 2).
Рис. 13. Модуль (а) и фазы (б) комплексного сопротивления дросселя: измеренное значение в сравнении с различными схемами замещения провода: 1) с учетом только индуктивности провода, 2) с учетом всех параметров провода
Fig. 13. Magnitude (a) and phase (b) of inductor impedance: measured value versus different wire equivalent circuit data: 1) with wire inductance only, 2) with all parameters of wire equivalent circuit
Разделение влияние провода и сердечника в схеме замещения дросселя. Как было сказано в начале статьи, изменение количества витков дросселя с использованием сердечника из нанокристаллического сплава на основе железа приводит лишь к изменению модуля комплексного сопротивления дросселя (рис. 2). Для масштабирования схемы замещения одновиткового дросселя (рис. 14) на любое количество витков разнесем по отдельным схемам влияние сердечника и провода дросселя и свяжем их зависимым источником напряжения E1, зависящим от напряжения, создаваемого сердечником, и зависимым источником тока G1, зависящим от тока, протекающего в проводе (рис. 15).
Рис. 14. Схема замещения дросселя с учетом параметров провода
Fig. 14. Inductor equivalent circuit taking into account the wire parameters
Рис. 15. Схема замещения дросселя с произвольным количеством витков
Fig. 15. Inductor equivalent circuit with various number of turns
Уточнение схемы замещения дросселя. До этого момента рассматривалось комплексное сопротивление с разным количеством витков, но с одинаковой длиной провода. В реальности же меньшее количество витков имеет более короткую длину провода. Поэтому скорректируем схему замещения дросселя (рис. 15) для случая одного витка минимальной длины (6 см). На рис. 2, кривая 1 представлены измеренные модуль и фаза комплексного сопротивления этого дросселя.
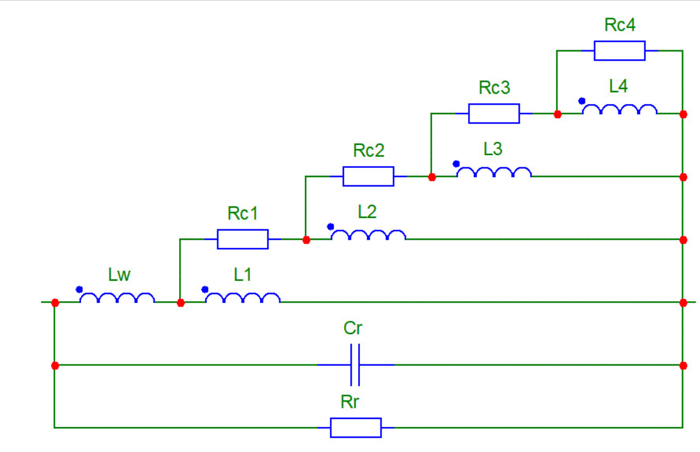
Для этого случая была скорректирована схема замещения сердечника дросселя: добавлен RL-контур (рис. 16), и были получены частотные характеристики получившейся схемы замещения, которые достаточно близки измеренным модулю и фазе комплексного сопротивления дросселя (рис. 17). Параметры получившейся модели сердечника дросселя: L1 = 88,9 мкГн, L2 = 14 мкГн, L3 = 4 мкГн, L4 = 0,5 мкГн, L5 = 0,075 мкГн, RC1 = 22 Ом, RC2 = 20 Ом, RC3 = RC4 = 30 Ом, RC5 =15 Ом.
Рис. 16. Схема замещения дросселя
Fig. 16. Inductor equivalent circuit
Рис. 17. Модуль (а) и фазы (б) комплексного сопротивления одновиткового дросселя (6 см): измеренное значение в сравнении со схемой замещения (рис. 16)
Fig. 17. Magnitude (a) and phase (b) of 1-turn (6 cm) inductor impedance: measured value versus different equivalent circuit data (fig. 16)
В этом случае (для одновиткового дросселя) получаем те же самые частотные характеристики комплексного сопротивления дросселя (рис. 18, кривые 1, 2). Чтобы вычислить частотные характеристики для дросселя с 7 витками, в данной схеме замещения дросселя (рис. 16) необходимо только изменить параметр К с 1 до 49. Кроме этого, нужно скорректировать значение сопротивления RR (с 10 кОм до 500 кОм). В этом случае получаем частотные характеристики схемы замещения дросселя достаточно близкими измеренным частотным характеристикам комплексного сопротивления дросселя с 7 витками (рис. 18, кривые 3, 4).
Рис. 18. Модуль (а) и фазы (б) комплексного сопротивления дросселя с разным количеством витков (1 и 7): измеренное значение в сравнении со схемой замещения (рис. 16)
Fig. 18. Magnitude (a) and phase (b) of inductor with different turns (1 and 7) impedance: measured value versus different equivalent circuit data (fig. 16)
Таким образом была получена схема замещения дросселя, которая легко пересчитывается для любого количества витков (коэффициент К равен квадрату витков обмотки). В случае использования сердечника с другими геометрическими размерами необходимо в коэффициент К добавить сомножитель, равный отношению нового коэффициента формы КФ к старому коэффициенту формы КФ (для данного сердечника (25 × 16 × 10 мм) КФ = 0,71×10-3).
Определение комплексной магнитной проницаемости материала сердечника. Кроме вышеописанных преимуществ такое разделение схемы замещения дросселя на влияние провода и влияние сердечника позволяет по отдельности рассматривать влияние провода и сердечника без зависимости от количества витков, т. е. можно сразу из схемы замещения определить комплексную проводимость сердечника. Для этого необходимо в схеме замещения (рис. 16) поделить напряжение на источнике тока G1 на ток в источнике тока G1, т. е. надо найти Тогда частотные зависимости ’(jw) и ”(jw) будут вычисляться по формулам (2) и (3), только вместо ZL надо использовать ZG1. Получаем следующую комплексную магнитную проницаемость материала, рассчитанную из схемы замещения (рис. 19, «схема замещения») в сравнении с рассчитанной магнитной проницаемостью материала, определенной из измеренного комплексного сопротивления одновиткового дросселя (рис. 19, «измерения»).
Тогда получаем скорректированное значение магнитной проницаемости сердечника = 1,383 × × 105 (рис. 19), дающее расчетное значение индуктивности одновиткового дросселя L = 88,9 мкГн, которое на значение индуктивности провода (LW = 0,27 мкГн) меньше полученной индуктивности (L = 89,2 мкГн) из измеренных частотных характеристик комплексного сопротивления дросселя. Таким образом, данная схема замещения дросселя (рис. 16) позволяет разделить влияние провода и сердечника. Для более точной модели дросселя необходимо напрямую измерить комплексную магнитную проницаемость материала сердечника и уже на основании этих частотных характеристик скорректировать параметры сердечника в модели дросселя (рис. 16).
Рис. 19. ’(jw) и ”(jw) для сердечника MSFN-25S-TH, рассчитанные разным способом
Fig. 19. ’(jw) and ”(jw) of MSFN 25S-TH core (obtained by different ways)
Различие в определении комплексной магнитной проницаемости можно разделить на 3 участка: низкочастотная область (до единиц кГц) – при вычислении m’ и m” из измерения комплексного сопротивления дросселя оказывают влияние индуктивность и сопротивление провода (рис. 19); среднечастотная область (от единиц кГц до 500 МГц) – только погрешность схемы замещения сердечника (рис. 19); высокочастотная область (выше 500 МГц) – при вычислении ’ и ” на расчет из измерения комплексного сопротивления дросселя влияют индуктивность и емкость провода (рис. 19). Как видно из рис. 19, m’ материала сердечника стремится к единице (на частоте 1 ГГц), а ” материала сердечника порядка 30 (на частоте 1 ГГц). Значит, сердечник на этой частоте теряет магнитные свойства и работает только на поглощение (нагрев), а дроссель становится резистором (если не учитывать свойства провода). Поэтому начиная с частот 500–600 МГц комплексное сопротивление данного дросселя – это комбинация комплексного сопротивления провода и небольшого активного сопротивления, характеризующего тепловые потери в сердечнике. Таким образом, такое разделение в схеме замещения дросселя (рис. 16) позволяет вычислить ’ и ” материала сердечника без влияния параметров провода и количества витков.
Преимущество такого разделения схемы замещения дросселя на влияние провода и сердечника заключается в том, что на основании этой схемы замещения дросселя можно небольшими изменениями сделать схему замещения двух- или трехобмоточного дросселя, а также трансформатора. Для этого необходимо в схему замещения дросселя (рис. 16) добавить еще параметры провода каждой новой обмотки, скорректировать коэффициенты в зависимых источниках и добавить влияние индуктивности рассеивания.
Определение ВЧ-емкости (участок 5 на рис. 4). Рассмотрим подробнее эффект ВЧ-емкости в дросселе с одним витком с разной длиной провода (6 и 38 см) и в дросселе с семью витками с длиной провода 38 см (рис. 17, 18). Считается, что в одновитковом дросселе причина возникновения ВЧ-емкости – это емкость в схеме замещения провода, моделирующая первый резонанс сопротивления провода из-за того, что провод на этих частотах (80–220 МГц) уже представляет собой длинную линию (рис. 20). Проверим, так ли это. В общем случае длина волны электромагнитного колебания равна
(12)
Рис. 20. Представление провода в виде длинной линии
Fig. 20. Representing a wire as a long line
где м/с – скорость света в вакууме, e и – диэлектрическая и магнитная проницаемости материала.
Для провода длиной 38 см наблюдается резонанс комплексного сопротивления на частоте порядка 1,98×108 Гц (рис. 8). Так как провод находится в воздухе (e = = 1), то получаем длину волны = 3×108 / 1,98×108 = 1,5 м. Следовательно, на этой частоте в длину провода укладывается 1/4 длины волны электромагнитного колебания. Но провод длиной 38 см можно представить длинной линией длиной меньше 19 см, т. е. половины длины провода (рис. 20). Это означает, что если представить провод длинной линией, то ее длина будет составлять 0,13, а то и меньше. Таким образом, данный ВЧ-резонанс сопротивления провода можно объяснить эффектом длинной линии лишь с большой натяжкой, то есть мы еще находимся на границе рассмотрения провода как цепи с сосредоточенными параметрами.
Для одновиткового дросселя с проводом длиной 38 см наблюдается ВЧ-резонанс комплексного сопротивления (рис. 13) на частоте (1,8×108 Гц), близкой к резонансной частоте комплексного сопротивления отдельного провода (1,98×108 Гц). Кроме того, значение емкости CR в схеме замещения дросселя (рис. 16) совпадает со значением емкости CR в схеме замещения провода (рис. 9). Это означает, что в формулу (12) надо вставлять не диэлектрическую и магнитную проницаемости материала сердечника, а e и окружающей среды (воздуха). Получается, что сердечник не оказывает влияния на электромагнитное поле, создаваемое проводом, а влияет только на электромагнитное поле, создаваемое витками провода, и получившаяся емкость CR в схеме замещения дросселя – это емкость CR в схеме замещения провода (2,5 пФ для 38 см и 0,8 пФ для 6 см). Таким образом, ВЧ-резонанс сопротивления дросселя можно объяснить эффектом длинной линии тоже лишь с большой натяжкой. В [7] данный ВЧ-резонанс объяснялся эффектом длинной линии, т. к. в выражение (12) подставляли e и сердечника, что, как было показано выше, некорректно.
На рис. 21 представлены зависимости индуктивности провода LW и емкости провода CR, определенные из измеренных частотных характеристик комплексного сопротивления провода. Измерения проводились при различных длинах провода (6 см, 21 см, 38 см, 69 см) и соответствующего им количества витков дросселя (1, 3, 7, 14). На рис. 21, а: кривая 1 соответствует индуктивности провода, посчитанной по формуле (7), кривая 2 – измеренной индуктивности провода, кривая 3 – расчетное значение индуктивности провода с учетом взаимной индуктивности разных кусков провода (провод представляет плоскую петлю – рис. 7). Согласно [10], два параллельных провода длиной l, расстояние между которыми h, при протекании через них тока образуют взаимную индуктивность, равную
мкГн. (13)
Рис. 21. а – значение LW: рассчитанное по (7) – «1», полученное из измеренного комплексного сопротивления провода – «2» и рассчитанное с использованием (7) и (13) – «3»; б – значение CR: полученные из измеренных комплексных сопротивлений провода различной длины (6–69 см) и дросселя с различным количеством витков (1, 3, 7, 14)
Fig. 21. a – LW value: calculated by (7) – «1», obtained from the measured wire impedance – «2» and calculated using (7) and (13) – «3»; b – CR value: obtained from the measured wire of various lengths (6–69 cm) impedance and an inductor with a different number of turns (1, 3, 7, 14) impedance
В качестве l была взята половина длины провода, а в качестве h – 1,3 см (чуть больше высоты контейнера – 12,5 мм). Учет взаимной индуктивности двух кусков провода дает неплохое совпадение расчетного значения индуктивности провода и измеренного (рис. 21, а). Данные кривые приведены, чтобы показать, что необходимо более подробно и внимательно исследовать индуктивность провода в дросселе.
Из рис. 21, б видно, что увеличение длины провода приводит к увеличению емкости дросселя и что емкость провода практически соответствует емкости дросселя. Получается, что межвитковая емкость здесь ни при чем: работают только геометрические размеры намотки – чем больше длина провода, тем больше его емкость, причем зависимость практически логарифмическая. Для более подробного определения зависимости этой емкости от длины провода, количества витков, способа намотки (однослойная, многослойная, секционная) требуются дополнительные исследования.
Причина ВЧ-всплесков (участки 5, 6 на рис. 3). Попробуем понять причину возникновения этой емкости в схеме замещения дросселя. При протекании переменного тока в проводнике у него всегда возникают тепло, переменное магнитное поле и переменное электрическое поле. При преобладании теплового действия тока имеем только резистор в качестве провода (низкие частоты – до 1 кГц – рис. 8), при преобладании магнитного поля провод представляет собой идеальную индуктивность (100 кГц – 100 МГц для провода длиной 38 см – рис. 8), после 180 МГц (для провода длиной 38 см – рис. 8) начинает преобладать действие электрического поля. Данное электрическое поле в проводе есть всегда при протекании переменного электрического тока. Наличие его в проводе и создает скин-эффект, выталкивающий заряды из проводника. Но оценить это электрическое поле можно только на высоких частотах, когда энергия электрического поля будет соизмерима с энергией магнитного поля. А если есть энергия электрического поля, то возникает емкость в схеме замещения провода. Этот эффект возникновения емкости в схеме замещения провода дуален эффекту возникновения индуктивности в схеме замещения диэлектрика, описанному в [14]: электрическое поле меняется на магнитное.
В [14] было объяснено, что дальнейшие ВЧ-резонансы в комплексном сопротивлении диэлектрика (рис. 22) не связаны с эффектом длинных линий (геометрические размеры диэлектрика были достаточно малы), а возникают из-за наличия двух магнитных потоков (собственного и отраженного), которые влияют друг на друга, как в случае с трансформатором, т. е. происходят переотражения магнитных потоков диэлектрика, которые создают всплески комплексного сопротивления диэлектрика. Кроме того, при этих всплесках комплексного сопротивления диэлектрика фаза меняется не на 180° (значительно меньше), т. е. нет смены действия магнитного и электрических полей. Это также может быть объяснением того, что здесь не эффект длинных линий, а влияние электрического поля при превалировании магнитного поля.
Рис. 22. Модуль (а) и фаза (б) комплексного сопротивления измеренного диэлектрика Н90 9250 и его схемы замещения (взято из [14])
Fig. 22. Magnitude (a) and phase (b) of measured dielectric Н90 9250 impedance versus obtained value from dielectric equivalent circuit (taken from [14])
По аналогии с последующими ВЧ-резонансами в комплексном сопротивлении диэлектрика (рис. 22) последующие ВЧ-резонансы в комплексном сопротивлении провода тоже не могут быть объяснены с помощью эффекта длинных линий, т. к. длина предложенной длинной линии (рис. 20) значительно меньше длины волны и фаза комплексного сопротивления при этих резонансах не меняется на 180° (рис. 8). То есть также получаем случай дуальности комплексных сопротивлений провода и диэлектрика: происходят переотражения электрического поля на разных участках провода, что и создает всплески комплексного сопротивления провода. Лишь после 1 ГГц провод длиной 38 см можно, скорее всего, считать длинной линией (рис. 20), т. к. теперь в длину этой линии (15–19 см) должна укладываться половина длины волны электромагнитного колебания ( = 30 см).
Заключение
В работе предложена электрическая структурно-параметрическая схема замещения дросселя (рис. 16), использующего нанокристаллический кольцевой сердечник MSFN-25S-TH. Ее частотные характеристики получились достаточно близкими с измеренными частотными характеристиками сопротивления дросселя в широкой полосе частот (от 0 до 500 МГц). Это позволяет использовать данную схему замещения дросселя для корректного проектирования высокочастотных фильтров радиопомех.
Показано принципиальное отличие работы нанокристаллического сердечника от ферритового в применении к ВЧ-фильтрам. Оно заключается в отсутствии характерного для ферритов резонанса на частотах 0,5–2 МГц и работе на «поглощение ВЧ-помехи» в отличие от характерного для ферритов отражения помехи, которое связано со сменой индуктивного характера ферритового дросселя на емкостной и может создавать проблемы в работе импульсного преобразователя напряжения.
Доказано, что для построения схемы замещения (структуры и параметров) измерения только модуля сопротивления дросселя недостаточно, необходимо измерять также фазу комплексного сопротивления дросселя.
Продемонстрирована возможность определения индуктивности провода с использованием (7) и (13). Показана несостоятельность использования понятия межвитковой емкости для определения собственной емкости дросселя. Расчитано, что емкость провода практически соответствует емкости дросселя.
Предложено разделить в схеме замещения дросселя влияние провода и влияние сердечника на комплексное сопротивление дросселя. Это позволяет: использовать данную схему замещения при любом количестве витков обмотки, любом проводе обмотки, любой форме и типе сердечника; найти комплексную магнитную проницаемость материала сердечника из схемы замещения дросселя, полученной из измеренного комплексного сопротивления дросселя; отдельно рассмотреть влияние провода и сердечника на комплексное сопротивление дросселя, что дало возможность лучше понять физику процессов, протекающих в дросселе. Кроме того, такое разделение позволит применять данную схему замещения для дросселя, использующего различные сердечники, не обладающие собственной резонансной частотой (нанокристаллические и аморфные сплавы с различной проницаемостью, мо-пермаллой и другие магнитодиэлектрики). С небольшими изменениями (учет межвитковой связи, индуктивности рассеивания и т. д.) данную схему замещения можно скорректировать для двух-, трехобмоточного дросселя, трансформатора.
Показана несостоятельность использования длинной линии в схеме замещения дросселя. Были предложены объяснения собственной емкости провода и дросселя, которая создает резонансы в экспериментально измеренных комплексных сопротивлениях провода и дросселя.
Авторлар туралы
Vladimir Dmitrikov
The Bonch-Bruevich Saint Petersburg State University of Telecommunications
Email: dmitrikov_vf@mail.ru
Doctor of Technical Sciences, professor of the Department of Theory of Electrical Circuits and Communication, Honored Scientist of the Russian Federation, Laureate of the Gazprom Prize, Academician of the Russian Academy of Natural Sciences, Corresponding Member AEN, corresponding member MAN VSH, Member of the Bureau of the Council «Scientific Problems of Power Supply Systems» at the Department of the Russian Academy of Sciences «Electrophysics, Power Engineering, Electrical Engineering»
Ресей, 22, bld. 1, Avenue Bolshevikov, Saint Petersburg, 193232Dmitry Shushpanov
The Bonch-Bruevich Saint Petersburg State University of Telecommunications
Email: dimasf@inbox.ru
Candidate of Technical Sciences, associate professor of the Department of Theory of Electrical Circuits and Communication
Ресей, 22, bld. 1, Avenue Bolshevikov, Saint Petersburg, 193232Eduard Fochenkov
PJSC «Mstator»
Хат алмасуға жауапты Автор.
Email: abc2202@gmail.com
leading engineer, head of the Bureau of Mechanization and Automation
Ресей, 10, A. Nevsky Street, Borovichi, Novgorodskaya Region, 174401Әдебиет тізімі
- Cuellar C. HF Characterization and Modeling of Magnetic Materials for the Passive Components Used in EMI Filters: PhD Doctoral, Electrical Engineering, University of Lille 1, Lille – France, 2013. 2010 p. URL: https://pepite-depot.univ-lille.fr/LIBRE/EDSPI/2013/50376-2013-Cuellar.pdf
- Cuellar C., Idir N., Benabou A. High-frequency behavioral ring core inductor model. IEEE Transactions on Power Electronics, 2016, vol. 31, no. 5, pp. 3763–3772. DOI: https://doi.org/10.1109/TPEL.2015.2460374
- Dmitrikov V.F. et al. Synthesis of equivalent frequency choke equivalent circuits. Prakticheskaya silovaya elektronika, 2017, vol. 66, no. 2, pp. 5–11. (In Russ.)
- Dmitrikov V.F. et al. Synthesis of equivalent circuits for chokes and capacitors in a wide range of frequencies taking into account dynamic processes in dielectric and magnetic materials. 2019 20th International Conference of Young Specialists on Micro/Nanotechnologies and Electron Devices (EDM), 2019, pp. 532–540. DOI: https://doi.org/10.1109/EDM.2019.8823489
- Dmitrikov V.F., Isaev V.M., Kunevich A.V. Development of behavioral models of capacitors and chokes, taking into account the frequency properties of the dielectric and magnetic permeability of dielectrics and magnets. Nanoindustriya, 2020, vol. 13, no. S4 (99), pp. 372–373. DOI: https://doi.org/10.22184/1993-8578.2020.13.4s.372.373 (In Russ.)
- Dmitrikov V.F. et al. Development of high-frequency electrical equivalent circuits for capacitors and chokes, taking into account the frequency properties of the dielectric and magnetic permeability of dielectrics and magnets. Physics of Wave Processes and Radio Systems, 2020, vol. 23, no. 2, pp. 55–69. DOI: https://doi.org/10.18469/1810-3189.2020.23.2.55-69 (In Russ.)
- Dmitrikov V.F., Shushpanov D.V. Equivalent circuit of a ferrite-wound choke over a wide frequency range (0 Hz – 500 MHz). Physics of Wave Processes and Radio Systems, 2021, vol. 24, no. 4, pp. 25–45. DOI: https://doi.org/10.18469/1810-3189.2021.24.4.25-45 (In Russ.)
- Kotny J.-L., Margueron X., Idir N. High-frequency model of the coupled inductors used in EMI filters. IEEE Transactions on Power Electronics, 2012, vol. 27, no. 6, pp. 2805–2812. DOI: https://doi.org/10.1109/TPEL.2011.2175452
- Nemtsov M.V., Shamaev Yu.M. Handbook for Calculating the Parameters of Inductors. Moscow: Energoizdat, 1981, 136 p. (In Russ.)
- Kalantarov P.L., Tseytlin L.A. Calculation of Inductances. 3rd ed., rev. and add. Leningrad: Energoatomizdat, 1986, 488 p. (In Russ.)
- Arkad’ev V.K. Electromagnetic Processes in Metals. Moscow; Leningrad: Glavnaya redaktsiya energeticheskoy literatury, 1936, 303 p.
- Starodubtsev Yu.N., Belozerov V.Ya. Magnetic Properties of Amorphous and Nanocrystalline Alloys. Ekaterinburg: Ural’skiy in-t, 2002, 384 p. (In Russ.)
- Filippov B.N., Zhakov S.V. Theories of dynamic properties of ferromagnetic single-crystal plates with a domain structure. Fizika metallov i metallovedenie, 1975, vol. 39, no. 4, pp. 705–717. (In Russ.)
- Dmitrikov V.F., Shushpanov D.V. Dielectric equivalent circuit over a wide frequency range (0 Hz - 500 MHz). Physics of Wave Processes and Radio Systems, 2022, vol. 25, no. 3, pp. 43–57. DOI: https://doi.org/10.18469/1810-3189.2022.25.3.43-57 (In Russ.)
Қосымша файлдар























